ÁªÏµÖйú¡¤½ðɳ³Çjs93Ïß·¼ì²âÖÐÐÄ(¹É·Ý)ÓÐÏÞ¹«Ë¾-¹Ù·½ÍøÕ¾

ÊÖ»ú£ºÍô˾Àí15802760502
ÓÊÏ䣺hezi027@qq.com
QQ£º3212587206
µØµã£ºÎ人Êй¤¾ßºþÇø´´¹È·20ºÅ¿Æ´´ÖÐÐÄ22¶°
Ïà¹ØÎÄÕÂ
- 1¸É»õ·ÖÏíØÎ人Öйú¡¤½ðɳ³Çjs93Ïß·¼ì²âÖÐÐÄ(¹É·Ý)ÓÐÏÞ¹«Ë¾-¹Ù·½ÍøÕ¾ÖÇÄܼì²âÖÎÀíϵͳÏÈÈÝ
- 2¸É»õ·ÖÏíØÎ人Öйú¡¤½ðɳ³Çjs93Ïß·¼ì²âÖÐÐÄ(¹É·Ý)ÓÐÏÞ¹«Ë¾-¹Ù·½ÍøÕ¾Çå¾²¹¤Óþ߼ì²âÖÎÀíϵͳ(ÔÆÆ½Ì¨)ÏÈÈÝ
- 3¸É»õ·ÖÏíØÁ½ÖÖÀ׵繥»÷×°±¸±ÈÕÕÓÅÈõµã
- 4¸É»õ·ÖÏíØ¾Ö·ÅÆÁÕÏÊұȵç´ÅÆÁÕÏÊÒÒªÇó¸ü¸ß
- 5¸É»õ·ÖÏíØÎ人Öйú¡¤½ðɳ³Çjs93Ïß·¼ì²âÖÐÐÄ(¹É·Ý)ÓÐÏÞ¹«Ë¾-¹Ù·½ÍøÕ¾²úÆ·ÓÅÊÆ
- 6¸É»õ·ÖÏíØÎ人Öйú¡¤½ðɳ³Çjs93Ïß·¼ì²âÖÐÐÄ(¹É·Ý)ÓÐÏÞ¹«Ë¾-¹Ù·½ÍøÕ¾Çå¾²¹¤Óþ߲úÆ·ÓÅÊÆ
- 7¸É»õ·ÖÏíØÎ人Öйú¡¤½ðɳ³Çjs93Ïß·¼ì²âÖÐÐÄ(¹É·Ý)ÓÐÏÞ¹«Ë¾-¹Ù·½ÍøÕ¾¾Ö·ÅÒDzî±ð¼°ÓÅÊÆ
- 8¸É»õ·ÖÏíØÎ人Öйú¡¤½ðɳ³Çjs93Ïß·¼ì²âÖÐÐÄ(¹É·Ý)ÓÐÏÞ¹«Ë¾-¹Ù·½ÍøÕ¾ÎÞ¾Ö·ÅÄÍѹ²âÊÔϵͳÓÅÊÆ
- 9¸É»õ·ÖÏíØÎ人Öйú¡¤½ðɳ³Çjs93Ïß·¼ì²âÖÐÐÄ(¹É·Ý)ÓÐÏÞ¹«Ë¾-¹Ù·½ÍøÕ¾À׵繥»÷²âÊÔϵͳÓÅÊÆ
- 10HZHL-400A-I ÈýÏàÖÇÄÜ»ØÂ·µç×è²âÊÔÒDZܿÓÖ¸ÄÏ
ÊÔÑé֪ʶ | ¹¤Æµ½»Á÷ÄÍѹÊÔÑ飬£¬£¬£¬£¬£¬£¬£¬Ò»ÎÄÈ«½â˵£¡--¡¾Öйú¡¤½ðɳ³Çjs93Ïß·¼ì²âÖÐÐÄ(¹É·Ý)ÓÐÏÞ¹«Ë¾-¹Ù·½ÍøÕ¾¡¿
Ðû²¼Ê±¼ä£º2024-01-30 16:04:17ÈËÆø£º
1¡¢ÊµÑéÏÈÈÝ
½»Á÷ÄÍѹÊÔÑ鹨ÓÚÀο¿Óлú¾øÔµÀ´ËµÊôÓÚÆÆËðÐÔÊÔÑ飬£¬£¬£¬£¬£¬£¬£¬Ëü»áʹÔÀ´±£´æµÄ¾øÔµÈõµã½øÒ»²½Éú³¤£¬£¬£¬£¬£¬£¬£¬£¬Ê¹¾øÔµÇ¿¶ÈÖð½¥½µµÍ£¬£¬£¬£¬£¬£¬£¬£¬ÐγɾøÔµÄÚ²¿ÁÓ»¯µÄÀÛ»ýЧӦ¡£¡£¡£¡£¡£¡£¡£Òò´Ë£¬£¬£¬£¬£¬£¬£¬£¬ÔÚ¾ÙÐн»Á÷ÄÍѹÊÔÑéǰ£¬£¬£¬£¬£¬£¬£¬£¬±ØÐè¶Ô±»ÊÔ×°±¸ÏȾÙÐоøÔµµç×è¡¢ÎüÊձȡ¢Ð¹Ð¹µçÁ÷¡¢½éÖÊËðʧ½ÇµÈÏîÄ¿µÄÊÔÑé¡£¡£¡£¡£¡£¡£¡£ÊÔÑéЧ¹ûÕý³££¬£¬£¬£¬£¬£¬£¬£¬·½ÄܾÙÐн»Á÷ÄÍѹÊÔÑ飻£»£»£»£»£»Èô·¢Ã÷×°±¸¾øÔµ×´Ì¬²»Á¼£¬£¬£¬£¬£¬£¬£¬£¬±ØÐèÏȾÙÐд¦Öóͷ£ºóÔÙ×öÄÍѹÊÔÑ飬£¬£¬£¬£¬£¬£¬£¬×èÖ¹Ôì³É²»Ó¦ÓеľøÔµ»÷´©¡£¡£¡£¡£¡£¡£¡£Í¬Ê±±ØÐè׼ȷµØÑ¡ÔñÊÔÑéµçѹºÍÄÍѹʱ¼ä¡£¡£¡£¡£¡£¡£¡£
½»Á÷ÄÍѹ·ÖΪ£º0.1Hz³¬µÍƵ½»Á÷ÄÍѹ£¬£¬£¬£¬£¬£¬£¬£¬¹¤Æµ½»Á÷ÄÍѹ£¬£¬£¬£¬£¬£¬£¬£¬±äƵ½»Á÷ÄÍѹ
½ñÌì¸ú¸÷ÈË˵˵¹¤Æµ½»Á÷ÄÍѹ
2¡¢ÊÔÑé×°±¸
3¡¢×°±¸ÔÀí
Óù¤ÆµµçÔ´½ÓÈë×Ôżµ÷ѹÆ÷£¬£¬£¬£¬£¬£¬£¬£¬Ê¹Óõ÷ѹÆ÷µÄµçѹµ÷Àí£¬£¬£¬£¬£¬£¬£¬£¬ÊÕÖ§ÖÁÊÔÑé±äѹÆ÷µÄ³õ¼¶ÈÆ×飬£¬£¬£¬£¬£¬£¬£¬Æ¾Ö¤µç´Å¸ÐÓ¦ÔÀí£¬£¬£¬£¬£¬£¬£¬£¬ÔÚÊÔÑé±äѹÆ÷¸ßÑ¹ÈÆ×é¿É»ñµÃÊÔÑéËùÐèµÄ¸ßµçѹ¡£¡£¡£¡£¡£¡£¡£
4¡¢ÊÔÑéÒªÁì
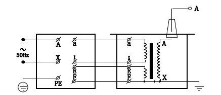
ÊÔÑé±äѹÆ÷×ö±»ÊÔÆ·µÄ¹¤ÆµÄÍѹÊÔÑéʹÓýÓÏßÔÀíͼ¼ûͼ
¹¤ÆµÄÍѹÊÔÑéÖÐÏÞÁ÷µç×èR1Ӧƾ֤ÊÔÑé±äѹÆ÷µÄ¶î¶¨ÈÝÁ¿À´Ñ¡Ôñ¡£¡£¡£¡£¡£¡£¡£Èç¸ßѹ²à¶î¶¨Êä³öµçÁ÷ÔÚ100~300mAʱ£¬£¬£¬£¬£¬£¬£¬£¬¿ÉÈ¡0.5~1Ω/V(ÊÔÑéµçѹ)£»£»£»£»£»£»¸ßѹ²à¶î¶¨Êä³öµçÁ÷Ϊ1AÒÔÉÏʱ£¬£¬£¬£¬£¬£¬£¬£¬¿ÉÈ¡1Ω/V(ÊÔÑéµçѹ)¡£¡£¡£¡£¡£¡£¡£³£ÓÃË®µç×è×÷ΪÏÞÁ÷µç×裬£¬£¬£¬£¬£¬£¬£¬¹Ü×Ó³¤¶È¿É°´150kV/m˼Á¿£¬£¬£¬£¬£¬£¬£¬£¬¹Ü×Ó´ÖϸӦ¾ßÓÐ×ã¹»µÄÈÈÈÝÁ¿(Ë®×èÒºÅäÖÆÒªÁ죺ÓÃÕôÁóË®¼ÓÈëÊÊÁ¿ÁòËáÍÅäÖÆ³ÉÖݪֲî±ðµÄ×èÖµ)¡£¡£¡£¡£¡£¡£¡£
Çò¼ä϶¼°±£»£»£»£»£»£»¤µç×裺µ±µçѹÁè¼ÝÇò¼ä϶Õû¶¨ÖµÊ±(Ò»Ñùƽ³£È¡ÊÔÑéµçѹµÄ110%~120%)£¬£¬£¬£¬£¬£¬£¬£¬Çò¼ä϶·Åµç£¬£¬£¬£¬£¬£¬£¬£¬¶Ô±»ÊÔÆ·Æðµ½±£»£»£»£»£»£»¤×÷Óᣡ£¡£¡£¡£¡£¡£Çò¼ä϶±£»£»£»£»£»£»¤µç×è¿É°´1Ω/V(ÊÔÑéµçѹ)ѡȡ¡£¡£¡£¡£¡£¡£¡£
ÔÚ¹¤ÆµÄÍѹÊÔÑéÖУ¬£¬£¬£¬£¬£¬£¬£¬µÍµçѹ²àÕÉÁ¿µçѹ(ÒDZíµçѹ)²»ÊǺÜÊÇ׼ȷµÄ£¬£¬£¬£¬£¬£¬£¬£¬ÆäÔµ¹ÊÔÓÉÊÇÓÉÓÚÊÔÑé±äѹÆ÷±£´æ×Å©¿¹£¬£¬£¬£¬£¬£¬£¬£¬ÔÚÕâ¸ö©¿¹ÉÏÒ»¶¨±£´æ×Åѹ½µ»òÈÝÉý£¬£¬£¬£¬£¬£¬£¬£¬Ê¹ÊÔÆ·ÉϵĵçѹµÍÓÚ»ò¸ßÓÚµÍѹ²àÕÉÁ¿µçѹ±íÉÏ·´Ó¦³öÀ´µÄµçѹ¡£¡£¡£¡£¡£¡£¡£¹¤ÆµÄÍѹÊÔÑéʱ£¬£¬£¬£¬£¬£¬£¬£¬±»ÊÔÆ·Éϵĵçѹ¸ßÓÚÊÔÑé±äѹÆ÷µÄÊä³öµçѹ£¬£¬£¬£¬£¬£¬£¬£¬Ò²¾ÍÊÇËùνÈÝÉýÕ÷Ï󡣡£¡£¡£¡£¡£¡£¸ÐÓ¦ÄÍѹÊÔÑéʱ£¬£¬£¬£¬£¬£¬£¬£¬ÊÔÑé±äѹÆ÷µÄ©¿¹Ò»¶¨±£´æ×Åѹ½µ¡£¡£¡£¡£¡£¡£¡£ÎªÁË׼ȷÕÉÁ¿±»ÊÔÆ·ÉÏËùÊ©¼ÓµÄµçѹ£¬£¬£¬£¬£¬£¬£¬£¬Òò´Ë³£ÔÚ¸ßѹ²à½ÓÈë×èÈÝ·ÖѹÆ÷À´ÕÉÁ¿µçѹ¡£¡£¡£¡£¡£¡£¡£
5¡¢×¢ÖØÊÂÏî
ÊÔÑéÖ°Ô±Ó¦×öºÃ·Ö¹¤£¬£¬£¬£¬£¬£¬£¬£¬Ã÷È·Ï໥¼äÁªÏµÒªÁì¡£¡£¡£¡£¡£¡£¡£²¢ÓÐרÃÅÈ˼໤ÏÖ³¡Çå¾²¼°ÊÓ²ìÊÔÆ·×´Ì¬¡£¡£¡£¡£¡£¡£¡£
±»ÊÔÆ·Ó¦ÏÈÇåɨÇå½à£¬£¬£¬£¬£¬£¬£¬£¬²¢¾ø¶Ô¸ÉÔ£¬£¬£¬£¬£¬£¬£¬ÒÔÃâË𻵱»ÊÔÆ·ºÍÊÔÑé´øÀ´µÄÎó²î¡£¡£¡£¡£¡£¡£¡£
¹ØÓÚ´óÐÍÊÔÑ飬£¬£¬£¬£¬£¬£¬£¬Ò»Ñùƽ³£¶¼Ó¦ÏȾÙÐпÕÉýÊÔÑé¡£¡£¡£¡£¡£¡£¡£¼´²»½ÓÊÔÆ·Ê±ÉýѹÖÁÊÔÑéµçѹ£¬£¬£¬£¬£¬£¬£¬£¬Ð£¶ÔÖÖÖÖ±í¼Æ£¬£¬£¬£¬£¬£¬£¬£¬µ÷½âÇò¼ä϶¡£¡£¡£¡£¡£¡£¡£
ÉýѹËÙÂʲ»¿ÉÌ«¿ì£¬£¬£¬£¬£¬£¬£¬£¬²¢±ØÐè±ÜÃâͻȻ¼Óѹ¡£¡£¡£¡£¡£¡£¡£ÀýÈçµ÷ѹÆ÷²»ÔÚÁãλʱͻȻºÏÕ¢¡£¡£¡£¡£¡£¡£¡£Ò²²»¿ÉͻȻÇжϵçÔ´£¬£¬£¬£¬£¬£¬£¬£¬Ò»Ñùƽ³£Ó¦ÔÚµ÷ѹÆ÷½µÖÁÁãλʱÀÕ¢¡£¡£¡£¡£¡£¡£¡£
µ±µçѹÉýÖÁÊÔÑéµçѹʱ£¬£¬£¬£¬£¬£¬£¬£¬×îÏȼÆÊ±£¬£¬£¬£¬£¬£¬£¬£¬µ½1minºó£¬£¬£¬£¬£¬£¬£¬£¬Ñ¸ËÙ½µÑ¹µ½1/3ÊÔÑéµçѹÒÔÏÂʱ£¬£¬£¬£¬£¬£¬£¬£¬²Å»ªÀ¿ªµçÔ´¡£¡£¡£¡£¡£¡£¡£
ÔÚÉýѹ»òÄÍѹÊÔÑéÀú³ÌÖУ¬£¬£¬£¬£¬£¬£¬£¬Èç·¢Ã÷ÏÂÁв»Õý³£ÇéÐÎʱ£¬£¬£¬£¬£¬£¬£¬£¬Ó¦Á¬Ã¦½µÑ¹£¬£¬£¬£¬£¬£¬£¬£¬ÇжϵçÔ´¡£¡£¡£¡£¡£¡£¡£×èÖ¹ÊÔÑé²¢²éÃ÷Ôµ¹ÊÔÓÉ£º¢Ùµçѹ±íÖ¸Õë°Ú¶¯ºÜ´ó£»£»£»£»£»£»¢Ú·¢Ã÷¾øÔµÉÕ½¹»òðÑÌ£»£»£»£»£»£»¢Û±»ÊÔÆ·ÄÚÓв»Õý³£µÄÉùÒô¡£¡£¡£¡£¡£¡£¡£
ÄÍѹÊÔÑéǰºóÓ¦ÕÉÁ¿¾øÔµµç×裬£¬£¬£¬£¬£¬£¬£¬¼ì²é¾øÔµÇéÐΡ£¡£¡£¡£¡£¡£¡£
×°±¸ÈÝÁ¿Ñ¡Ôñ£º
±ê³ÆÊÔÑé±äѹÆ÷ÈÝÁ¿Pn¼òÖ±¶¨¹«Ê½£º
Pn=kVn 2ωCt×10-9
ʽÖУº
Pn——±ê³ÆÊÔÑé±äѹÆ÷ÈÝÁ¿(kVA)
Vn——ÊÔÑé±äѹÆ÷µÄ¶î¶¨Êä³ö¸ßѹµÄÓÐÓÃÖµ(kV)
k ——Ç徲ϵÊý¡£¡£¡£¡£¡£¡£¡£k≥1£¬£¬£¬£¬£¬£¬£¬£¬±ê³ÆµçѹVn≥1MVʱ£¬£¬£¬£¬£¬£¬£¬£¬k=2£»£»£»£»£»£»±ê³Æµçѹ½ÏµÍʱ£¬£¬£¬£¬£¬£¬£¬£¬kÖµ¿ÉÈ¡¸ßһЩ¡£¡£¡£¡£¡£¡£¡£
Ct——±»ÊÔÆ·µÄµçÈÝÁ¿(pF)
ω——½ÇƵÂÊ£¬£¬£¬£¬£¬£¬£¬£¬ω=2πf£¬£¬£¬£¬£¬£¬£¬£¬ f——ÊÔÑéµçÔ´µÄƵÂÊ
±»ÊÔ×°±¸µÄµçÈÝÁ¿Ct¿ÉÓɽ»Á÷µçÇŲâ³ö¡£¡£¡£¡£¡£¡£¡£CtµÄת±äºÜ´ó£¬£¬£¬£¬£¬£¬£¬£¬¿ÉÓÉ×°±¸µÄÀàÐͶø¶¨¡£¡£¡£¡£¡£¡£¡£
µä·¶Êý¾ÝÈçÏ£º
¼òÆÓµÄ°ôʽ»òÐüʽ¾øÔµ×Ó ¼¸Ê®Î¢·¨
¼òÆÓµÄ·Ö¼¶Ì×¹Ü 100~1000pF
µçѹ»¥¸ÐÆ÷ 200 ~ 500pF
µçÁ¦±äѹÆ÷ < 1000kVA ~1000pF
> 1000kVA 1000~10000pF
¸ßѹµçÁ¦µçÀºÍÓͽþÖ½¾øÔµ 250~300pF/m
ÆøÌå¾øÔµ ~60pF/m
¹Ø±Õ±äµçÕ¾£¬£¬£¬£¬£¬£¬£¬£¬SF6ÆøÌå¾øÔµ 100~10000Pf;
¹ØÓÚ²î±ðµÄÊÔÑéµçѹVn£¬£¬£¬£¬£¬£¬£¬£¬Ñ¡Ôñ²î±ðµÄ(Êʵ±µÄ)Ç徲ϵÊýk¡£¡£¡£¡£¡£¡£¡£
ÒÔÏÂÁгö²î±ðµÄVnËùÑ¡ÓõÄkÖµ¹©²Î¿¼¡£¡£¡£¡£¡£¡£¡£
Vn =50~100kV k = 4
Vn =150~300kV k = 3
Vn > 300kV k = 2
½»Á÷ÄÍѹÊÔÑ鹨ÓÚÀο¿Óлú¾øÔµÀ´ËµÊôÓÚÆÆËðÐÔÊÔÑ飬£¬£¬£¬£¬£¬£¬£¬Ëü»áʹÔÀ´±£´æµÄ¾øÔµÈõµã½øÒ»²½Éú³¤£¬£¬£¬£¬£¬£¬£¬£¬Ê¹¾øÔµÇ¿¶ÈÖð½¥½µµÍ£¬£¬£¬£¬£¬£¬£¬£¬ÐγɾøÔµÄÚ²¿ÁÓ»¯µÄÀÛ»ýЧӦ¡£¡£¡£¡£¡£¡£¡£Òò´Ë£¬£¬£¬£¬£¬£¬£¬£¬ÔÚ¾ÙÐн»Á÷ÄÍѹÊÔÑéǰ£¬£¬£¬£¬£¬£¬£¬£¬±ØÐè¶Ô±»ÊÔ×°±¸ÏȾÙÐоøÔµµç×è¡¢ÎüÊձȡ¢Ð¹Ð¹µçÁ÷¡¢½éÖÊËðʧ½ÇµÈÏîÄ¿µÄÊÔÑé¡£¡£¡£¡£¡£¡£¡£ÊÔÑéЧ¹ûÕý³££¬£¬£¬£¬£¬£¬£¬£¬·½ÄܾÙÐн»Á÷ÄÍѹÊÔÑ飻£»£»£»£»£»Èô·¢Ã÷×°±¸¾øÔµ×´Ì¬²»Á¼£¬£¬£¬£¬£¬£¬£¬£¬±ØÐèÏȾÙÐд¦Öóͷ£ºóÔÙ×öÄÍѹÊÔÑ飬£¬£¬£¬£¬£¬£¬£¬×èÖ¹Ôì³É²»Ó¦ÓеľøÔµ»÷´©¡£¡£¡£¡£¡£¡£¡£Í¬Ê±±ØÐè׼ȷµØÑ¡ÔñÊÔÑéµçѹºÍÄÍѹʱ¼ä¡£¡£¡£¡£¡£¡£¡£
½»Á÷ÄÍѹ·ÖΪ£º0.1Hz³¬µÍƵ½»Á÷ÄÍѹ£¬£¬£¬£¬£¬£¬£¬£¬¹¤Æµ½»Á÷ÄÍѹ£¬£¬£¬£¬£¬£¬£¬£¬±äƵ½»Á÷ÄÍѹ
½ñÌì¸ú¸÷ÈË˵˵¹¤Æµ½»Á÷ÄÍѹ
2¡¢ÊÔÑé×°±¸

3¡¢×°±¸ÔÀí
Óù¤ÆµµçÔ´½ÓÈë×Ôżµ÷ѹÆ÷£¬£¬£¬£¬£¬£¬£¬£¬Ê¹Óõ÷ѹÆ÷µÄµçѹµ÷Àí£¬£¬£¬£¬£¬£¬£¬£¬ÊÕÖ§ÖÁÊÔÑé±äѹÆ÷µÄ³õ¼¶ÈÆ×飬£¬£¬£¬£¬£¬£¬£¬Æ¾Ö¤µç´Å¸ÐÓ¦ÔÀí£¬£¬£¬£¬£¬£¬£¬£¬ÔÚÊÔÑé±äѹÆ÷¸ßÑ¹ÈÆ×é¿É»ñµÃÊÔÑéËùÐèµÄ¸ßµçѹ¡£¡£¡£¡£¡£¡£¡£

4¡¢ÊÔÑéÒªÁì
ÊÔÑé±äѹÆ÷×ö±»ÊÔÆ·µÄ¹¤ÆµÄÍѹÊÔÑéʹÓýÓÏßÔÀíͼ¼ûͼ

¹¤ÆµÄÍѹÊÔÑéÖÐÏÞÁ÷µç×èR1Ӧƾ֤ÊÔÑé±äѹÆ÷µÄ¶î¶¨ÈÝÁ¿À´Ñ¡Ôñ¡£¡£¡£¡£¡£¡£¡£Èç¸ßѹ²à¶î¶¨Êä³öµçÁ÷ÔÚ100~300mAʱ£¬£¬£¬£¬£¬£¬£¬£¬¿ÉÈ¡0.5~1Ω/V(ÊÔÑéµçѹ)£»£»£»£»£»£»¸ßѹ²à¶î¶¨Êä³öµçÁ÷Ϊ1AÒÔÉÏʱ£¬£¬£¬£¬£¬£¬£¬£¬¿ÉÈ¡1Ω/V(ÊÔÑéµçѹ)¡£¡£¡£¡£¡£¡£¡£³£ÓÃË®µç×è×÷ΪÏÞÁ÷µç×裬£¬£¬£¬£¬£¬£¬£¬¹Ü×Ó³¤¶È¿É°´150kV/m˼Á¿£¬£¬£¬£¬£¬£¬£¬£¬¹Ü×Ó´ÖϸӦ¾ßÓÐ×ã¹»µÄÈÈÈÝÁ¿(Ë®×èÒºÅäÖÆÒªÁ죺ÓÃÕôÁóË®¼ÓÈëÊÊÁ¿ÁòËáÍÅäÖÆ³ÉÖݪֲî±ðµÄ×èÖµ)¡£¡£¡£¡£¡£¡£¡£
Çò¼ä϶¼°±£»£»£»£»£»£»¤µç×裺µ±µçѹÁè¼ÝÇò¼ä϶Õû¶¨ÖµÊ±(Ò»Ñùƽ³£È¡ÊÔÑéµçѹµÄ110%~120%)£¬£¬£¬£¬£¬£¬£¬£¬Çò¼ä϶·Åµç£¬£¬£¬£¬£¬£¬£¬£¬¶Ô±»ÊÔÆ·Æðµ½±£»£»£»£»£»£»¤×÷Óᣡ£¡£¡£¡£¡£¡£Çò¼ä϶±£»£»£»£»£»£»¤µç×è¿É°´1Ω/V(ÊÔÑéµçѹ)ѡȡ¡£¡£¡£¡£¡£¡£¡£
ÔÚ¹¤ÆµÄÍѹÊÔÑéÖУ¬£¬£¬£¬£¬£¬£¬£¬µÍµçѹ²àÕÉÁ¿µçѹ(ÒDZíµçѹ)²»ÊǺÜÊÇ׼ȷµÄ£¬£¬£¬£¬£¬£¬£¬£¬ÆäÔµ¹ÊÔÓÉÊÇÓÉÓÚÊÔÑé±äѹÆ÷±£´æ×Å©¿¹£¬£¬£¬£¬£¬£¬£¬£¬ÔÚÕâ¸ö©¿¹ÉÏÒ»¶¨±£´æ×Åѹ½µ»òÈÝÉý£¬£¬£¬£¬£¬£¬£¬£¬Ê¹ÊÔÆ·ÉϵĵçѹµÍÓÚ»ò¸ßÓÚµÍѹ²àÕÉÁ¿µçѹ±íÉÏ·´Ó¦³öÀ´µÄµçѹ¡£¡£¡£¡£¡£¡£¡£¹¤ÆµÄÍѹÊÔÑéʱ£¬£¬£¬£¬£¬£¬£¬£¬±»ÊÔÆ·Éϵĵçѹ¸ßÓÚÊÔÑé±äѹÆ÷µÄÊä³öµçѹ£¬£¬£¬£¬£¬£¬£¬£¬Ò²¾ÍÊÇËùνÈÝÉýÕ÷Ï󡣡£¡£¡£¡£¡£¡£¸ÐÓ¦ÄÍѹÊÔÑéʱ£¬£¬£¬£¬£¬£¬£¬£¬ÊÔÑé±äѹÆ÷µÄ©¿¹Ò»¶¨±£´æ×Åѹ½µ¡£¡£¡£¡£¡£¡£¡£ÎªÁË׼ȷÕÉÁ¿±»ÊÔÆ·ÉÏËùÊ©¼ÓµÄµçѹ£¬£¬£¬£¬£¬£¬£¬£¬Òò´Ë³£ÔÚ¸ßѹ²à½ÓÈë×èÈÝ·ÖѹÆ÷À´ÕÉÁ¿µçѹ¡£¡£¡£¡£¡£¡£¡£
5¡¢×¢ÖØÊÂÏî
ÊÔÑéÖ°Ô±Ó¦×öºÃ·Ö¹¤£¬£¬£¬£¬£¬£¬£¬£¬Ã÷È·Ï໥¼äÁªÏµÒªÁì¡£¡£¡£¡£¡£¡£¡£²¢ÓÐרÃÅÈ˼໤ÏÖ³¡Çå¾²¼°ÊÓ²ìÊÔÆ·×´Ì¬¡£¡£¡£¡£¡£¡£¡£
±»ÊÔÆ·Ó¦ÏÈÇåɨÇå½à£¬£¬£¬£¬£¬£¬£¬£¬²¢¾ø¶Ô¸ÉÔ£¬£¬£¬£¬£¬£¬£¬ÒÔÃâË𻵱»ÊÔÆ·ºÍÊÔÑé´øÀ´µÄÎó²î¡£¡£¡£¡£¡£¡£¡£
¹ØÓÚ´óÐÍÊÔÑ飬£¬£¬£¬£¬£¬£¬£¬Ò»Ñùƽ³£¶¼Ó¦ÏȾÙÐпÕÉýÊÔÑé¡£¡£¡£¡£¡£¡£¡£¼´²»½ÓÊÔÆ·Ê±ÉýѹÖÁÊÔÑéµçѹ£¬£¬£¬£¬£¬£¬£¬£¬Ð£¶ÔÖÖÖÖ±í¼Æ£¬£¬£¬£¬£¬£¬£¬£¬µ÷½âÇò¼ä϶¡£¡£¡£¡£¡£¡£¡£
ÉýѹËÙÂʲ»¿ÉÌ«¿ì£¬£¬£¬£¬£¬£¬£¬£¬²¢±ØÐè±ÜÃâͻȻ¼Óѹ¡£¡£¡£¡£¡£¡£¡£ÀýÈçµ÷ѹÆ÷²»ÔÚÁãλʱͻȻºÏÕ¢¡£¡£¡£¡£¡£¡£¡£Ò²²»¿ÉͻȻÇжϵçÔ´£¬£¬£¬£¬£¬£¬£¬£¬Ò»Ñùƽ³£Ó¦ÔÚµ÷ѹÆ÷½µÖÁÁãλʱÀÕ¢¡£¡£¡£¡£¡£¡£¡£
µ±µçѹÉýÖÁÊÔÑéµçѹʱ£¬£¬£¬£¬£¬£¬£¬£¬×îÏȼÆÊ±£¬£¬£¬£¬£¬£¬£¬£¬µ½1minºó£¬£¬£¬£¬£¬£¬£¬£¬Ñ¸ËÙ½µÑ¹µ½1/3ÊÔÑéµçѹÒÔÏÂʱ£¬£¬£¬£¬£¬£¬£¬£¬²Å»ªÀ¿ªµçÔ´¡£¡£¡£¡£¡£¡£¡£
ÔÚÉýѹ»òÄÍѹÊÔÑéÀú³ÌÖУ¬£¬£¬£¬£¬£¬£¬£¬Èç·¢Ã÷ÏÂÁв»Õý³£ÇéÐÎʱ£¬£¬£¬£¬£¬£¬£¬£¬Ó¦Á¬Ã¦½µÑ¹£¬£¬£¬£¬£¬£¬£¬£¬ÇжϵçÔ´¡£¡£¡£¡£¡£¡£¡£×èÖ¹ÊÔÑé²¢²éÃ÷Ôµ¹ÊÔÓÉ£º¢Ùµçѹ±íÖ¸Õë°Ú¶¯ºÜ´ó£»£»£»£»£»£»¢Ú·¢Ã÷¾øÔµÉÕ½¹»òðÑÌ£»£»£»£»£»£»¢Û±»ÊÔÆ·ÄÚÓв»Õý³£µÄÉùÒô¡£¡£¡£¡£¡£¡£¡£
ÄÍѹÊÔÑéǰºóÓ¦ÕÉÁ¿¾øÔµµç×裬£¬£¬£¬£¬£¬£¬£¬¼ì²é¾øÔµÇéÐΡ£¡£¡£¡£¡£¡£¡£
×°±¸ÈÝÁ¿Ñ¡Ôñ£º
±ê³ÆÊÔÑé±äѹÆ÷ÈÝÁ¿Pn¼òÖ±¶¨¹«Ê½£º
Pn=kVn 2ωCt×10-9
ʽÖУº
Pn——±ê³ÆÊÔÑé±äѹÆ÷ÈÝÁ¿(kVA)
Vn——ÊÔÑé±äѹÆ÷µÄ¶î¶¨Êä³ö¸ßѹµÄÓÐÓÃÖµ(kV)
k ——Ç徲ϵÊý¡£¡£¡£¡£¡£¡£¡£k≥1£¬£¬£¬£¬£¬£¬£¬£¬±ê³ÆµçѹVn≥1MVʱ£¬£¬£¬£¬£¬£¬£¬£¬k=2£»£»£»£»£»£»±ê³Æµçѹ½ÏµÍʱ£¬£¬£¬£¬£¬£¬£¬£¬kÖµ¿ÉÈ¡¸ßһЩ¡£¡£¡£¡£¡£¡£¡£
Ct——±»ÊÔÆ·µÄµçÈÝÁ¿(pF)
ω——½ÇƵÂÊ£¬£¬£¬£¬£¬£¬£¬£¬ω=2πf£¬£¬£¬£¬£¬£¬£¬£¬ f——ÊÔÑéµçÔ´µÄƵÂÊ
±»ÊÔ×°±¸µÄµçÈÝÁ¿Ct¿ÉÓɽ»Á÷µçÇŲâ³ö¡£¡£¡£¡£¡£¡£¡£CtµÄת±äºÜ´ó£¬£¬£¬£¬£¬£¬£¬£¬¿ÉÓÉ×°±¸µÄÀàÐͶø¶¨¡£¡£¡£¡£¡£¡£¡£
µä·¶Êý¾ÝÈçÏ£º
¼òÆÓµÄ°ôʽ»òÐüʽ¾øÔµ×Ó ¼¸Ê®Î¢·¨
¼òÆÓµÄ·Ö¼¶Ì×¹Ü 100~1000pF
µçѹ»¥¸ÐÆ÷ 200 ~ 500pF
µçÁ¦±äѹÆ÷ < 1000kVA ~1000pF
> 1000kVA 1000~10000pF
¸ßѹµçÁ¦µçÀºÍÓͽþÖ½¾øÔµ 250~300pF/m
ÆøÌå¾øÔµ ~60pF/m
¹Ø±Õ±äµçÕ¾£¬£¬£¬£¬£¬£¬£¬£¬SF6ÆøÌå¾øÔµ 100~10000Pf;
¹ØÓÚ²î±ðµÄÊÔÑéµçѹVn£¬£¬£¬£¬£¬£¬£¬£¬Ñ¡Ôñ²î±ðµÄ(Êʵ±µÄ)Ç徲ϵÊýk¡£¡£¡£¡£¡£¡£¡£
ÒÔÏÂÁгö²î±ðµÄVnËùÑ¡ÓõÄkÖµ¹©²Î¿¼¡£¡£¡£¡£¡£¡£¡£
Vn =50~100kV k = 4
Vn =150~300kV k = 3
Vn > 300kV k = 2

