
ÊÖ»ú£ºÍô˾Àí15802760502
ÓÊÏ䣺hezi027@qq.com
QQ£º3212587206
µØµã£ºÎ人Êй¤¾ßºþÇø´´¹È·20ºÅ¿Æ´´ÖÐÐÄ22¶°
- 1¸É»õ·ÖÏíØ¾Ö·ÅÆÁÕÏÊұȵç´ÅÆÁÕÏÊÒÒªÇó¸ü¸ß
- 2¸É»õ·ÖÏíØÎ人Öйú¡¤½ðɳ³Çjs93Ïß·¼ì²âÖÐÐÄ(¹É·Ý)ÓÐÏÞ¹«Ë¾-¹Ù·½ÍøÕ¾²úÆ·ÓÅÊÆ
- 3¸É»õ·ÖÏíØÎ人Öйú¡¤½ðɳ³Çjs93Ïß·¼ì²âÖÐÐÄ(¹É·Ý)ÓÐÏÞ¹«Ë¾-¹Ù·½ÍøÕ¾Çå¾²¹¤Óþ߲úÆ·ÓÅÊÆ
- 4¸É»õ·ÖÏíØÎ人Öйú¡¤½ðɳ³Çjs93Ïß·¼ì²âÖÐÐÄ(¹É·Ý)ÓÐÏÞ¹«Ë¾-¹Ù·½ÍøÕ¾¾Ö·ÅÒDzî±ð¼°ÓÅÊÆ
- 5¸É»õ·ÖÏíØÎ人Öйú¡¤½ðɳ³Çjs93Ïß·¼ì²âÖÐÐÄ(¹É·Ý)ÓÐÏÞ¹«Ë¾-¹Ù·½ÍøÕ¾ÎÞ¾Ö·ÅÄÍѹ²âÊÔϵͳÓÅÊÆ
- 6¸É»õ·ÖÏíØÎ人Öйú¡¤½ðɳ³Çjs93Ïß·¼ì²âÖÐÐÄ(¹É·Ý)ÓÐÏÞ¹«Ë¾-¹Ù·½ÍøÕ¾À׵繥»÷²âÊÔϵͳÓÅÊÆ
- 7HZHL-400A-I ÈýÏàÖÇÄÜ»ØÂ·µç×è²âÊÔÒDZܿÓÖ¸ÄÏ
- 8¸É»õ·ÖÏíØÖйú¡¤½ðɳ³Çjs93Ïß·¼ì²âÖÐÐÄ(¹É·Ý)ÓÐÏÞ¹«Ë¾-¹Ù·½ÍøÕ¾´óµçÁ÷ÎÂÉýϵͳÓÅÊÆ
- 9HZJB-MS È«×Ô¶¯SF6Ãܶȼ̵çÆ÷УÑéÒDZܿÓÖ¸ÄÏ
- 10¸É»õ·ÖÏíØ¼Ìµç±£»£»£»£»£»¤·´Ê¹ʲ½·¥Åàѵ
Ö±Á÷¸ßѹ±¬·¢Æ÷²Ù×÷°ì·¨¼°Í¼½â-Öйú¡¤½ðɳ³Çjs93Ïß·¼ì²âÖÐÐÄ(¹É·Ý)ÓÐÏÞ¹«Ë¾-¹Ù·½ÍøÕ¾
¡¡¡¡Ö±Á÷¸ßѹ±¬·¢Æ÷²Ù×÷°ì·¨
¡¡¡¡Ö±Á÷¸ßѹ±¬·¢Æ÷


¡¡¡¡Èç×öÈÝÐÔ¸ºÔØÊ±£¬£¬£¬£¬£¬£¬Ó¦½ÓÈëÏÞÁ÷µç×è
¡¡¡¡1ÊÔÑéÆ÷ÔÚʹÓÃǰӦ¼ì²éÆäÍêºÃÐÔ£¬£¬£¬£¬£¬£¬Áª½ÓµçÀ²»Ó¦ÓжÏ·ºÍ¶Ì·£¬£¬£¬£¬£¬£¬×°±¸ÎÞÆÆËéµÈË𻵡£¡£¡£¡£¡£¡£¡£¡£
¡¡¡¡2.½«»úÏä¡¢±¶Ñ¹Í²°²Åŵ½ºÏÊÊλÖû®·ÖÁª½ÓºÃµçÔ´Ïß¡¢µçÀÂÏߺͽӵØÏߣ¬£¬£¬£¬£¬£¬±£»£»£»£»£»¤½ÓµØÏßÓëÊÂÇé½ÓµØÏßÒÔ¼°·Åµç°ôµÄ½ÓµØÏß¾ùÓ¦µ¥¶À½Óµ½ÊÔÆ·µÄµØÏßÉÏ(¼´Ò»µã½ÓµØ)¡£¡£¡£¡£¡£¡£¡£¡£ÑϽû¸÷½ÓµØÏßÏ໥´®Áª¡£¡£¡£¡£¡£¡£¡£¡£Îª´Ë£¬£¬£¬£¬£¬£¬Ó¦Ê¹ÓÃDHV***½ÓµØÏß¡£¡£¡£¡£¡£¡£¡£¡£
¡¡¡¡3.µçÔ´¿ª¹Ø·ÅÔڹضÏλÖò¢¼ì²éµ÷ѹµçλÆ÷Ó¦ÔÚÁãλ¡£¡£¡£¡£¡£¡£¡£¡£¹ýµçѹ±£»£»£»£»£»¤Õû¶¨ÖµÒ»Ñùƽ³£ÎªÊÔÑéµçѹµÄ1.1±¶¡£¡£¡£¡£¡£¡£¡£¡£
¡¡¡¡4.¿ÕÔØÉýѹÑéÖ¤¹ýµçѹ±£»£»£»£»£»¤Õû¶¨ÊÇ·ñѸËÙ¡£¡£¡£¡£¡£¡£¡£¡£
¡¡¡¡5.½ÓͨµçÔ´¿ª¹Ø£¬£¬£¬£¬£¬£¬´ËʱºìµÆÁÁ£¬£¬£¬£¬£¬£¬ÌåÏÖµçÔ´½Óͨ¡£¡£¡£¡£¡£¡£¡£¡£
¡¡¡¡6.°´ÂÌÉ«°´Å¥£¬£¬£¬£¬£¬£¬ÔòÂ̵ÆÁÁ£¬£¬£¬£¬£¬£¬ÌåÏÖ¸ßѹ½Óͨ¡£¡£¡£¡£¡£¡£¡£¡£
¡¡¡¡7.˳ʱÕëÆ«Ïòƽ»ºµ÷Àíµ÷ѹµçλÆ÷£¬£¬£¬£¬£¬£¬Êä³ö¶Ë¼´´ÓÁã×îÏÈÉýѹ£¬£¬£¬£¬£¬£¬ÉýÖÁËùÐèµçѹºó£¬£¬£¬£¬£¬£¬°´»®×¼Ê±¼ä¼Í¼µçÁ÷±í¶ÁÊý£¬£¬£¬£¬£¬£¬²¢¼ì²é¿ØÖÆÏä¼°¸ßѹÊä³öÏßÓÐÎÞÒì³£Õ÷Ïó¼°ÉùÏì¡£¡£¡£¡£¡£¡£¡£¡£
¡¡¡¡8.½µÑ¹£¬£¬£¬£¬£¬£¬½«µ÷ѹµçλÆ÷»ØÁãºó£¬£¬£¬£¬£¬£¬Ëæ¼´°´ºìÉ«°´Å¥£¬£¬£¬£¬£¬£¬Çжϸßѹ²¢¹Ø±ÕµçÔ´¿ª¹Ø¡£¡£¡£¡£¡£¡£¡£¡£
¡¡¡¡9.¶ÔÊÔÆ·¾ÙÐÐ×ß©¼°Ö±Á÷ÄÍѹÊÔÑé¡£¡£¡£¡£¡£¡£¡£¡£ÔÚ¾ÙÐмì²éÊÔÑéÈ·ÈÏÊÔÑéÆ÷ÎÞÒì³£ÇéÐκ󣬣¬£¬£¬£¬£¬¼´¿É×îÏȾÙÐÐÊÔÆ·µÄ×ß©¼°Ö±Á÷ÄÍѹÊÔÑé¡£¡£¡£¡£¡£¡£¡£¡£½«ÊÔÆ·¡¢µØÏßµÈÁª½ÓºÃ£¬£¬£¬£¬£¬£¬¼ì²éÎÞÎóºó¼´·¿ªµçÔ´¡£¡£¡£¡£¡£¡£¡£¡£
¡¡¡¡10.ÉýѹÖÁËùÐèµçѹ»òµçÁ÷¡£¡£¡£¡£¡£¡£¡£¡£ÉýѹËÙÂÊÒÔÿÃë3—5kVÊÔÑéµçѹΪÒË¡£¡£¡£¡£¡£¡£¡£¡£¹ØÓÚ´óµçÈÝÊÔÆ·Éýѹʱ»¹Ðè¼àÊÓµçÁ÷±í³äµçµçÁ÷²»Áè¼ÝÊÔÑéÆ÷µÄz´ó³äµçµçÁ÷¡£¡£¡£¡£¡£¡£¡£¡£¶ÔСµçÈÝÊÔÆ·ÈçÑõ»¯Ð¿±ÜÀׯ÷¡¢´Å´µ±ÜÀׯ÷µÈÏÈÉýÖÁËùÐèµçѹ(µçÁ÷)µÄ95%£¬£¬£¬£¬£¬£¬ÔÙ»ºÂý×ÐϸÉýÖÁËùÐèµÄµçѹ(µçÁ÷)¡£¡£¡£¡£¡£¡£¡£¡£È»ºó´ÓÊýÏÔ±íÉ϶Á³öµçѹ(µçÁ÷)Öµ¡£¡£¡£¡£¡£¡£¡£¡£ÈçÐè¶ÔÑõ»¯Ð¿±ÜÀׯ÷¾ÙÐÐ0.75UDC—1mAÕÉÁ¿Ê±£¬£¬£¬£¬£¬£¬ÏÈÉýÖÁUDC1mAµçѹֵ£¬£¬£¬£¬£¬£¬È»ºó°´Ï»ÆÉ«°´Å¥£¬£¬£¬£¬£¬£¬´Ëʱµçѹ¼´½µÖÁÔÀ´µÄ75%£¬£¬£¬£¬£¬£¬²¢¼á³Ö´Ë״̬¡£¡£¡£¡£¡£¡£¡£¡£´Ëʱ¿É¶ÁÈ¡µçÁ÷¡£¡£¡£¡£¡£¡£¡£¡£ÕÉÁ¿Íê±Ïºó£¬£¬£¬£¬£¬£¬µ÷ѹµçλÆ÷ÄæÊ±Õë»Øµ½Á㣬£¬£¬£¬£¬£¬°´ÏÂÂÌÉ«°´Å¥¡£¡£¡£¡£¡£¡£¡£¡£ÐèÔÙ´ÎÉýѹʱ°´ÂÌÉ«°´Å¥¼´¿É¡£¡£¡£¡£¡£¡£¡£¡£
¡¡¡¡ÐëҪʱÓÃÍâ½Ó¸ßѹ·ÖѹÆ÷±È¶Ô¿ØÖÆÏäÉϵĵçѹ¡£¡£¡£¡£¡£¡£¡£¡£
¡¡¡¡11.ÊÔÑéÍê±Ï£¬£¬£¬£¬£¬£¬½µÑ¹£¬£¬£¬£¬£¬£¬¹Ø±ÕµçÔ´¡£¡£¡£¡£¡£¡£¡£¡£
¡¡¡¡12.¼¸ÖÖÕÉÁ¿ÒªÁì
¡¡¡¡a.Ò»Ñùƽ³£ÕÉÁ¿Ê±£¬£¬£¬£¬£¬£¬µ±½ÓºÃÏߺ󣬣¬£¬£¬£¬£¬ÏȰÑÁª½ÓÊÔÆ·µÄÏßÐü¿Õ£¬£¬£¬£¬£¬£¬Éýµ½ÊÔÑéµçѹºó¶ÁÈ¡¿ÕÊÔʱµÄµçÔκÍÔÓÉ¢µçÁ÷I£¬£¬£¬£¬£¬£¬È»ºó½ÓÉÏÊÔÆ·Éýµ½ÊÔÑéµçѹ¶ÁÈ¡×ܵçÁ÷¢ñ1;ÊÔÆ·Ð¹Ð¹µçÁ÷£ºIo=¢ñ1—I’
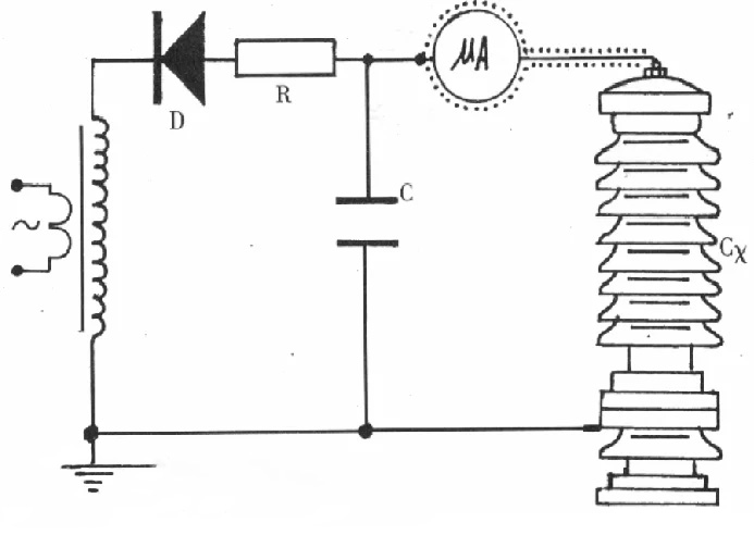
¡¡¡¡b.µ±ÐèÒªjzÕÉÁ¿±»ÊÔÆ·Ð¹Ð¹µçÁ÷ʱ£¬£¬£¬£¬£¬£¬ÔòÓ¦ÔÚ¸ßѹ²à´®Èë¸ßѹ΢°²±í(¼ûÏÂͼ)
¡¡¡¡Î¢°²±í½ÓÈëÊÔÆ·CX¸ßѹ²à½ÓÏßͼ
¡¡¡¡Î¢°²±í±ØÐèÓнðÊôÆÁÕÏ£¬£¬£¬£¬£¬£¬Ó¦½ÓÄÉÆÁÕÏÏßÓëÊÔÆ·Áª½Ó¡£¡£¡£¡£¡£¡£¡£¡£¸ßѹÒýÏߵįÁÕÏÒý³öÓ¦ÓëÒDZí¶ËµÄÆÁÕÏϸÃÜÁª½Ó¡£¡£¡£¡£¡£¡£¡£¡£ÈôÊÇÊÔÆ·ÍâòëçÅHҪɨ³ýÊÔÆ·ÍâòййµçÁ÷µÄÓ°Ïì¿ÉÔÚÊÔÆ·¸ßµçλ¶ËÓÃÂã½ðÊôÈíÏßϸÃÜÈÆ¼¸È¦ºóÓë¸ßѹÒýÏߵįÁÕÏÏàÁª½Ó(¼ûÏÂͼ)¡£¡£¡£¡£¡£¡£¡£¡£


¡¡¡¡c.¶ÔÑõ»¯Ð¿¡¢´Å´µ±ÜÀׯ÷µÈÊÔÆ·½ÓµØ¶Ë¿É²ð¿ªµÄÇéÐÎÏ£¬£¬£¬£¬£¬£¬Ò²¿É½ÓÄÉÔÚÊÔÆ·µÄµ×²¿(µØµçλ²à)´®ÈëµçÁ÷±í¾ÙÐÐÕÉÁ¿µÄ·½·¨¡£¡£¡£¡£¡£¡£¡£¡£µ±ÒªÉ¨³ýÊÔÆ·ÍâòййµçÁ÷µÄÓ°Ï죬£¬£¬£¬£¬£¬¿ÉÓÃÈíµÄÂãÍÏßÔÚÊÔÆ·µØµçλ¶ËÈÆÉϼ¸È¦²¢ÓëÆÁÕÏÏߵįÁÕÏÏàÁª½Ó(¼ûÏÂͼ)


¡¡¡¡13.¹ØÓÚÑõ»¯Ð¿±ÜÀׯ÷µÈСµçÈÝÊÔÆ·Ò»Ñùƽ³£Í¨¹ý²âѹµç×è·Åµçʱ¼äºÜ¿ì¡£¡£¡£¡£¡£¡£¡£¡£¶ø¶ÔµçÀµȴóµçÈÝÊÔÆ·Ò»Ñùƽ³£Òª´ýÊÔÆ·µçѹ×ԷŵçÖÁÊÔÑéµçѹµÄ20%ÒÔÏ£¬£¬£¬£¬£¬£¬ÔÙͨ¹ýÅäÌ׵ķŵç°ô¾ÙÐзŵ硣¡£¡£¡£¡£¡£¡£¡£´ýÊÔÆ·³ä·Ö·Åµçºó¹ÒºÃ½ÓµØÏߣ¬£¬£¬£¬£¬£¬²ÅÔÊÐí¾ÙÐиßѹÒýÏߵIJð³ýºÍÌæ»»½ÓÏßÊÂÇé¡£¡£¡£¡£¡£¡£¡£¡£
¡¡¡¡14.±£»£»£»£»£»¤Ðж¯ºóµÄ²Ù×÷
¡¡¡¡ÔÚʹÓÃÀú³ÌÖз¢Ã÷Â̵ÆÃ𣬣¬£¬£¬£¬£¬ºìµÆÁÁ£¬£¬£¬£¬£¬£¬µçѹϽµ£¬£¬£¬£¬£¬£¬¼´ÎªÓйر£»£»£»£»£»¤Ðж¯¡£¡£¡£¡£¡£¡£¡£¡£´ËʱӦ¹Ø±ÕµçÔ´¿ª¹Ø£¬£¬£¬£¬£¬£¬Ãæ°åָʾµÆ¾ù²»ÁÁ¡£¡£¡£¡£¡£¡£¡£¡£½«µ÷ѹµçλÆ÷ÍË»ØÁã룬£¬£¬£¬£¬£¬Ò»·ÖÖÓºó´ý»úÄÚµÍѹµçÈÝÆ÷³ä·Ö·Åµçºó²ÅÔÊÐíÔٴη¿ªµçÔ´¿ª¹Ø¡£¡£¡£¡£¡£¡£¡£¡£ÖØÐ¾ÙÐпÕÔØÊÔÑé²¢²éÃ÷ÇéÐκó¿ÉÔÙ´ÎÉýѹÊÔÑé¡£¡£¡£¡£¡£¡£¡£¡£

