ÁªÏµÖйú¡¤½ðɳ³Çjs93Ïß·¼ì²âÖÐÐÄ(¹É·Ý)ÓÐÏÞ¹«Ë¾-¹Ù·½ÍøÕ¾

ÊÖ»ú£ºÍô˾Àí15802760502
ÓÊÏ䣺hezi027@qq.com
QQ£º3212587206
µØµã£ºÎ人Êй¤¾ßºþÇø´´¹È·20ºÅ¿Æ´´ÖÐÐÄ22¶°
Ïà¹ØÎÄÕÂ
- 1¸É»õ·ÖÏíØ¾Ö·ÅÆÁÕÏÊұȵç´ÅÆÁÕÏÊÒÒªÇó¸ü¸ß
- 2¸É»õ·ÖÏíØÎ人Öйú¡¤½ðɳ³Çjs93Ïß·¼ì²âÖÐÐÄ(¹É·Ý)ÓÐÏÞ¹«Ë¾-¹Ù·½ÍøÕ¾²úÆ·ÓÅÊÆ
- 3¸É»õ·ÖÏíØÎ人Öйú¡¤½ðɳ³Çjs93Ïß·¼ì²âÖÐÐÄ(¹É·Ý)ÓÐÏÞ¹«Ë¾-¹Ù·½ÍøÕ¾Çå¾²¹¤Óþ߲úÆ·ÓÅÊÆ
- 4¸É»õ·ÖÏíØÎ人Öйú¡¤½ðɳ³Çjs93Ïß·¼ì²âÖÐÐÄ(¹É·Ý)ÓÐÏÞ¹«Ë¾-¹Ù·½ÍøÕ¾¾Ö·ÅÒDzî±ð¼°ÓÅÊÆ
- 5¸É»õ·ÖÏíØÎ人Öйú¡¤½ðɳ³Çjs93Ïß·¼ì²âÖÐÐÄ(¹É·Ý)ÓÐÏÞ¹«Ë¾-¹Ù·½ÍøÕ¾ÎÞ¾Ö·ÅÄÍѹ²âÊÔϵͳÓÅÊÆ
- 6¸É»õ·ÖÏíØÎ人Öйú¡¤½ðɳ³Çjs93Ïß·¼ì²âÖÐÐÄ(¹É·Ý)ÓÐÏÞ¹«Ë¾-¹Ù·½ÍøÕ¾À׵繥»÷²âÊÔϵͳÓÅÊÆ
- 7HZHL-400A-I ÈýÏàÖÇÄÜ»ØÂ·µç×è²âÊÔÒDZܿÓÖ¸ÄÏ
- 8¸É»õ·ÖÏíØÖйú¡¤½ðɳ³Çjs93Ïß·¼ì²âÖÐÐÄ(¹É·Ý)ÓÐÏÞ¹«Ë¾-¹Ù·½ÍøÕ¾´óµçÁ÷ÎÂÉýϵͳÓÅÊÆ
- 9HZJB-MS È«×Ô¶¯SF6Ãܶȼ̵çÆ÷УÑéÒDZܿÓÖ¸ÄÏ
- 10¸É»õ·ÖÏíØ¼Ìµç±£»£»£»£»£»£»£»¤·´Ê¹ʲ½·¥Åàѵ
¸É»õ¿ÎÌà | ¼ÌµçÆ÷ΪʲôҪ²¢Áª¶þ¼«¹Ü£¿£¿£¿£¿£¿
Ðû²¼Ê±¼ä£º2025-02-07 16:10:25ÈËÆø£º
µç¸Ð£¨inductor£©ÊÇÒ»¸öÈÆÔÚ´ÅÐÔ×ÓÁÏÉϵĵ¼ÏßÏßȦ£¨coil£©£¬£¬£¬£¬£¬£¬£¬£¬µç¸ÐͨÒÔµçÁ÷ʱ±¬·¢´Å³¡£¡£¡£¡£¡£¡£¡£¨magnetic field£©£¬£¬£¬£¬£¬£¬£¬£¬´Å³¡ºÜÀÁ£¬£¬£¬£¬£¬£¬£¬£¬²»Ï²»¶×ª±ä£¬£¬£¬£¬£¬£¬£¬£¬Ð§¹ûÄØ£¬£¬£¬£¬£¬£¬£¬£¬µç¸Ð¾Í³ÉΪ×è°ÆäµçÁ÷£¨current£©×ª±äµÄÔª¼þ¡£¡£¡£¡£¡£¡£¡£
ÈôÊÇÁ÷¹ýµç¸ÐµÄµçÁ÷ºã¶¨£¬£¬£¬£¬£¬£¬£¬£¬µç¸Ð¾ÍºÜÐË·Ü£¬£¬£¬£¬£¬£¬£¬£¬²»±Ø¶Ôµç×ÓÁ÷³öÈκÎÁ¦£¨force£©£¬£¬£¬£¬£¬£¬£¬£¬´ËʱµÄµç¸ÐÏßȦ¾ÍÊÇͨË×µ¼Ïß¡£¡£¡£¡£¡£¡£¡£
ÈôÊÇÎÒÃÇÏëÖÐÖ¹µç¸ÐÖеĵçÁ÷£¬£¬£¬£¬£¬£¬£¬£¬µç¸Ð¾Í»á×ÅÁ¦£¨µç¶¯ÊÆ£¬£¬£¬£¬£¬£¬£¬£¬EMF£©£¬£¬£¬£¬£¬£¬£¬£¬ÊÔͼά³ÖÆäÖеçÁ÷¡£¡£¡£¡£¡£¡£¡£ÈôÊǵç¸Ð×ÔÉí×é³É»ØÂ·£¬£¬£¬£¬£¬£¬£¬£¬µç·ÖÐÓÖûÓеç×裨resistance£©£¬£¬£¬£¬£¬£¬£¬£¬ÄÇôÀíÂÛÉÏ£¬£¬£¬£¬£¬£¬£¬£¬µç×ÓÁ÷ÓÀÔ¶ÔÚÑ»·Á÷¶¯¡£¡£¡£¡£¡£¡£¡£¿ÉÊÇ£¬£¬£¬£¬£¬£¬£¬£¬³ý·ÇÎÒÃǽÓÄɳ¬µ¼Ì壬£¬£¬£¬£¬£¬£¬£¬²»È»ËùÓеĵ¼Ïß¶¼¶ÔµçÁ÷ÓÐ×è°×÷Ó㬣¬£¬£¬£¬£¬£¬£¬×îÖÕµç¸ÐµçÁ÷½«Ë¥¼õ£¨decay£©ÎªÁ㣬£¬£¬£¬£¬£¬£¬£¬ÇÒµç×èÔ½´ó£¬£¬£¬£¬£¬£¬£¬£¬Ë¥¼õÔ½¿ì¡£¡£¡£¡£¡£¡£¡£²»¹ý£¬£¬£¬£¬£¬£¬£¬£¬¸Ð¿¹£¨inductance£©Ô½´ó£¬£¬£¬£¬£¬£¬£¬£¬Ë¥¼õÔòÔ½Âý¡£¡£¡£¡£¡£¡£¡£Èçͼ1Ëùʾ¡£¡£¡£¡£¡£¡£¡£

ͼ1 ÖÐÖ¹µç¸ÐµçÁ÷ʱÖü´æµÄÄÜÁ¿ÊÍ·Å
Ò»µ©µçÁ÷±äΪÁ㣬£¬£¬£¬£¬£¬£¬£¬ÓÉÓÚµç¸Ð×ÜÊÇÊÔͼ×è°µçÁ÷ת±ä£¬£¬£¬£¬£¬£¬£¬£¬´ËʱËüÓÖÏëά³Öµç·µçÁ÷ΪÁã¡£¡£¡£¡£¡£¡£¡£
ÒÔÊÇ£¬£¬£¬£¬£¬£¬£¬£¬µ±ÎÒÃǰѵç¸Ð½ÓÈëµç·ÖÐʱ£¬£¬£¬£¬£¬£¬£¬£¬µç¸ÐÂíÉÏ×ÅÁ¦£¬£¬£¬£¬£¬£¬£¬£¬ÊÔͼ×è°µçÁ÷ÔöÌí£¬£¬£¬£¬£¬£¬£¬£¬¿ÉÊǵçÁ÷ÕÕ¾ÉÖð²½ÔÚÔöÌí¡£¡£¡£¡£¡£¡£¡£µç¸Ð¸Ð¿¹Ô½´ó£¬£¬£¬£¬£¬£¬£¬£¬µçÁ÷Ôö´óµÄËÙÂÊÔ½Âý¡£¡£¡£¡£¡£¡£¡£µ±µçÁ÷²»ÔÙÔöÌí¶øµÖ´ïÎÈֵ̬ºó£¬£¬£¬£¬£¬£¬£¬£¬µç¸ÐÓÖÀÖ²»¿ÉÖ§ÁË£¬£¬£¬£¬£¬£¬£¬£¬²»±ØÔÙ×ÅÁ¦ÁË£¡ Èçͼ2Ëùʾ¡£¡£¡£¡£¡£¡£¡£

µ±ÎÒÃÇÇжϵç¸ÐÖеĵçÁ÷ʱ£¬£¬£¬£¬£¬£¬£¬£¬µç¸ÐÓÖ×ÅÁ¦Ïëά³ÖÎÈ̬µçÁ÷Öµ¡£¡£¡£¡£¡£¡£¡£ÈôÊÇ´Ëʱµç¸ÐÓëÒ»¸öµç×èÏàÁ¬£¬£¬£¬£¬£¬£¬£¬£¬Ôòµç×èÁ½Í·µÄµçѹÊÇÆäµç×èÖµÓëµçÁ÷µÄ³Ë»ý¡£¡£¡£¡£¡£¡£¡£ÓÉÓÚµç¸Ð×î´óµÄ±¾Ê¾ÍÊÇ×èÖ¹µçÁ÷µÄÍ»±ä£¬£¬£¬£¬£¬£¬£¬£¬Òò´Ë£¬£¬£¬£¬£¬£¬£¬£¬²»¹Üµç×èÖµÊǼ¸¶à£¬£¬£¬£¬£¬£¬£¬£¬Ôڵ緱»ÇжϺóµÄ˲¼ä£¬£¬£¬£¬£¬£¬£¬£¬µç¸ÐÖеĵçÁ÷ÓëÇжÏǰÊÇÒ»ÑùµÄ¡£¡£¡£¡£¡£¡£¡£ÈôÊǵç×èÖµºÜ´ó£¬£¬£¬£¬£¬£¬£¬£¬ÔòµçÁ÷Óëµç×èµÄ³Ë»ýÒ²ºÜÊǴ󣬣¬£¬£¬£¬£¬£¬£¬Ð§¹û£¬£¬£¬£¬£¬£¬£¬£¬µç¸ÐÉϻᱬ·¢Ë²Ê±µÄ¸ßµçѹ¡£¡£¡£¡£¡£¡£¡£Èçͼ3Ëùʾ¡£¡£¡£¡£¡£¡£¡£

ÓÉÓÚµç¸ÐÖеĵçÁ÷²»¿ÉÍ»±ä£¬£¬£¬£¬£¬£¬£¬£¬ÈôÊÇÒªÇжϵç¸Ðµç·£¬£¬£¬£¬£¬£¬£¬£¬ÎÒÃÇ×ÜÊÇÐèÒªÌṩµç¸ÐµçÁ÷ÊÍ·Å»ØÂ·¡£¡£¡£¡£¡£¡£¡£ÈôÊÇûÓÐÌṩÊÍ·Å»ØÂ·£¬£¬£¬£¬£¬£¬£¬£¬µç¸ÐµçÁ÷¾Í»á×ÔѰͨµÀ£¬£¬£¬£¬£¬£¬£¬£¬ºÃ±È£¬£¬£¬£¬£¬£¬£¬£¬Í¨¹ý¿ÕÆøÊÍ·Å£¬£¬£¬£¬£¬£¬£¬£¬Í¨¹ý¿ª¹Ø´¥µã»òÕ߯äËû²»Ó¦µ¼µçµÄÔª¼þÊÍ·Å¡£¡£¡£¡£¡£¡£¡£¶Ìʱ¼äµÄ¸ßµçѹ½«¶Ôµç·±¬·¢¼«´óµÄÆÆË𡣡£¡£¡£¡£¡£¡£
µç¸ÐÆ÷Äܹ»±¬·¢¸ßµçѹµÄÄÜÁ¦ÔÚµçÔ´Éè¼ÆÊ±ºÜÊÇÓÐÓ㬣¬£¬£¬£¬£¬£¬£¬µ«Ò²Òâζ×Å£¬£¬£¬£¬£¬£¬£¬£¬ÔÚûÓÐ×¼±¸ºÃÊÍ·Åͨ·ʱ²»¿ÉÒÔËæ±ãÇжϵç¸Ðµç·¡£¡£¡£¡£¡£¡£¡£
´ÓͼÖпÉÒÔ¿´³ö¶ÏµçʱEMF±¬·¢µÄ˲ʱ¸ßѹ£¨Êý±¶ÉõÖÁÊýÊ®±¶ÓÚµçÔ´µçѹ£©ÈôÊÇÎÞ´¦ÊÍ·Å£¬£¬£¬£¬£¬£¬£¬£¬»á¶Ôµç·µÄÆäËûÔª¼þÔì³ÉË𺦣¬£¬£¬£¬£¬£¬£¬£¬¶øÈôÊÇÌṩÊÍ·Å»ØÂ·£¬£¬£¬£¬£¬£¬£¬£¬ÓÖÔõôÄÜÊÊʱ½ÓÍ¨ÄØ£¿£¿£¿£¿£¿¼´µç¸Ðµç·½Óͨʱ£¬£¬£¬£¬£¬£¬£¬£¬ÊÍ·Å»ØÂ·Ç·ºà£¬£¬£¬£¬£¬£¬£¬£¬¶øµç¸Ðµç·¶Ï¿ªÊ±ÊÍ·Å»ØÂ·¾Í½Óͨ¡£¡£¡£¡£¡£¡£¡£Èçͼ4Ëùʾ¡£¡£¡£¡£¡£¡£¡£
µç×èÊÇË«Ïòµ¼µçµÄ£¬£¬£¬£¬£¬£¬£¬£¬¶ø¶þ¼«¹Ü¾Í¾ßÓе¥Ïòµ¼µçÌØÕ÷¡£¡£¡£¡£¡£¡£¡£Òò´ËÎÒÃǽÓÄÉÈçͼ5ËùʾµÄµç·£¬£¬£¬£¬£¬£¬£¬£¬Í¼Öв¢ÁªÔÚµç¸ÐÁ½Í·µÄ¶þ¼«¹Ü³ÆÎªÐøÁ÷¶þ¼«¹Ü£¨flyback diode»òflywheel diode£©¡£¡£¡£¡£¡£¡£¡£
ÐøÁ÷¶þ¼«¹Üͨ³£ºÍ´¢ÄÜÔª¼þÒ»ÆðʹÓ㬣¬£¬£¬£¬£¬£¬£¬Æä×÷ÓÃÊDZÜÃâµç·ÖеçѹµçÁ÷µÄÍ»±ä£¬£¬£¬£¬£¬£¬£¬£¬Îª·´Ïòµç¶¯ÊÆÌṩºÄµçͨ·¡£¡£¡£¡£¡£¡£¡£µç¸ÐÏßȦ¿ÉÒÔ¾ÓÉËü¸ø¸ºÔØÌṩһÁ¬µÄµçÁ÷£¬£¬£¬£¬£¬£¬£¬£¬ÒÔÃâ¸ºÔØµçÁ÷Í»±ä£¬£¬£¬£¬£¬£¬£¬£¬Æðµ½Æ½»¬µçÁ÷µÄ×÷Óã¡ÔÚ¿ª¹ØµçÔ´ÖУ¬£¬£¬£¬£¬£¬£¬£¬¾ÍÄܼûµ½Ò»¸öÓɶþ¼«¹ÜºÍµç×蹴ͨÆðÀ´×é³ÉµÄµÄÐøÁ÷µç·¡£¡£¡£¡£¡£¡£¡£Õâ¸öµç·Óë±äѹÆ÷Ա߲¢Áª¡£¡£¡£¡£¡£¡£¡£µ±¿ª¹Ø¹Ü¹Ø¶Ïʱ£¬£¬£¬£¬£¬£¬£¬£¬ÐøÁ÷µç·¿ÉÒÔÊͷŵô±äѹÆ÷ÏßȦÖÐÖü´æµÄÄÜÁ¿¡£¡£¡£¡£¡£¡£¡£
BUCKµç·ÖÐÒ»Ñùƽ³£Ñ¡Ôñ¿ìËÙ»Ö¸´¶þ¼«¹Ü»òÕßÐ¤ÌØ»ù¶þ¼«¹ÜÀ´×÷Ϊ"ÐøÁ÷¶þ¼«¹Ü"£¬£¬£¬£¬£¬£¬£¬£¬ËüÔÚµç·ÖÐÒ»Ñùƽ³£ÓÃÀ´±£»£»£»£»£»£»£»¤Ôª¼þ²»±»¸ÐÓ¦µçѹ»÷´©»òÉÕ»µ£¬£¬£¬£¬£¬£¬£¬£¬ÒÔ²¢ÁªµÄ·½·¨½Óµ½±¬·¢¸ÐÓ¦µç¶¯ÊƵÄÔª¼þÁ½Í·£¬£¬£¬£¬£¬£¬£¬£¬²¢ÓëÆäÐγɻØÂ·£¬£¬£¬£¬£¬£¬£¬£¬Ê¹Æä±¬·¢µÄ¸ßµç¶¯ÊÆÔÚ»ØÂ·ÒÔÐøµçÁ÷·½·¨ÏûºÄ£¬£¬£¬£¬£¬£¬£¬£¬´Ó¶øÆðµ½±£»£»£»£»£»£»£»¤µç·ÖеÄÔª¼þ²»±»Ë𻵵Ä×÷Óᣡ£¡£¡£¡£¡£¡£
ÀíÂÛÉ϶þ¼«¹ÜÑ¡ÓÃÖÁÉÙ2±¶ÓÚ×î´óµçÁ÷£¬£¬£¬£¬£¬£¬£¬£¬ÏÖʵʹÓÃʱ£¬£¬£¬£¬£¬£¬£¬£¬ÓÉÓÚ¶þ¼«¹ÜµÄ˲¼ä¿¹¹ýÔØÄÜÁ¦½ÏÇ¿£¬£¬£¬£¬£¬£¬£¬£¬Ê¹ÓÃ×î´óµçÁ÷50AµÄ³¬¿ìËÙ¶þ¼«¹ÜÒ²ÐУ¬£¬£¬£¬£¬£¬£¬£¬¼ÓÉϺÏÀíµÄÉ¢ÈÈÆ¬£¬£¬£¬£¬£¬£¬£¬£¬ÏÖʵʹÓÃÖÐÒ»Ñùƽ³£ÉÙÓÐË𻵡£¡£¡£¡£¡£¡£¡£µ¼Í¨Ê±µÄ×Ü×迹ÊÇ µç»úÄÚ×è+Çý¶¯¹ÜµÈЧÄÚ×è¡£¡£¡£¡£¡£¡£¡£ÐøÁ÷ʱµÄ×Ü×迹ÊÇ µç»úÄÚ×è+ÐøÁ÷¶þ¼«¹ÜµÈЧÄÚ×è¡£¡£¡£¡£¡£¡£¡£Ò»Ñùƽ³£ÇéÐÎÏ£¬£¬£¬£¬£¬£¬£¬£¬ÓÉÓÚÐøÁ÷¶þ¼«¹ÜµÄ½»Á÷µÈЧÄÚ×èÒª±ÈÇý¶¯Èý¼«¹ÜµÄ½»Á÷µÈЧÄÚ×èС¡£¡£¡£¡£¡£¡£¡£ÒÔÊÇͨÀýÉè¼Æ£¬£¬£¬£¬£¬£¬£¬£¬Ò»Ñùƽ³£ÐøÁ÷¶þ¼«¹ÜµÄ×î´óµçÁ÷£¬£¬£¬£¬£¬£¬£¬£¬È¡¶þ±¶ÓÚµç»ú×î´óµçÁ÷¡£¡£¡£¡£¡£¡£¡£
˲̬µçÁ÷Ö»ÊÇһ˲¼ä£¬£¬£¬£¬£¬£¬£¬£¬Ãæ½Ó´¥ÐͶþ¼«¹ÜµÄ¿¹¹ýÔØÄÜÁ¦ÕվɿÉÒԵ쬣¬£¬£¬£¬£¬£¬£¬Ö»Òª²»¹ýѹ¼´¿É£¬£¬£¬£¬£¬£¬£¬£¬ÐëҪʱ´®¸öС×èÖµµç×è¾ÙÐÐÏÞÁ÷¡£¡£¡£¡£¡£¡£¡£ÐøÁ÷¶þ¼«¹ÜÊÇΪÁ˱£»£»£»£»£»£»£»¤¿ª¹ØÆ÷¼þ£¬£¬£¬£¬£¬£¬£¬£¬ÐøÁ÷ʱµÄ˲̬µçÁ÷¸úµç»úµÄÊÂÇéµçѹºÍÈÆ×éÄÚ×èÓйأ¬£¬£¬£¬£¬£¬£¬£¬¸úµç»ú¹¦ÂÊÎ޹أ¬£¬£¬£¬£¬£¬£¬£¬ÕæÒªÅÌËãµÄ»°£¬£¬£¬£¬£¬£¬£¬£¬Ë²Ì¬µçÁ÷µÄ·åÖµÊÇ·´Ïò×Ըеçѹ¼õÈ¥¶þ¼«¹Ü½áѹ½µÔÙ³ýÒÔ»ØÂ·µç×è¡£¡£¡£¡£¡£¡£¡£ÕâÀïÖ®ÒÔÊÇ»¹ÒªÓÃÒ»¶¨µçÁ÷ÒÔÉϵĶþ¼«¹ÜÊÇÓÉÓÚµÍѹ´ó¹¦Âʵç»úµÄÈÆ×éÄÚ×è½ÏµÍ£¬£¬£¬£¬£¬£¬£¬£¬ÒÔÊÇ˲̬µçÁ÷»á½ÏÁ¿´ó£¬£¬£¬£¬£¬£¬£¬£¬´®¸öС×èÖµµç×è¾Í¿ÉÒÔÒÖÖÆ·åÖµµçÁ÷£¬£¬£¬£¬£¬£¬£¬£¬Òò´ËÔì³ÉµÄ¿ª¹Ø¹Ü˲̬¼ÓѹµÄЩÐíÉÏÉýÓÉÓÚÊÂÇéµçѹÔÀ´¾Í²»¸ß£¬£¬£¬£¬£¬£¬£¬£¬ÒÔÊÇ»ù´¡²»±Øµ£ÐÄ£¬£¬£¬£¬£¬£¬£¬£¬ÏÖÔڵľ§Ìå¹ÜÄÍѹÖÁÉÙ¶¼ÔÚ50VÒÔÉÏ¡£¡£¡£¡£¡£¡£¡£

¼ÌµçÆ÷²¢ÁªµÄ¶þ¼«¹Ü£¬£¬£¬£¬£¬£¬£¬£¬²»ÊÇʲôBUCKµç·ÖеÄÐøÁ÷¶þ¼«¹Ü£¬£¬£¬£¬£¬£¬£¬£¬ÓÉÓڼ̵çÆ÷ÏßȦµÄÊǸÐÐÔ¸ºÔØ£¬£¬£¬£¬£¬£¬£¬£¬×÷ÓÃÊÇÎüÊÕÇý¶¯Èý¼«¹ÜÔÚ¶Ï¿ªÊ±¼ÌµçÆ÷ÏßȦµÄ×Ըеçѹ£¬£¬£¬£¬£¬£¬£¬£¬Æ¾Ö¤Àã´Î¶¨ÂÉ£¬£¬£¬£¬£¬£¬£¬£¬µç¸ÐÉϵĵçÁ÷ÔÚ¼õСʱ£¬£¬£¬£¬£¬£¬£¬£¬»á±¬·¢Ò»¸ö×Ըеçѹ£¬£¬£¬£¬£¬£¬£¬£¬Õâ¸öµçѹµÄÆ«ÏòÊÇÕýµçÔ´¶ËΪ¸º£¬£¬£¬£¬£¬£¬£¬£¬Çý¶¯¹Ü¼¯µç¼«ÎªÕý£¬£¬£¬£¬£¬£¬£¬£¬Õâ¸öµçѹ»á»÷´©Èý¼«¹Ü£¬£¬£¬£¬£¬£¬£¬£¬ÒÔÊÇÔڼ̵çÆ÷Éϲ¢ÁªÒ»¸öÎüÊÕ¶þ¼«¹Ü£¬£¬£¬£¬£¬£¬£¬£¬ÎüÊÕÕâ¸ö×Ըеçѹ¡£¡£¡£¡£¡£¡£¡£
¹ØÓÚͼÖеĿª¹Ø£¬£¬£¬£¬£¬£¬£¬£¬ÎÒÃǾ³£Ê¹Óþ§Ìå¹Ü¡£¡£¡£¡£¡£¡£¡£ÈçͼËùʾ£¬£¬£¬£¬£¬£¬£¬£¬ÓÃÒ»¸ö¾§Ìå¹ÜTR1È¥¿ØÖƼ̵çÆ÷ÏßȦ£¨relay coil£©µÄµ¼Í¨£¬£¬£¬£¬£¬£¬£¬£¬¼ÌµçÆ÷´¥µãÔÙÈ¥¿ØÖƸºÔصç·¡£¡£¡£¡£¡£¡£¡£
¶þ¼«¹Ü¸º¼«½ÓÖ±Á÷µçÔ´Õý¼«£¬£¬£¬£¬£¬£¬£¬£¬¼ÌµçÆ÷ÏßȦ¶Ïµçʱ£¬£¬£¬£¬£¬£¬£¬£¬¶þ¼«¹ÜÒòÊÆÀûµ¼£¬£¬£¬£¬£¬£¬£¬£¬ÎªÏßȦ¸ßµçѹÌṩÊÍ·Å;¾¶¡£¡£¡£¡£¡£¡£¡£ÈôÊÇûÓÐÐøÁ÷¶þ¼«¹Ü£¬£¬£¬£¬£¬£¬£¬£¬¾§Ìå¹Ü¶Ï¿ªÊ±ÔÚÏßȦÁ½Í·±¬·¢µÄ¸ßµçѹ½«¶Ô¾§Ìå¹Üµç·Ôì³É¼«´óµÄË𻵣¬£¬£¬£¬£¬£¬£¬£¬´ËÊ±ÐøÁ÷¶þ¼«¹ÜÆðµ½Á˱£»£»£»£»£»£»£»¤×÷Óᣡ£¡£¡£¡£¡£¡£
Ϊ´Ë£¬£¬£¬£¬£¬£¬£¬£¬¾³£½«¶þ¼«¹ÜÖ±½ÓºÍ¼ÌµçÆ÷×öÔÚÒ»Æð£¬£¬£¬£¬£¬£¬£¬£¬ÈçͼËùʾ¡£¡£¡£¡£¡£¡£¡£

°ã¸ÐÐÔ¸ºÔرȵç×èÐÔ¸ºÔظüÈÝÒ×ʹ´¥µãÊܵ½Ëð×÷£¬£¬£¬£¬£¬£¬£¬£¬ÈôÊÇʹÓÃÊʵ±µÄ±£»£»£»£»£»£»£»¤µç·¿ÉÒÔʹ¸ÐÐÔ¸ºÔضԴ¥µãµÄÓ°ÏìÓëµç×èÐÔ¸ºÔØ»ùÄÚÇéµ±£¬£¬£¬£¬£¬£¬£¬£¬µ«Çë×¢ÖØÈôÊDz»×¼È·Ê¹Ó㬣¬£¬£¬£¬£¬£¬£¬¿ÉÄܻᱬ·¢·´Ð§¹û¡£¡£¡£¡£¡£¡£¡£
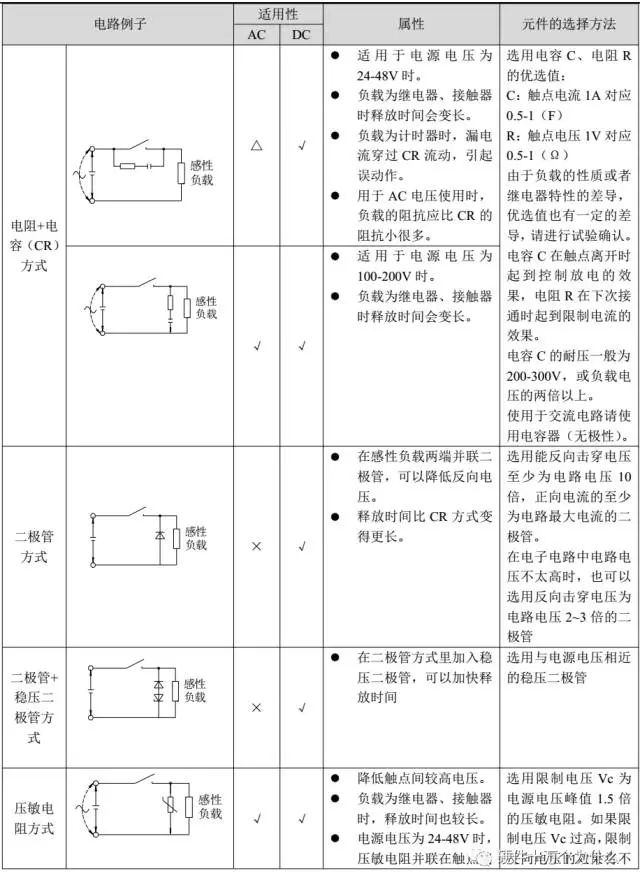
ϱíÊÇ´¥µã±£»£»£»£»£»£»£»¤µç·µÄ´ú±íÐÔÀý×Ó¡£¡£¡£¡£¡£¡£¡£


×¢ÖØÇë×èֹϱíÖÐËùÁеĴ¥µã±£»£»£»£»£»£»£»¤µç·¡£¡£¡£¡£¡£¡£¡£


ÐøÁ÷¶þ¼«¹ÜÓ¦¸Ã¼Óµ½¸ÐÐÔ¸ºÔصÄÁ½Í·£¬£¬£¬£¬£¬£¬£¬£¬ÕâÀï˵µÄ¸ÐÐÔ£¬£¬£¬£¬£¬£¬£¬£¬¾ÍÊǾßÓеç¸ÐÌØÕ÷£¬£¬£¬£¬£¬£¬£¬£¬¶ø²»ÊÇÐԸС£¡£¡£¡£¡£¡£¡£¸ÐÐÔ¸ºÔصÄÌØÕ÷¾ÍÊǵçÁ÷²»¿ÉÍ»±ä£¬£¬£¬£¬£¬£¬£¬£¬Ò²¾ÍÊÇ˵£¬£¬£¬£¬£¬£¬£¬£¬²»¿ÉÄÜÒ»ÏÂ×Ó¾ÍûÁË£¬£¬£¬£¬£¬£¬£¬£¬Ò²²»¿ÉÄÜÒ»ÏÂ×Ó¾ÍÓÐÁË£¬£¬£¬£¬£¬£¬£¬£¬ÐèÒªÓиöÀú³Ì¡£¡£¡£¡£¡£¡£¡£
³£¼ûµÄ¸ÐÐÔ¸ºÔØÓм̵çÆ÷ÏßȦ¡¢µç´Å·§¡£¡£¡£¡£¡£¡£¡£
¸ÐÐÔ¸ºÔػᱬ·¢¸ÐÓ¦µç¶¯ÊÆ£¬£¬£¬£¬£¬£¬£¬£¬¸ÐÓ¦µç¶¯ÊÆµÄÆ«ÏòºÍ¼ÓÔÚËüÁ½Í·µÄµçѹƫÏòÊÇÏà·´µÄ£¬£¬£¬£¬£¬£¬£¬£¬µ±¸ÐÐÔ¸ºÔØÍ»È»¶Ïµç£¬£¬£¬£¬£¬£¬£¬£¬¸ÐÓ¦µç¶¯ÊÆ»¹ÔÚ£¬£¬£¬£¬£¬£¬£¬£¬ÓÉÓÚ¸ÐÓ¦µç¶¯ÊÆÓëÔÀ´µÄµçѹƫÏòÏà·´£¬£¬£¬£¬£¬£¬£¬£¬ÔÚûÓжϵçµÄʱ¼ä£¬£¬£¬£¬£¬£¬£¬£¬ÉÐÓÐÔÀ´µÄµçѹÓëÖ®µÖÏû£¬£¬£¬£¬£¬£¬£¬£¬¶Ïµçºó¾ÍûÓÐÓë¸ÐÓ¦µç¶¯ÊƵÖÏûµÄµçѹÁË£¬£¬£¬£¬£¬£¬£¬£¬Õâ¸ö¸ÐÓ¦µç¶¯ÊƾÍÓпÉÄÜÔì³Éµç·ÖеÄÔªÆ÷¼þË𻵣¬£¬£¬£¬£¬£¬£¬£¬¼Ó¸ö¶þ¼«¹ÜÒԺ󣬣¬£¬£¬£¬£¬£¬£¬Õâ¸ö¶þ¼«¹ÜÕýºÃÓë¸ÐÐÔ¸ºÔØÐγÉÁËÒ»¸ö±ÕºÏ»ØÂ·£¬£¬£¬£¬£¬£¬£¬£¬»ØÂ·ÖеĵçÁ÷Æ«ÏòÕýºÃºÍ¶þ¼«¹ÜÊÇÕýÏòµ¼Í¨µÄ£¬£¬£¬£¬£¬£¬£¬£¬¾Í¿ÉÒÔÊͷŸÐÓ¦µç¶¯ÊƵĵçÁ÷ÁË¡£¡£¡£¡£¡£¡£¡£

¿ÉÒÔ×÷ÎªÐøÁ÷¶þ¼«¹ÜµÄÐͺÅ
ͨË×¶þ¼«¹ÜÈç1N4007¾Í¿ÉÒÔ×÷ÎªÐøÁ÷¶þ¼«¹Ü£¬£¬£¬£¬£¬£¬£¬£¬²»¹ý£¬£¬£¬£¬£¬£¬£¬£¬×îºÃÊÇÓÿìËÙ»Ö¸´¶þ¼«¹Ü»òÕßÐ¤ÌØ»ù¶þ¼«¹Ü¡£¡£¡£¡£¡£¡£¡£
¿´¶þ¼«¹ÜdatasheetµÄʲô²ÎÊý
¶þ¼«¹ÜµÄÄÍѹ£¬£¬£¬£¬£¬£¬£¬£¬¾ÍÊÇ·´ÏòÄܼӶà´óµçѹ£¬£¬£¬£¬£¬£¬£¬£¬Äã¿ÉÒÔ¿´µ½£¬£¬£¬£¬£¬£¬£¬£¬ÐøÁ÷¶þ¼«¹ÜÔÚµç·ÖÐÊÇ·´ÏòÅþÁ¬µÄ¡£¡£¡£¡£¡£¡£¡£ºÃ±ÈÄãµÄµç·ÖУ¬£¬£¬£¬£¬£¬£¬£¬ÏßȦ¼ÓµÄÊÇ12V£¬£¬£¬£¬£¬£¬£¬£¬ÄÇôÄãµÄ¶þ¼«¹ÜÆ«ÏòÄÍѹֵ¾Í±ØÐèÒª´óÓÚ12V²ÅÐС£¡£¡£¡£¡£¡£¡£²»¹ýÒ»Ñùƽ³£µÄ¶þ¼«¹Ü·´ÏòÄÍѹֵ¶¼ºÜÊǸߡ£¡£¡£¡£¡£¡£¡£
¶þ¼«¹ÜµÄ×î´óÕýÏòµ¼Í¨µçÁ÷£¬£¬£¬£¬£¬£¬£¬£¬ºÃ±È1N4148×î´óÕýÏòµ¼Í¨µçÁ÷ÊÇ150mA£¬£¬£¬£¬£¬£¬£¬£¬ÄÇôÈôÊÇÄãµÄÏßȦµçÁ÷Ì«´ó£¬£¬£¬£¬£¬£¬£¬£¬¾Í»áÉÕ»µÐøÁ÷¶þ¼«¹Ü¡£¡£¡£¡£¡£¡£¡£ÒÔÊÇ1N4148Ö»ÊʺÏСµçÁ÷µÄÏßȦ±£»£»£»£»£»£»£»¤£¬£¬£¬£¬£¬£¬£¬£¬ºÃ±È5VµÄ¼ÌµçÆ÷¡£¡£¡£¡£¡£¡£¡£
ʵ¼ùÂÄÀú
ͨ³£µç·Öеļ̵çÆ÷ÏßȦÁ½Í·ºÍµç´Å·§½Ó¿ÚÁ½Í·¶¼Òª½ÓÐøÁ÷¶þ¼«¹Ü¡£¡£¡£¡£¡£¡£¡£½Ó·¨ÈçÉÏÃæµÄͼ£¬£¬£¬£¬£¬£¬£¬£¬¶þ¼«¹ÜµÄ¸º¼«½ÓÏßȦµÄÕý¼«£¬£¬£¬£¬£¬£¬£¬£¬¶þ¼«¹ÜµÄÕý¼«½ÓÏßȦµÄ¸º¼«¡£¡£¡£¡£¡£¡£¡£²»¹ý£¬£¬£¬£¬£¬£¬£¬£¬ÄãÒªÇåÎú£¬£¬£¬£¬£¬£¬£¬£¬ÐøÁ÷¶þ¼«¹Ü²¢²»ÊÇʹÓöþ¼«¹ÜµÄ·´Æ«ÏòÄÍÑ¹ÌØÕ÷£¬£¬£¬£¬£¬£¬£¬£¬¶øÊÇʹÓöþ¼«¹ÜµÄµ¥Æ«ÏòÕýÏòµ¼Í¨ÌØÕ÷¡£¡£¡£¡£¡£¡£¡£
ÈôÊÇÀÁµÃ¿´¶þ¼«¹ÜµÄdatasheet²ÎÊý£¬£¬£¬£¬£¬£¬£¬£¬¾ÍÓÃFR107°É£¬£¬£¬£¬£¬£¬£¬£¬Í¨³ÔÒ»Ñùƽ³£Ó¦Óᣡ£¡£¡£¡£¡£¡£
ʵ¼ùʾÀý£º
ÈôÊÇÁ÷¹ýµç¸ÐµÄµçÁ÷ºã¶¨£¬£¬£¬£¬£¬£¬£¬£¬µç¸Ð¾ÍºÜÐË·Ü£¬£¬£¬£¬£¬£¬£¬£¬²»±Ø¶Ôµç×ÓÁ÷³öÈκÎÁ¦£¨force£©£¬£¬£¬£¬£¬£¬£¬£¬´ËʱµÄµç¸ÐÏßȦ¾ÍÊÇͨË×µ¼Ïß¡£¡£¡£¡£¡£¡£¡£
ÈôÊÇÎÒÃÇÏëÖÐÖ¹µç¸ÐÖеĵçÁ÷£¬£¬£¬£¬£¬£¬£¬£¬µç¸Ð¾Í»á×ÅÁ¦£¨µç¶¯ÊÆ£¬£¬£¬£¬£¬£¬£¬£¬EMF£©£¬£¬£¬£¬£¬£¬£¬£¬ÊÔͼά³ÖÆäÖеçÁ÷¡£¡£¡£¡£¡£¡£¡£ÈôÊǵç¸Ð×ÔÉí×é³É»ØÂ·£¬£¬£¬£¬£¬£¬£¬£¬µç·ÖÐÓÖûÓеç×裨resistance£©£¬£¬£¬£¬£¬£¬£¬£¬ÄÇôÀíÂÛÉÏ£¬£¬£¬£¬£¬£¬£¬£¬µç×ÓÁ÷ÓÀÔ¶ÔÚÑ»·Á÷¶¯¡£¡£¡£¡£¡£¡£¡£¿ÉÊÇ£¬£¬£¬£¬£¬£¬£¬£¬³ý·ÇÎÒÃǽÓÄɳ¬µ¼Ì壬£¬£¬£¬£¬£¬£¬£¬²»È»ËùÓеĵ¼Ïß¶¼¶ÔµçÁ÷ÓÐ×è°×÷Ó㬣¬£¬£¬£¬£¬£¬£¬×îÖÕµç¸ÐµçÁ÷½«Ë¥¼õ£¨decay£©ÎªÁ㣬£¬£¬£¬£¬£¬£¬£¬ÇÒµç×èÔ½´ó£¬£¬£¬£¬£¬£¬£¬£¬Ë¥¼õÔ½¿ì¡£¡£¡£¡£¡£¡£¡£²»¹ý£¬£¬£¬£¬£¬£¬£¬£¬¸Ð¿¹£¨inductance£©Ô½´ó£¬£¬£¬£¬£¬£¬£¬£¬Ë¥¼õÔòÔ½Âý¡£¡£¡£¡£¡£¡£¡£Èçͼ1Ëùʾ¡£¡£¡£¡£¡£¡£¡£

ͼ1 ÖÐÖ¹µç¸ÐµçÁ÷ʱÖü´æµÄÄÜÁ¿ÊÍ·Å
Ò»µ©µçÁ÷±äΪÁ㣬£¬£¬£¬£¬£¬£¬£¬ÓÉÓÚµç¸Ð×ÜÊÇÊÔͼ×è°µçÁ÷ת±ä£¬£¬£¬£¬£¬£¬£¬£¬´ËʱËüÓÖÏëά³Öµç·µçÁ÷ΪÁã¡£¡£¡£¡£¡£¡£¡£
ÒÔÊÇ£¬£¬£¬£¬£¬£¬£¬£¬µ±ÎÒÃǰѵç¸Ð½ÓÈëµç·ÖÐʱ£¬£¬£¬£¬£¬£¬£¬£¬µç¸ÐÂíÉÏ×ÅÁ¦£¬£¬£¬£¬£¬£¬£¬£¬ÊÔͼ×è°µçÁ÷ÔöÌí£¬£¬£¬£¬£¬£¬£¬£¬¿ÉÊǵçÁ÷ÕÕ¾ÉÖð²½ÔÚÔöÌí¡£¡£¡£¡£¡£¡£¡£µç¸Ð¸Ð¿¹Ô½´ó£¬£¬£¬£¬£¬£¬£¬£¬µçÁ÷Ôö´óµÄËÙÂÊÔ½Âý¡£¡£¡£¡£¡£¡£¡£µ±µçÁ÷²»ÔÙÔöÌí¶øµÖ´ïÎÈֵ̬ºó£¬£¬£¬£¬£¬£¬£¬£¬µç¸ÐÓÖÀÖ²»¿ÉÖ§ÁË£¬£¬£¬£¬£¬£¬£¬£¬²»±ØÔÙ×ÅÁ¦ÁË£¡ Èçͼ2Ëùʾ¡£¡£¡£¡£¡£¡£¡£


µç¸Ðµç·ON
µ±ÎÒÃÇÇжϵç¸ÐÖеĵçÁ÷ʱ£¬£¬£¬£¬£¬£¬£¬£¬µç¸ÐÓÖ×ÅÁ¦Ïëά³ÖÎÈ̬µçÁ÷Öµ¡£¡£¡£¡£¡£¡£¡£ÈôÊÇ´Ëʱµç¸ÐÓëÒ»¸öµç×èÏàÁ¬£¬£¬£¬£¬£¬£¬£¬£¬Ôòµç×èÁ½Í·µÄµçѹÊÇÆäµç×èÖµÓëµçÁ÷µÄ³Ë»ý¡£¡£¡£¡£¡£¡£¡£ÓÉÓÚµç¸Ð×î´óµÄ±¾Ê¾ÍÊÇ×èÖ¹µçÁ÷µÄÍ»±ä£¬£¬£¬£¬£¬£¬£¬£¬Òò´Ë£¬£¬£¬£¬£¬£¬£¬£¬²»¹Üµç×èÖµÊǼ¸¶à£¬£¬£¬£¬£¬£¬£¬£¬Ôڵ緱»ÇжϺóµÄ˲¼ä£¬£¬£¬£¬£¬£¬£¬£¬µç¸ÐÖеĵçÁ÷ÓëÇжÏǰÊÇÒ»ÑùµÄ¡£¡£¡£¡£¡£¡£¡£ÈôÊǵç×èÖµºÜ´ó£¬£¬£¬£¬£¬£¬£¬£¬ÔòµçÁ÷Óëµç×èµÄ³Ë»ýÒ²ºÜÊǴ󣬣¬£¬£¬£¬£¬£¬£¬Ð§¹û£¬£¬£¬£¬£¬£¬£¬£¬µç¸ÐÉϻᱬ·¢Ë²Ê±µÄ¸ßµçѹ¡£¡£¡£¡£¡£¡£¡£Èçͼ3Ëùʾ¡£¡£¡£¡£¡£¡£¡£


µç¸Ðµç·OFF
ÓÉÓÚµç¸ÐÖеĵçÁ÷²»¿ÉÍ»±ä£¬£¬£¬£¬£¬£¬£¬£¬ÈôÊÇÒªÇжϵç¸Ðµç·£¬£¬£¬£¬£¬£¬£¬£¬ÎÒÃÇ×ÜÊÇÐèÒªÌṩµç¸ÐµçÁ÷ÊÍ·Å»ØÂ·¡£¡£¡£¡£¡£¡£¡£ÈôÊÇûÓÐÌṩÊÍ·Å»ØÂ·£¬£¬£¬£¬£¬£¬£¬£¬µç¸ÐµçÁ÷¾Í»á×ÔѰͨµÀ£¬£¬£¬£¬£¬£¬£¬£¬ºÃ±È£¬£¬£¬£¬£¬£¬£¬£¬Í¨¹ý¿ÕÆøÊÍ·Å£¬£¬£¬£¬£¬£¬£¬£¬Í¨¹ý¿ª¹Ø´¥µã»òÕ߯äËû²»Ó¦µ¼µçµÄÔª¼þÊÍ·Å¡£¡£¡£¡£¡£¡£¡£¶Ìʱ¼äµÄ¸ßµçѹ½«¶Ôµç·±¬·¢¼«´óµÄÆÆË𡣡£¡£¡£¡£¡£¡£
µç¸ÐÆ÷Äܹ»±¬·¢¸ßµçѹµÄÄÜÁ¦ÔÚµçÔ´Éè¼ÆÊ±ºÜÊÇÓÐÓ㬣¬£¬£¬£¬£¬£¬£¬µ«Ò²Òâζ×Å£¬£¬£¬£¬£¬£¬£¬£¬ÔÚûÓÐ×¼±¸ºÃÊÍ·Åͨ·ʱ²»¿ÉÒÔËæ±ãÇжϵç¸Ðµç·¡£¡£¡£¡£¡£¡£¡£
ÐøÁ÷¶þ¼«¹Ü
´ÓͼÖпÉÒÔ¿´³ö¶ÏµçʱEMF±¬·¢µÄ˲ʱ¸ßѹ£¨Êý±¶ÉõÖÁÊýÊ®±¶ÓÚµçÔ´µçѹ£©ÈôÊÇÎÞ´¦ÊÍ·Å£¬£¬£¬£¬£¬£¬£¬£¬»á¶Ôµç·µÄÆäËûÔª¼þÔì³ÉË𺦣¬£¬£¬£¬£¬£¬£¬£¬¶øÈôÊÇÌṩÊÍ·Å»ØÂ·£¬£¬£¬£¬£¬£¬£¬£¬ÓÖÔõôÄÜÊÊʱ½ÓÍ¨ÄØ£¿£¿£¿£¿£¿¼´µç¸Ðµç·½Óͨʱ£¬£¬£¬£¬£¬£¬£¬£¬ÊÍ·Å»ØÂ·Ç·ºà£¬£¬£¬£¬£¬£¬£¬£¬¶øµç¸Ðµç·¶Ï¿ªÊ±ÊÍ·Å»ØÂ·¾Í½Óͨ¡£¡£¡£¡£¡£¡£¡£Èçͼ4Ëùʾ¡£¡£¡£¡£¡£¡£¡£

ͼ4 ÊÍ·Å»ØÂ·½ÓͨµÄʱ»ú
µç×èÊÇË«Ïòµ¼µçµÄ£¬£¬£¬£¬£¬£¬£¬£¬¶ø¶þ¼«¹Ü¾Í¾ßÓе¥Ïòµ¼µçÌØÕ÷¡£¡£¡£¡£¡£¡£¡£Òò´ËÎÒÃǽÓÄÉÈçͼ5ËùʾµÄµç·£¬£¬£¬£¬£¬£¬£¬£¬Í¼Öв¢ÁªÔÚµç¸ÐÁ½Í·µÄ¶þ¼«¹Ü³ÆÎªÐøÁ÷¶þ¼«¹Ü£¨flyback diode»òflywheel diode£©¡£¡£¡£¡£¡£¡£¡£

ͼ5 ÐøÁ÷¶þ¼«¹Üµç·
ÐøÁ÷¶þ¼«¹ÜµÄ×÷ÓÃ
ÐøÁ÷¶þ¼«¹Üͨ³£ºÍ´¢ÄÜÔª¼þÒ»ÆðʹÓ㬣¬£¬£¬£¬£¬£¬£¬Æä×÷ÓÃÊDZÜÃâµç·ÖеçѹµçÁ÷µÄÍ»±ä£¬£¬£¬£¬£¬£¬£¬£¬Îª·´Ïòµç¶¯ÊÆÌṩºÄµçͨ·¡£¡£¡£¡£¡£¡£¡£µç¸ÐÏßȦ¿ÉÒÔ¾ÓÉËü¸ø¸ºÔØÌṩһÁ¬µÄµçÁ÷£¬£¬£¬£¬£¬£¬£¬£¬ÒÔÃâ¸ºÔØµçÁ÷Í»±ä£¬£¬£¬£¬£¬£¬£¬£¬Æðµ½Æ½»¬µçÁ÷µÄ×÷Óã¡ÔÚ¿ª¹ØµçÔ´ÖУ¬£¬£¬£¬£¬£¬£¬£¬¾ÍÄܼûµ½Ò»¸öÓɶþ¼«¹ÜºÍµç×蹴ͨÆðÀ´×é³ÉµÄµÄÐøÁ÷µç·¡£¡£¡£¡£¡£¡£¡£Õâ¸öµç·Óë±äѹÆ÷Ա߲¢Áª¡£¡£¡£¡£¡£¡£¡£µ±¿ª¹Ø¹Ü¹Ø¶Ïʱ£¬£¬£¬£¬£¬£¬£¬£¬ÐøÁ÷µç·¿ÉÒÔÊͷŵô±äѹÆ÷ÏßȦÖÐÖü´æµÄÄÜÁ¿¡£¡£¡£¡£¡£¡£¡£

ÐøÁ÷¶þ¼«¹ÜÊÂÇéÔÀíͼ
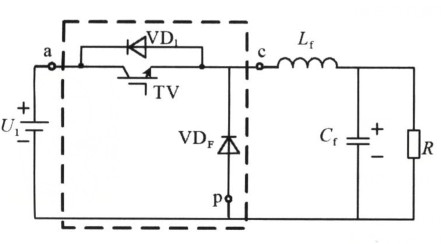
BUCKµç·ÖÐÐøÁ÷¶þ¼«¹ÜµÄÑ¡Ôñ

BUCKµç·ͼ
BUCKµç·ÖÐÒ»Ñùƽ³£Ñ¡Ôñ¿ìËÙ»Ö¸´¶þ¼«¹Ü»òÕßÐ¤ÌØ»ù¶þ¼«¹ÜÀ´×÷Ϊ"ÐøÁ÷¶þ¼«¹Ü"£¬£¬£¬£¬£¬£¬£¬£¬ËüÔÚµç·ÖÐÒ»Ñùƽ³£ÓÃÀ´±£»£»£»£»£»£»£»¤Ôª¼þ²»±»¸ÐÓ¦µçѹ»÷´©»òÉÕ»µ£¬£¬£¬£¬£¬£¬£¬£¬ÒÔ²¢ÁªµÄ·½·¨½Óµ½±¬·¢¸ÐÓ¦µç¶¯ÊƵÄÔª¼þÁ½Í·£¬£¬£¬£¬£¬£¬£¬£¬²¢ÓëÆäÐγɻØÂ·£¬£¬£¬£¬£¬£¬£¬£¬Ê¹Æä±¬·¢µÄ¸ßµç¶¯ÊÆÔÚ»ØÂ·ÒÔÐøµçÁ÷·½·¨ÏûºÄ£¬£¬£¬£¬£¬£¬£¬£¬´Ó¶øÆðµ½±£»£»£»£»£»£»£»¤µç·ÖеÄÔª¼þ²»±»Ë𻵵Ä×÷Óᣡ£¡£¡£¡£¡£¡£
ÀíÂÛÉ϶þ¼«¹ÜÑ¡ÓÃÖÁÉÙ2±¶ÓÚ×î´óµçÁ÷£¬£¬£¬£¬£¬£¬£¬£¬ÏÖʵʹÓÃʱ£¬£¬£¬£¬£¬£¬£¬£¬ÓÉÓÚ¶þ¼«¹ÜµÄ˲¼ä¿¹¹ýÔØÄÜÁ¦½ÏÇ¿£¬£¬£¬£¬£¬£¬£¬£¬Ê¹ÓÃ×î´óµçÁ÷50AµÄ³¬¿ìËÙ¶þ¼«¹ÜÒ²ÐУ¬£¬£¬£¬£¬£¬£¬£¬¼ÓÉϺÏÀíµÄÉ¢ÈÈÆ¬£¬£¬£¬£¬£¬£¬£¬£¬ÏÖʵʹÓÃÖÐÒ»Ñùƽ³£ÉÙÓÐË𻵡£¡£¡£¡£¡£¡£¡£µ¼Í¨Ê±µÄ×Ü×迹ÊÇ µç»úÄÚ×è+Çý¶¯¹ÜµÈЧÄÚ×è¡£¡£¡£¡£¡£¡£¡£ÐøÁ÷ʱµÄ×Ü×迹ÊÇ µç»úÄÚ×è+ÐøÁ÷¶þ¼«¹ÜµÈЧÄÚ×è¡£¡£¡£¡£¡£¡£¡£Ò»Ñùƽ³£ÇéÐÎÏ£¬£¬£¬£¬£¬£¬£¬£¬ÓÉÓÚÐøÁ÷¶þ¼«¹ÜµÄ½»Á÷µÈЧÄÚ×èÒª±ÈÇý¶¯Èý¼«¹ÜµÄ½»Á÷µÈЧÄÚ×èС¡£¡£¡£¡£¡£¡£¡£ÒÔÊÇͨÀýÉè¼Æ£¬£¬£¬£¬£¬£¬£¬£¬Ò»Ñùƽ³£ÐøÁ÷¶þ¼«¹ÜµÄ×î´óµçÁ÷£¬£¬£¬£¬£¬£¬£¬£¬È¡¶þ±¶ÓÚµç»ú×î´óµçÁ÷¡£¡£¡£¡£¡£¡£¡£
˲̬µçÁ÷Ö»ÊÇһ˲¼ä£¬£¬£¬£¬£¬£¬£¬£¬Ãæ½Ó´¥ÐͶþ¼«¹ÜµÄ¿¹¹ýÔØÄÜÁ¦ÕվɿÉÒԵ쬣¬£¬£¬£¬£¬£¬£¬Ö»Òª²»¹ýѹ¼´¿É£¬£¬£¬£¬£¬£¬£¬£¬ÐëҪʱ´®¸öС×èÖµµç×è¾ÙÐÐÏÞÁ÷¡£¡£¡£¡£¡£¡£¡£ÐøÁ÷¶þ¼«¹ÜÊÇΪÁ˱£»£»£»£»£»£»£»¤¿ª¹ØÆ÷¼þ£¬£¬£¬£¬£¬£¬£¬£¬ÐøÁ÷ʱµÄ˲̬µçÁ÷¸úµç»úµÄÊÂÇéµçѹºÍÈÆ×éÄÚ×èÓйأ¬£¬£¬£¬£¬£¬£¬£¬¸úµç»ú¹¦ÂÊÎ޹أ¬£¬£¬£¬£¬£¬£¬£¬ÕæÒªÅÌËãµÄ»°£¬£¬£¬£¬£¬£¬£¬£¬Ë²Ì¬µçÁ÷µÄ·åÖµÊÇ·´Ïò×Ըеçѹ¼õÈ¥¶þ¼«¹Ü½áѹ½µÔÙ³ýÒÔ»ØÂ·µç×è¡£¡£¡£¡£¡£¡£¡£ÕâÀïÖ®ÒÔÊÇ»¹ÒªÓÃÒ»¶¨µçÁ÷ÒÔÉϵĶþ¼«¹ÜÊÇÓÉÓÚµÍѹ´ó¹¦Âʵç»úµÄÈÆ×éÄÚ×è½ÏµÍ£¬£¬£¬£¬£¬£¬£¬£¬ÒÔÊÇ˲̬µçÁ÷»á½ÏÁ¿´ó£¬£¬£¬£¬£¬£¬£¬£¬´®¸öС×èÖµµç×è¾Í¿ÉÒÔÒÖÖÆ·åÖµµçÁ÷£¬£¬£¬£¬£¬£¬£¬£¬Òò´ËÔì³ÉµÄ¿ª¹Ø¹Ü˲̬¼ÓѹµÄЩÐíÉÏÉýÓÉÓÚÊÂÇéµçѹÔÀ´¾Í²»¸ß£¬£¬£¬£¬£¬£¬£¬£¬ÒÔÊÇ»ù´¡²»±Øµ£ÐÄ£¬£¬£¬£¬£¬£¬£¬£¬ÏÖÔڵľ§Ìå¹ÜÄÍѹÖÁÉÙ¶¼ÔÚ50VÒÔÉÏ¡£¡£¡£¡£¡£¡£¡£
¼ÌµçÆ÷ÐøÁ÷¶þ¼«¹ÜµÄÑ¡Ôñ

¼ÌµçÆ÷²¢ÁªµÄ¶þ¼«¹Ü£¬£¬£¬£¬£¬£¬£¬£¬²»ÊÇʲôBUCKµç·ÖеÄÐøÁ÷¶þ¼«¹Ü£¬£¬£¬£¬£¬£¬£¬£¬ÓÉÓڼ̵çÆ÷ÏßȦµÄÊǸÐÐÔ¸ºÔØ£¬£¬£¬£¬£¬£¬£¬£¬×÷ÓÃÊÇÎüÊÕÇý¶¯Èý¼«¹ÜÔÚ¶Ï¿ªÊ±¼ÌµçÆ÷ÏßȦµÄ×Ըеçѹ£¬£¬£¬£¬£¬£¬£¬£¬Æ¾Ö¤Àã´Î¶¨ÂÉ£¬£¬£¬£¬£¬£¬£¬£¬µç¸ÐÉϵĵçÁ÷ÔÚ¼õСʱ£¬£¬£¬£¬£¬£¬£¬£¬»á±¬·¢Ò»¸ö×Ըеçѹ£¬£¬£¬£¬£¬£¬£¬£¬Õâ¸öµçѹµÄÆ«ÏòÊÇÕýµçÔ´¶ËΪ¸º£¬£¬£¬£¬£¬£¬£¬£¬Çý¶¯¹Ü¼¯µç¼«ÎªÕý£¬£¬£¬£¬£¬£¬£¬£¬Õâ¸öµçѹ»á»÷´©Èý¼«¹Ü£¬£¬£¬£¬£¬£¬£¬£¬ÒÔÊÇÔڼ̵çÆ÷Éϲ¢ÁªÒ»¸öÎüÊÕ¶þ¼«¹Ü£¬£¬£¬£¬£¬£¬£¬£¬ÎüÊÕÕâ¸ö×Ըеçѹ¡£¡£¡£¡£¡£¡£¡£
µÚÒ»£¬£¬£¬£¬£¬£¬£¬£¬µç·ms¼¶ÒÔÏÂʱ¼ä²ÎÊý¶Ô»úе´¥µãÓ°Ïì¸øÓèºöÂÔ£»£»£»£»£»£»£»
µÚ¶þ£¬£¬£¬£¬£¬£¬£¬£¬¼´¼´ÊÇ1N4000·´Ïò»Ö¸´Ê±¼äÒ²Ô¶µÍÓÚms£¬£¬£¬£¬£¬£¬£¬£¬ÕýÏòµ¼Í¨Ê±¼ä¸üС£¡£¡£¡£¡£¡£¡£»£»£»£»£»£»£»
µÚÈý£¬£¬£¬£¬£¬£¬£¬£¬Çý¶¯¹Ü¼«¼äµçÈÝ£¬£¬£¬£¬£¬£¬£¬£¬¼ÌµçÆ÷¼ÄÉúµçÈÝ×ãÒÔʹ¸ßËÙ¶þ¼«¹ÜÎÞÓÃÎäÖ®µØ£»£»£»£»£»£»£»
µÚËÄ£¬£¬£¬£¬£¬£¬£¬£¬µç¸Ð´¢ÄܵÄÏûºÄÖ÷ÒªÒÀÀµÈÄ×éµç×裬£¬£¬£¬£¬£¬£¬£¬Ò»Ñùƽ³£´¦ÓÚ¹ý×èÄá״̬¡£¡£¡£¡£¡£¡£¡£
µÚ¶þ£¬£¬£¬£¬£¬£¬£¬£¬¼´¼´ÊÇ1N4000·´Ïò»Ö¸´Ê±¼äÒ²Ô¶µÍÓÚms£¬£¬£¬£¬£¬£¬£¬£¬ÕýÏòµ¼Í¨Ê±¼ä¸üС£¡£¡£¡£¡£¡£¡£»£»£»£»£»£»£»
µÚÈý£¬£¬£¬£¬£¬£¬£¬£¬Çý¶¯¹Ü¼«¼äµçÈÝ£¬£¬£¬£¬£¬£¬£¬£¬¼ÌµçÆ÷¼ÄÉúµçÈÝ×ãÒÔʹ¸ßËÙ¶þ¼«¹ÜÎÞÓÃÎäÖ®µØ£»£»£»£»£»£»£»
µÚËÄ£¬£¬£¬£¬£¬£¬£¬£¬µç¸Ð´¢ÄܵÄÏûºÄÖ÷ÒªÒÀÀµÈÄ×éµç×裬£¬£¬£¬£¬£¬£¬£¬Ò»Ñùƽ³£´¦ÓÚ¹ý×èÄá״̬¡£¡£¡£¡£¡£¡£¡£
¹ØÓÚͼÖеĿª¹Ø£¬£¬£¬£¬£¬£¬£¬£¬ÎÒÃǾ³£Ê¹Óþ§Ìå¹Ü¡£¡£¡£¡£¡£¡£¡£ÈçͼËùʾ£¬£¬£¬£¬£¬£¬£¬£¬ÓÃÒ»¸ö¾§Ìå¹ÜTR1È¥¿ØÖƼ̵çÆ÷ÏßȦ£¨relay coil£©µÄµ¼Í¨£¬£¬£¬£¬£¬£¬£¬£¬¼ÌµçÆ÷´¥µãÔÙÈ¥¿ØÖƸºÔصç·¡£¡£¡£¡£¡£¡£¡£

¼ÌµçÆ÷ÏßȦµÄÐøÁ÷µç·
¶þ¼«¹Ü¸º¼«½ÓÖ±Á÷µçÔ´Õý¼«£¬£¬£¬£¬£¬£¬£¬£¬¼ÌµçÆ÷ÏßȦ¶Ïµçʱ£¬£¬£¬£¬£¬£¬£¬£¬¶þ¼«¹ÜÒòÊÆÀûµ¼£¬£¬£¬£¬£¬£¬£¬£¬ÎªÏßȦ¸ßµçѹÌṩÊÍ·Å;¾¶¡£¡£¡£¡£¡£¡£¡£ÈôÊÇûÓÐÐøÁ÷¶þ¼«¹Ü£¬£¬£¬£¬£¬£¬£¬£¬¾§Ìå¹Ü¶Ï¿ªÊ±ÔÚÏßȦÁ½Í·±¬·¢µÄ¸ßµçѹ½«¶Ô¾§Ìå¹Üµç·Ôì³É¼«´óµÄË𻵣¬£¬£¬£¬£¬£¬£¬£¬´ËÊ±ÐøÁ÷¶þ¼«¹ÜÆðµ½Á˱£»£»£»£»£»£»£»¤×÷Óᣡ£¡£¡£¡£¡£¡£
Ϊ´Ë£¬£¬£¬£¬£¬£¬£¬£¬¾³£½«¶þ¼«¹ÜÖ±½ÓºÍ¼ÌµçÆ÷×öÔÚÒ»Æð£¬£¬£¬£¬£¬£¬£¬£¬ÈçͼËùʾ¡£¡£¡£¡£¡£¡£¡£

´¥µãµÄ±£»£»£»£»£»£»£»¤µç·
°ã¸ÐÐÔ¸ºÔرȵç×èÐÔ¸ºÔظüÈÝÒ×ʹ´¥µãÊܵ½Ëð×÷£¬£¬£¬£¬£¬£¬£¬£¬ÈôÊÇʹÓÃÊʵ±µÄ±£»£»£»£»£»£»£»¤µç·¿ÉÒÔʹ¸ÐÐÔ¸ºÔضԴ¥µãµÄÓ°ÏìÓëµç×èÐÔ¸ºÔØ»ùÄÚÇéµ±£¬£¬£¬£¬£¬£¬£¬£¬µ«Çë×¢ÖØÈôÊDz»×¼È·Ê¹Ó㬣¬£¬£¬£¬£¬£¬£¬¿ÉÄܻᱬ·¢·´Ð§¹û¡£¡£¡£¡£¡£¡£¡£
ϱíÊÇ´¥µã±£»£»£»£»£»£»£»¤µç·µÄ´ú±íÐÔÀý×Ó¡£¡£¡£¡£¡£¡£¡£


×¢ÖØÇë×èֹϱíÖÐËùÁеĴ¥µã±£»£»£»£»£»£»£»¤µç·¡£¡£¡£¡£¡£¡£¡£

ÐøÁ÷¶þ¼«¹ÜµÄµç·

ÐøÁ÷¶þ¼«¹ÜÓ¦¸Ã¼Óµ½¸ÐÐÔ¸ºÔصÄÁ½Í·£¬£¬£¬£¬£¬£¬£¬£¬ÕâÀï˵µÄ¸ÐÐÔ£¬£¬£¬£¬£¬£¬£¬£¬¾ÍÊǾßÓеç¸ÐÌØÕ÷£¬£¬£¬£¬£¬£¬£¬£¬¶ø²»ÊÇÐԸС£¡£¡£¡£¡£¡£¡£¸ÐÐÔ¸ºÔصÄÌØÕ÷¾ÍÊǵçÁ÷²»¿ÉÍ»±ä£¬£¬£¬£¬£¬£¬£¬£¬Ò²¾ÍÊÇ˵£¬£¬£¬£¬£¬£¬£¬£¬²»¿ÉÄÜÒ»ÏÂ×Ó¾ÍûÁË£¬£¬£¬£¬£¬£¬£¬£¬Ò²²»¿ÉÄÜÒ»ÏÂ×Ó¾ÍÓÐÁË£¬£¬£¬£¬£¬£¬£¬£¬ÐèÒªÓиöÀú³Ì¡£¡£¡£¡£¡£¡£¡£
³£¼ûµÄ¸ÐÐÔ¸ºÔØÓм̵çÆ÷ÏßȦ¡¢µç´Å·§¡£¡£¡£¡£¡£¡£¡£
ΪʲôҪ¼ÓÐøÁ÷¶þ¼«¹Ü
¸ÐÐÔ¸ºÔػᱬ·¢¸ÐÓ¦µç¶¯ÊÆ£¬£¬£¬£¬£¬£¬£¬£¬¸ÐÓ¦µç¶¯ÊÆµÄÆ«ÏòºÍ¼ÓÔÚËüÁ½Í·µÄµçѹƫÏòÊÇÏà·´µÄ£¬£¬£¬£¬£¬£¬£¬£¬µ±¸ÐÐÔ¸ºÔØÍ»È»¶Ïµç£¬£¬£¬£¬£¬£¬£¬£¬¸ÐÓ¦µç¶¯ÊÆ»¹ÔÚ£¬£¬£¬£¬£¬£¬£¬£¬ÓÉÓÚ¸ÐÓ¦µç¶¯ÊÆÓëÔÀ´µÄµçѹƫÏòÏà·´£¬£¬£¬£¬£¬£¬£¬£¬ÔÚûÓжϵçµÄʱ¼ä£¬£¬£¬£¬£¬£¬£¬£¬ÉÐÓÐÔÀ´µÄµçѹÓëÖ®µÖÏû£¬£¬£¬£¬£¬£¬£¬£¬¶Ïµçºó¾ÍûÓÐÓë¸ÐÓ¦µç¶¯ÊƵÖÏûµÄµçѹÁË£¬£¬£¬£¬£¬£¬£¬£¬Õâ¸ö¸ÐÓ¦µç¶¯ÊƾÍÓпÉÄÜÔì³Éµç·ÖеÄÔªÆ÷¼þË𻵣¬£¬£¬£¬£¬£¬£¬£¬¼Ó¸ö¶þ¼«¹ÜÒԺ󣬣¬£¬£¬£¬£¬£¬£¬Õâ¸ö¶þ¼«¹ÜÕýºÃÓë¸ÐÐÔ¸ºÔØÐγÉÁËÒ»¸ö±ÕºÏ»ØÂ·£¬£¬£¬£¬£¬£¬£¬£¬»ØÂ·ÖеĵçÁ÷Æ«ÏòÕýºÃºÍ¶þ¼«¹ÜÊÇÕýÏòµ¼Í¨µÄ£¬£¬£¬£¬£¬£¬£¬£¬¾Í¿ÉÒÔÊͷŸÐÓ¦µç¶¯ÊƵĵçÁ÷ÁË¡£¡£¡£¡£¡£¡£¡£

¿ÉÒÔ×÷ÎªÐøÁ÷¶þ¼«¹ÜµÄÐͺÅ
ͨË×¶þ¼«¹ÜÈç1N4007¾Í¿ÉÒÔ×÷ÎªÐøÁ÷¶þ¼«¹Ü£¬£¬£¬£¬£¬£¬£¬£¬²»¹ý£¬£¬£¬£¬£¬£¬£¬£¬×îºÃÊÇÓÿìËÙ»Ö¸´¶þ¼«¹Ü»òÕßÐ¤ÌØ»ù¶þ¼«¹Ü¡£¡£¡£¡£¡£¡£¡£
¿ìËÙ»Ö¸´¶þ¼«¹Ü¿ÉÒÔÓãºFR107¡¢1N4148
Ð¤ÌØ»ù¶þ¼«¹Ü¿ÉÒÔÓãº1N5819
Ð¤ÌØ»ù¶þ¼«¹Ü¿ÉÒÔÓãº1N5819
¿´¶þ¼«¹ÜdatasheetµÄʲô²ÎÊý
¶þ¼«¹ÜµÄÄÍѹ£¬£¬£¬£¬£¬£¬£¬£¬¾ÍÊÇ·´ÏòÄܼӶà´óµçѹ£¬£¬£¬£¬£¬£¬£¬£¬Äã¿ÉÒÔ¿´µ½£¬£¬£¬£¬£¬£¬£¬£¬ÐøÁ÷¶þ¼«¹ÜÔÚµç·ÖÐÊÇ·´ÏòÅþÁ¬µÄ¡£¡£¡£¡£¡£¡£¡£ºÃ±ÈÄãµÄµç·ÖУ¬£¬£¬£¬£¬£¬£¬£¬ÏßȦ¼ÓµÄÊÇ12V£¬£¬£¬£¬£¬£¬£¬£¬ÄÇôÄãµÄ¶þ¼«¹ÜÆ«ÏòÄÍѹֵ¾Í±ØÐèÒª´óÓÚ12V²ÅÐС£¡£¡£¡£¡£¡£¡£²»¹ýÒ»Ñùƽ³£µÄ¶þ¼«¹Ü·´ÏòÄÍѹֵ¶¼ºÜÊǸߡ£¡£¡£¡£¡£¡£¡£
¶þ¼«¹ÜµÄ×î´óÕýÏòµ¼Í¨µçÁ÷£¬£¬£¬£¬£¬£¬£¬£¬ºÃ±È1N4148×î´óÕýÏòµ¼Í¨µçÁ÷ÊÇ150mA£¬£¬£¬£¬£¬£¬£¬£¬ÄÇôÈôÊÇÄãµÄÏßȦµçÁ÷Ì«´ó£¬£¬£¬£¬£¬£¬£¬£¬¾Í»áÉÕ»µÐøÁ÷¶þ¼«¹Ü¡£¡£¡£¡£¡£¡£¡£ÒÔÊÇ1N4148Ö»ÊʺÏСµçÁ÷µÄÏßȦ±£»£»£»£»£»£»£»¤£¬£¬£¬£¬£¬£¬£¬£¬ºÃ±È5VµÄ¼ÌµçÆ÷¡£¡£¡£¡£¡£¡£¡£
ʵ¼ùÂÄÀú
ͨ³£µç·Öеļ̵çÆ÷ÏßȦÁ½Í·ºÍµç´Å·§½Ó¿ÚÁ½Í·¶¼Òª½ÓÐøÁ÷¶þ¼«¹Ü¡£¡£¡£¡£¡£¡£¡£½Ó·¨ÈçÉÏÃæµÄͼ£¬£¬£¬£¬£¬£¬£¬£¬¶þ¼«¹ÜµÄ¸º¼«½ÓÏßȦµÄÕý¼«£¬£¬£¬£¬£¬£¬£¬£¬¶þ¼«¹ÜµÄÕý¼«½ÓÏßȦµÄ¸º¼«¡£¡£¡£¡£¡£¡£¡£²»¹ý£¬£¬£¬£¬£¬£¬£¬£¬ÄãÒªÇåÎú£¬£¬£¬£¬£¬£¬£¬£¬ÐøÁ÷¶þ¼«¹Ü²¢²»ÊÇʹÓöþ¼«¹ÜµÄ·´Æ«ÏòÄÍÑ¹ÌØÕ÷£¬£¬£¬£¬£¬£¬£¬£¬¶øÊÇʹÓöþ¼«¹ÜµÄµ¥Æ«ÏòÕýÏòµ¼Í¨ÌØÕ÷¡£¡£¡£¡£¡£¡£¡£
ÈôÊÇÀÁµÃ¿´¶þ¼«¹ÜµÄdatasheet²ÎÊý£¬£¬£¬£¬£¬£¬£¬£¬¾ÍÓÃFR107°É£¬£¬£¬£¬£¬£¬£¬£¬Í¨³ÔÒ»Ñùƽ³£Ó¦Óᣡ£¡£¡£¡£¡£¡£
ʵ¼ùʾÀý£º


