ÁªÏµÖйú¡¤½ðɳ³Çjs93Ïß·¼ì²âÖÐÐÄ(¹É·Ý)ÓÐÏÞ¹«Ë¾-¹Ù·½ÍøÕ¾

ÊÖ»ú£ºÍô˾Àí15802760502
ÓÊÏ䣺hezi027@qq.com
QQ£º3212587206
µØµã£ºÎ人Êй¤¾ßºþÇø´´¹È·20ºÅ¿Æ´´ÖÐÐÄ22¶°
Ïà¹ØÎÄÕÂ
- 1¸É»õ·ÖÏíØÎ人Öйú¡¤½ðɳ³Çjs93Ïß·¼ì²âÖÐÐÄ(¹É·Ý)ÓÐÏÞ¹«Ë¾-¹Ù·½ÍøÕ¾ÖÇÄܼì²âÖÎÀíϵͳÏÈÈÝ
- 2¸É»õ·ÖÏíØÎ人Öйú¡¤½ðɳ³Çjs93Ïß·¼ì²âÖÐÐÄ(¹É·Ý)ÓÐÏÞ¹«Ë¾-¹Ù·½ÍøÕ¾Çå¾²¹¤Óþ߼ì²âÖÎÀíϵͳ(ÔÆÆ½Ì¨)ÏÈÈÝ
- 3¸É»õ·ÖÏíØÁ½ÖÖÀ׵繥»÷×°±¸±ÈÕÕÓÅÈõµã
- 4¸É»õ·ÖÏíØ¾Ö·ÅÆÁÕÏÊұȵç´ÅÆÁÕÏÊÒÒªÇó¸ü¸ß
- 5¸É»õ·ÖÏíØÎ人Öйú¡¤½ðɳ³Çjs93Ïß·¼ì²âÖÐÐÄ(¹É·Ý)ÓÐÏÞ¹«Ë¾-¹Ù·½ÍøÕ¾²úÆ·ÓÅÊÆ
- 6¸É»õ·ÖÏíØÎ人Öйú¡¤½ðɳ³Çjs93Ïß·¼ì²âÖÐÐÄ(¹É·Ý)ÓÐÏÞ¹«Ë¾-¹Ù·½ÍøÕ¾Çå¾²¹¤Óþ߲úÆ·ÓÅÊÆ
- 7¸É»õ·ÖÏíØÎ人Öйú¡¤½ðɳ³Çjs93Ïß·¼ì²âÖÐÐÄ(¹É·Ý)ÓÐÏÞ¹«Ë¾-¹Ù·½ÍøÕ¾¾Ö·ÅÒDzî±ð¼°ÓÅÊÆ
- 8¸É»õ·ÖÏíØÎ人Öйú¡¤½ðɳ³Çjs93Ïß·¼ì²âÖÐÐÄ(¹É·Ý)ÓÐÏÞ¹«Ë¾-¹Ù·½ÍøÕ¾ÎÞ¾Ö·ÅÄÍѹ²âÊÔϵͳÓÅÊÆ
- 9¸É»õ·ÖÏíØÎ人Öйú¡¤½ðɳ³Çjs93Ïß·¼ì²âÖÐÐÄ(¹É·Ý)ÓÐÏÞ¹«Ë¾-¹Ù·½ÍøÕ¾À׵繥»÷²âÊÔϵͳÓÅÊÆ
- 10HZHL-400A-I ÈýÏàÖÇÄÜ»ØÂ·µç×è²âÊÔÒDZܿÓÖ¸ÄÏ
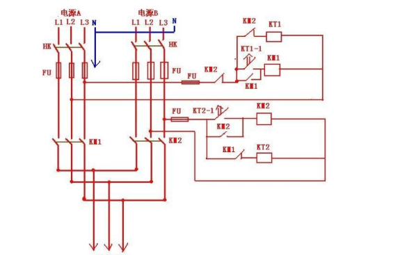
Ë«µçÔ´¹©µçÓëË«»ØÂ·¹©µçµÄÇø±ð£¬£¬£¬£¬£¬£¬£¬ÄãÕæµÄÖªµÀÂ𣿣¿£¿£¿£¿
Ðû²¼Ê±¼ä£º2025-08-08 15:53:18ÈËÆø£º
Ë«»ØÂ·¹©µçÊÇÖ¸¶þ¸ö±äµçËù»òÒ»¸ö±äµçËù¶þ¸ö²Öλ³öÀ´µÄÒ»ÂɵçѹµÄ¶þÌõÏß·¡£¡£¡£¡£¡£¡£¡£¡£µ±Ò»ÌõÏß·ÓйÊÕÏÍ£µçʱ£¬£¬£¬£¬£¬£¬£¬ÁíÒ»ÌõÏß·¿ÉÒÔÂíÉÏÇл»Í¶ÈëʹÓᣡ£¡£¡£¡£¡£¡£¡£
Ë«µçÔ´¹©µçºÍË«»ØÂ·¹©µç£¬£¬£¬£¬£¬£¬£¬ÈËÃÇÒ»Ñùƽ³£¶¼ÒÔΪÊÇÒ»ÂëÊ£¬£¬£¬£¬£¬£¬£¬Ï໥»ì½Ð¡£¡£¡£¡£¡£¡£¡£¡£¿ÉÊÇ×Ô¼ºÒÔΪÊÇÓÐÒ»Ð©Çø±ðµÄ¡£¡£¡£¡£¡£¡£¡£¡£Ë«µçÔ´¹©µçËäÈ»ÊÇÒý×ÔÁ½¸öµçÔ´£¨ÐÔ×Ó²î±ð£©£¬£¬£¬£¬£¬£¬£¬À¡µçÏß·ËäÈ»ÊÇÁ½Ìõ£»£»£»£»£»£»Ò»ÓÃÒ»±¸ÈôÊÇÖ¸µÄÊǵçÔ´£¬£¬£¬£¬£¬£¬£¬ÄÇËü¾ÍÊÇË«µçÔ´¹©µç¡£¡£¡£¡£¡£¡£¡£¡£
Ò»ÓÃÒ»±¸ÈôÊÇÖ¸µÄÊÇÀ¡µçÏß·£¬£¬£¬£¬£¬£¬£¬¾Í²»¿É³ÆÖ®ÎªË«µçÔ´¹©µçÁË¡£¡£¡£¡£¡£¡£¡£¡£¿ÉÊDz»ÊÇÓ¦¸Ã³ÆÖ®ÎªË«»ØÂ·¹©µçÄØ£¬£¬£¬£¬£¬£¬£¬ÎÒ×Ô¼ºÒ²ÒÔΪÓÐЩ²»µ±£¬£¬£¬£¬£¬£¬£¬ÏêϸӦ¸ÃÔõÑù³ÆºôÎÒҲ˵ǷºÃ¡£¡£¡£¡£¡£¡£¡£¡£¹æ·¶¶ÔË«»ØÂ·µÄ¹©µç²»ÊÇÕâÑùÚ¹Ê͵쬣¬£¬£¬£¬£¬£¬Ë«µçÔ´±ÈË«»ØÂ·¿É¿¿£¬£¬£¬£¬£¬£¬£¬µ«¶ÔÐÞ½¨µ¥ÌåÀ´Ëµ£¬£¬£¬£¬£¬£¬£¬Á½Õß¿´ÆðÀ´ºÃÏóûÓÐÊ²Ã´Çø±ð£¬£¬£¬£¬£¬£¬£¬¿ÉÊÇÊÂʵÉÏÊÇÓкܴóÇø±ðµÄ¡£¡£¡£¡£¡£¡£¡£¡£
Ò»¡¢Ë«µçÔ´¹©µç
Ë«µçÔ´¹©µçËäÈ»ÊÇÒý×ÔÁ½¸öµçÔ´£¨ÐÔ×Ó²î±ð£©£¬£¬£¬£¬£¬£¬£¬À¡µçÏß·ËäÈ»ÊÇÁ½Ìõ£»£»£»£»£»£»Ò»ÓÃÒ»±¸ÈôÊÇÖ¸µÄÊǵçÔ´£¬£¬£¬£¬£¬£¬£¬ÄÇËü¾ÍÊÇË«µçÔ´¹©µç¡£¡£¡£¡£¡£¡£¡£¡£
Ò»Ñùƽ³£ÇéÐÎÏ£¬£¬£¬£¬£¬£¬£¬¾ß±¸ÏÂÁÐÌõ¼þÖ®Ò»Õߣ¬£¬£¬£¬£¬£¬£¬¿ÉÅú׼˫µçÔ´¹©µç£º
£¨1£©Ö÷ÒªµÄµ³¡¢Õþ¡¢¾ü»ú¹Ø£¬£¬£¬£¬£¬£¬£¬¹ú·À¡¢¿ÆÑÐÖØµã¹¤³ÌÏîÄ¿£¬£¬£¬£¬£¬£¬£¬ÓÉÓÚµçÔ´ÖÐÖ¹£¬£¬£¬£¬£¬£¬£¬½«»áÔì³ÉÑÏÖØÐ§¹ûµÄ¡£¡£¡£¡£¡£¡£¡£¡£
£¨2£©Ö÷ÒªµÄÐÂÎÅ¡¢¹ã²¥ÖÐÐÄ¡¢½»Í¨Í¨Ñ¶ÊàŦ£¬£¬£¬£¬£¬£¬£¬¹«¹²ÊÂÒµ¡¢Ò½ÁÆÎÀÉúµ¥Î»£¬£¬£¬£¬£¬£¬£¬ÓÉÓÚµçÔ´ÖÐÖ¹£¬£¬£¬£¬£¬£¬£¬½«»áÔì³ÉÑÏÖØÐ§¹ûµÄ¡£¡£¡£¡£¡£¡£¡£¡£
£¨3£©¾ü¹¤µ¥Î»¡¢¹¤³§ÆóÒµÓÉÓÚµçÔ´ÖÐÖ¹½«»áÔì³ÉÈËÉíºÍ×°±¸Ê¹ʣ¬£¬£¬£¬£¬£¬£¬ÖÊÁÏ´ó×ÚËðʧ£¬£¬£¬£¬£¬£¬£¬²úÆ·´ó×Ú±¨·Ï£¬£¬£¬£¬£¬£¬£¬Í£²úЪ¹¤£¬£¬£¬£¬£¬£¬£¬ºã¾Ã²»¿É»Ö¸´¡£¡£¡£¡£¡£¡£¡£¡£
£¨4£©Ö÷ÒªµÄ¹«¹²³¡ºÏ¡£¡£¡£¡£¡£¡£¡£¡£
£¨5£©Æ¾Ö¤Éú²úµÄÌØµã£¬£¬£¬£¬£¬£¬£¬¶Ô¹©µçµÄÒ»Á¬ÐÔÓÐÌØÊâÒªÇóµÄ¡£¡£¡£¡£¡£¡£¡£¡£
¶þ¡¢Ë«»ØÂ·¹©µç
Ë«»ØÂ·¹©µçÊÇÖ¸¶þ¸ö±äµçËù»òÒ»¸ö±äµçËù¶þ¸ö²Öλ³öÀ´µÄÒ»ÂɵçѹµÄ¶þÌõÏß·¡£¡£¡£¡£¡£¡£¡£¡£µ±Ò»ÌõÏß·ÓйÊÕÏÍ£µçʱ£¬£¬£¬£¬£¬£¬£¬ÁíÒ»ÌõÏß·¿ÉÒÔÂíÉÏÇл»Í¶ÈëʹÓᣡ£¡£¡£¡£¡£¡£¡£¶àÓÃÓÚѧУÆóÊÂÒµµ¥Î»£¬£¬£¬£¬£¬£¬£¬Àû±ã¿ì½Ý¡£¡£¡£¡£¡£¡£¡£¡£
ÀýÈ磺Î人Çá¹ìÓÐÁ½¸ö×ÔÁ¦µçÕ¾Êäµç£¬£¬£¬£¬£¬£¬£¬½ÓÄɓ˫»ØÂ·”¹©µçϵͳ£¬£¬£¬£¬£¬£¬£¬×ÝÈ»Óöµ½Í£µç£¬£¬£¬£¬£¬£¬£¬Ò²Äܰü¹ÜÆäÕý³£ÔËÓª¡£¡£¡£¡£¡£¡£¡£¡£
Ò»ÓÃÒ»±¸ÈôÊÇÖ¸µÄÊÇÀ¡µçÏß·£¬£¬£¬£¬£¬£¬£¬¾Í²»¿É³ÆÖ®ÎªË«µçÔ´¹©µçÁË¡£¡£¡£¡£¡£¡£¡£¡£Ë«µçÔ´±ÈË«»ØÂ·¿É¿¿£¬£¬£¬£¬£¬£¬£¬µ«¶ÔÐÞ½¨µ¥ÌåÀ´Ëµ£¬£¬£¬£¬£¬£¬£¬Á½Õß¿´ÆðÀ´ºÃÏóûÓÐÊ²Ã´Çø±ð£¬£¬£¬£¬£¬£¬£¬Ðí¶àÇéÐÎ϶¼ÊÇÁ½Â·½øÏß¡£¡£¡£¡£¡£¡£¡£¡£
Ë«µçÔ´ÓÐÒ»ÖÖÇéÐÎÊÇÕâÑùµÄ£ºÁ½Â·½øÏß½Ó×Ô²î±ðµÄÇøÓò±äµçÕ¾£»£»£»£»£»£»
¶ø¶ÔÓ¦£¬£¬£¬£¬£¬£¬£¬Ë«»ØÂ·ÓÐÒ»ÖÖÇéÐÎÊÇÕâÑùµÄ£ºÁ½Â·½øÏß½Ó×ÔÍ³Ò»ÇøÓò±äµçÕ¾µÄ²î±ðĸÏß¡£¡£¡£¡£¡£¡£¡£¡£
ÒÔÊÇ£¬£¬£¬£¬£¬£¬£¬“Ë«»ØÂ·”ÖеÄÕâ¸ö»ØÂ·Ö¸µÄÊÇÇøÓò±äµçÕ¾³öÀ´µÄ»ØÂ·¡£¡£¡£¡£¡£¡£¡£¡£Ë«µçÔ´ÊǵçԴȪԴ²î±ð£¬£¬£¬£¬£¬£¬£¬Ï໥×ÔÁ¦£¬£¬£¬£¬£¬£¬£¬ÆäÖÐÒ»¸öµçÔ´¶ÏµçÒÔºóµÚ¶þ¸öµçÔ´²»»áͬʱ¶Ïµç£¬£¬£¬£¬£¬£¬£¬¿ÉÒÔÖª×ãÒ»¶þ¼¶¸ººÉµÄ¹©µç¡£¡£¡£¡£¡£¡£¡£¡£¶øË«»ØÂ·Ò»Ñùƽ³£Ö¸×îºó£¬£¬£¬£¬£¬£¬£¬Ò»ÌõÏß·¹ÊÕϺóÁíÒ»±¸ÓûØÂ·Í¶ÈëÔËÐУ¬£¬£¬£¬£¬£¬£¬Îª×°±¸¹©µç¡£¡£¡£¡£¡£¡£¡£¡£Á½»ØÂ·¿ÉÄÜÊÇͳһµçÔ´Ò²¿ÉÄÜÊDzî±ðµçÔ´¡£¡£¡£¡£¡£¡£¡£¡£
Èý¡¢Ë«µçÔ´¹©µçÓëË«»ØÂ·¹©µçµÄÇø±ð
ÎÒÃÇÊ×ÏÈ´Ó½ç˵ÉÏÏàʶÏÂË«µçÔ´ÓëË«»ØÂ·£º
£¨1£©Ë«µçÔ´£ºÒ»ÖÖÓÉ΢´¦Öóͷ£Æ÷¿ØÖÆ£¬£¬£¬£¬£¬£¬£¬ÓÃÓÚµçÍøÏµÍ³ÖÐÍøµçÓëÍøµç»òÍøµçÓë·¢µç»úµçÔ´Æô¶¯Çл»µÄ×°Ö㬣¬£¬£¬£¬£¬£¬¿ÉʹµçÔ´Ò»Á¬Ô´¹©µç¡£¡£¡£¡£¡£¡£¡£¡£¶þ·µçÔ´À´×Ô²î±ðµÄ±äµçËù£¨»òÒ»ÆðµçÔ´Ò»Æð·¢µç»ú£©¡£¡£¡£¡£¡£¡£¡£¡£
£¨2£©Ë«»ØÂ·£ºÒ»¸ö¸ººÉÓÐÁ½¸ö¹©µçµçÔ´µÄ»ØÂ·¡£¡£¡£¡£¡£¡£¡£¡£Á½Â·µçÔ´À´×Ôͳһ±äµçËùÇÒ²î±ð¶ÎĸÏߣ¨ÓÐʱÒòµ¹¸ººÉ£¬£¬£¬£¬£¬£¬£¬¿ÉÄܶþ¶ÎĸÏß²¢ÁУ©¡£¡£¡£¡£¡£¡£¡£¡£
Ê×ÏÈ£¬£¬£¬£¬£¬£¬£¬Æ¾Ö¤GB50052-2009£¬£¬£¬£¬£¬£¬£¬Ë«µçÔ´ÏÖÔڵıê׼˵·¨½ÐË«ÖØµçÔ´£ºÒ»¸ö¸ººÉµÄµçÔ´ÊÇÓÉÁ½¸öµç·ÌṩµÄ£¬£¬£¬£¬£¬£¬£¬ÕâÁ½¸öµç·¾ÍÇå¾²¹©µç¶øÑÔÊÇÏ໥×ÔÁ¦µÄ¡£¡£¡£¡£¡£¡£¡£¡£
Æä´Î£¬£¬£¬£¬£¬£¬£¬Ë«µçÔ´µÄµçÔ´£¬£¬£¬£¬£¬£¬£¬Ó¦¸ÃÊǵçÒµµÄ±äµçËù£¬£¬£¬£¬£¬£¬£¬¶ø²»ÊÇÏîÄ¿ÄÚ²¿µÄ±äµçËù£¨ÏîÄ¿ÕûÌå×÷Ϊ¸ººÉÀ´Ë¼Á¿£©¡£¡£¡£¡£¡£¡£¡£¡£
ÔٴΣ¬£¬£¬£¬£¬£¬£¬µçÔ´µÄ±äѹÆ÷±ØÐèÊÇÒý×Ô²î±ðµÄĸÏ߶Ρ£¡£¡£¡£¡£¡£¡£¡£ÓÐЩµØÇø±äµçËùÊÇÓÐ2̨±äѹÆ÷£¬£¬£¬£¬£¬£¬£¬µ«Á½Ì¨±äѹÆ÷¾ùÓÉÒ»¶ÎĸÏßÅä³ö£¬£¬£¬£¬£¬£¬£¬½ÓÄɵÄÊǵ¥Ä¸Ïß»òÕßµ¥Ä¸Ï߷ֶεĽÓÏß·½·¨£¬£¬£¬£¬£¬£¬£¬ÊDz»¿É×÷Ϊ˫µçÔ´À´´¦Öóͷ£µÄ¡£¡£¡£¡£¡£¡£¡£¡£
Òò´Ë£¬£¬£¬£¬£¬£¬£¬Ë«ÖصçÔ´Ó¦¸ÃÊÇÒý×ÔµçÒµ±äµçËùµÄÓÉÆäÖвî±ðĸÏ߶λ®·ÖÅɳöÒ»ÆðµçÔ´¶ø×é³ÉµÄ¹©µçµçÔ´¡£¡£¡£¡£¡£¡£¡£¡£
¶ø¹ØÓÚË«»ØÂ·¾ÍûÓÐÕâ¸öÒªÇóÁË¡£¡£¡£¡£¡£¡£¡£¡£ÓÉһ̨±äѹÆ÷Åä³öµÄ2¸ö»ØÂ·»òÕß»·Íø¡¢ÓÉͳһĸÏ߶εÄ2̨±äѹÆ÷Åä³öµÄ2·µçÔ´¶¼¿ÉÒÔ×÷Ϊ˫»ØÂ·Ë¼Á¿¡£¡£¡£¡£¡£¡£¡£¡£Ë«»ØÂ·µçÔ´Ö»ÄÜÈ·±£¶þ¼¶¼°ÒÔϸººÉµÄ¹©µçÐèÒª¡£¡£¡£¡£¡£¡£¡£¡£
Ë«µçÔ´¹©µç·½·¨ÊÇÓÉÁ½¸ö×ÔÁ¦±äµçËùÒýÀ´Á½Â·µçÔ´£¬£¬£¬£¬£¬£¬£¬»òÕßÓÉÒ»¸ö±äµçËùÁ½Ì¨±äѹÆ÷µÄÁ½¶ÎĸÏßÉÏ»®·Ö¸÷ÒýÒ»ÆðµçÔ´£¬£¬£¬£¬£¬£¬£¬ÕâÑùÒýÀ´µÄÁ½Â·µçÔ´Äܹ»°ü¹Ü¸÷·µçÔ´µÄ×ÔÁ¦ÐÔ£¬£¬£¬£¬£¬£¬£¬µ±Ò»ÆðµçÔ´Òò¹ÊÕÏÍ£µçʱ£¬£¬£¬£¬£¬£¬£¬ÁíÒ»ÆðµçÔ´»¹Äܰü¹ÜÐÞ½¨ÎïµÄ¿É¿¿¹©µç¡£¡£¡£¡£¡£¡£¡£¡£Ë«»ØÂ·¹©µçµÄ¹©µç·½·¨¿ÉÒÔÊÇË«µçÔ´¹©µç£¬£¬£¬£¬£¬£¬£¬Ò²¿ÉÒÔÊǵ¥µçÔ´Ë«»ØÂ·¹©µç¡£¡£¡£¡£¡£¡£¡£¡£ÔÚµ¥µçÔ´Ë«»ØÂ·¹©µçʱ£¬£¬£¬£¬£¬£¬£¬µ±¹©µçµçÔ´»òĸÏß±¬·¢¹ÊÕÏʱÕû¸öÐÞ½¨µÄ¹©µçµçÔ´½«»áÖÐÖ¹¡£¡£¡£¡£¡£¡£¡£¡£
×ÛÉÏËùÊö£ºÒÔ¼°ÍŽảÄÚÓõ縺ºÉµÄʹÓÃÂÄÀú¡£¡£¡£¡£¡£¡£¡£¡£Ë«»ØÂ·Ö÷ÒªÓÃÓÚ¶ÔÓõçÒªÇó½ÏÁ¿¸ßµÄ¶þ¼¶¸ººÉ£¬£¬£¬£¬£¬£¬£¬ÈçÒ½Ôº¡¢ÒøÐеȲ¿·Ö£¬£¬£¬£¬£¬£¬£¬¾³£ÔÚÏß·Éè¼ÆÊ±×öÁ½Â·»ØÂ·¹©µç£¬£¬£¬£¬£¬£¬£¬ÔÚÒ»ÆðµçÔ´·ºÆð¹ÊÕϵÄÇéÐÎÏ£¬£¬£¬£¬£¬£¬£¬ÁíÍâÒ»ÆðµçÔ´ÓÐÓðü¹ÜÁËÓõçµÄÒ»Á¬ÐԺͿɿ¿ÐÔ¡£¡£¡£¡£¡£¡£¡£¡£
Óɴ˿ɼûË«»ØÂ·µÄÓõçµçÔ´½öΪһ¸ö£¬£¬£¬£¬£¬£¬£¬Ë«µçÔ´ÔòÊÇÁ½¸ö×ÔÁ¦µÄµçÔ´¹©µç£¬£¬£¬£¬£¬£¬£¬ÔÚÏß·±¬·¢¹ÊÕϼ°ÓÐÐèÇóʱ£¬£¬£¬£¬£¬£¬£¬Çл»µ½ÁíÒ»ÆðµçÔ´¾ÙÐй©µç¡£¡£¡£¡£¡£¡£¡£¡£Ë«µçÔ´Ö÷ÒªÓ¦ÓÃÓÚÒªÇó¸ü¸ßµÄÒ»¼¶¸ººÉ¡£¡£¡£¡£¡£¡£¡£¡£
Ë«µçÔ´¹©µçºÍË«»ØÂ·¹©µç£¬£¬£¬£¬£¬£¬£¬ÈËÃÇÒ»Ñùƽ³£¶¼ÒÔΪÊÇÒ»ÂëÊ£¬£¬£¬£¬£¬£¬£¬Ï໥»ì½Ð¡£¡£¡£¡£¡£¡£¡£¡£¿ÉÊÇ×Ô¼ºÒÔΪÊÇÓÐÒ»Ð©Çø±ðµÄ¡£¡£¡£¡£¡£¡£¡£¡£Ë«µçÔ´¹©µçËäÈ»ÊÇÒý×ÔÁ½¸öµçÔ´£¨ÐÔ×Ó²î±ð£©£¬£¬£¬£¬£¬£¬£¬À¡µçÏß·ËäÈ»ÊÇÁ½Ìõ£»£»£»£»£»£»Ò»ÓÃÒ»±¸ÈôÊÇÖ¸µÄÊǵçÔ´£¬£¬£¬£¬£¬£¬£¬ÄÇËü¾ÍÊÇË«µçÔ´¹©µç¡£¡£¡£¡£¡£¡£¡£¡£
Ò»ÓÃÒ»±¸ÈôÊÇÖ¸µÄÊÇÀ¡µçÏß·£¬£¬£¬£¬£¬£¬£¬¾Í²»¿É³ÆÖ®ÎªË«µçÔ´¹©µçÁË¡£¡£¡£¡£¡£¡£¡£¡£¿ÉÊDz»ÊÇÓ¦¸Ã³ÆÖ®ÎªË«»ØÂ·¹©µçÄØ£¬£¬£¬£¬£¬£¬£¬ÎÒ×Ô¼ºÒ²ÒÔΪÓÐЩ²»µ±£¬£¬£¬£¬£¬£¬£¬ÏêϸӦ¸ÃÔõÑù³ÆºôÎÒҲ˵ǷºÃ¡£¡£¡£¡£¡£¡£¡£¡£¹æ·¶¶ÔË«»ØÂ·µÄ¹©µç²»ÊÇÕâÑùÚ¹Ê͵쬣¬£¬£¬£¬£¬£¬Ë«µçÔ´±ÈË«»ØÂ·¿É¿¿£¬£¬£¬£¬£¬£¬£¬µ«¶ÔÐÞ½¨µ¥ÌåÀ´Ëµ£¬£¬£¬£¬£¬£¬£¬Á½Õß¿´ÆðÀ´ºÃÏóûÓÐÊ²Ã´Çø±ð£¬£¬£¬£¬£¬£¬£¬¿ÉÊÇÊÂʵÉÏÊÇÓкܴóÇø±ðµÄ¡£¡£¡£¡£¡£¡£¡£¡£



£¨1£©Ö÷ÒªµÄµ³¡¢Õþ¡¢¾ü»ú¹Ø£¬£¬£¬£¬£¬£¬£¬¹ú·À¡¢¿ÆÑÐÖØµã¹¤³ÌÏîÄ¿£¬£¬£¬£¬£¬£¬£¬ÓÉÓÚµçÔ´ÖÐÖ¹£¬£¬£¬£¬£¬£¬£¬½«»áÔì³ÉÑÏÖØÐ§¹ûµÄ¡£¡£¡£¡£¡£¡£¡£¡£
£¨2£©Ö÷ÒªµÄÐÂÎÅ¡¢¹ã²¥ÖÐÐÄ¡¢½»Í¨Í¨Ñ¶ÊàŦ£¬£¬£¬£¬£¬£¬£¬¹«¹²ÊÂÒµ¡¢Ò½ÁÆÎÀÉúµ¥Î»£¬£¬£¬£¬£¬£¬£¬ÓÉÓÚµçÔ´ÖÐÖ¹£¬£¬£¬£¬£¬£¬£¬½«»áÔì³ÉÑÏÖØÐ§¹ûµÄ¡£¡£¡£¡£¡£¡£¡£¡£
£¨3£©¾ü¹¤µ¥Î»¡¢¹¤³§ÆóÒµÓÉÓÚµçÔ´ÖÐÖ¹½«»áÔì³ÉÈËÉíºÍ×°±¸Ê¹ʣ¬£¬£¬£¬£¬£¬£¬ÖÊÁÏ´ó×ÚËðʧ£¬£¬£¬£¬£¬£¬£¬²úÆ·´ó×Ú±¨·Ï£¬£¬£¬£¬£¬£¬£¬Í£²úЪ¹¤£¬£¬£¬£¬£¬£¬£¬ºã¾Ã²»¿É»Ö¸´¡£¡£¡£¡£¡£¡£¡£¡£
£¨4£©Ö÷ÒªµÄ¹«¹²³¡ºÏ¡£¡£¡£¡£¡£¡£¡£¡£
£¨5£©Æ¾Ö¤Éú²úµÄÌØµã£¬£¬£¬£¬£¬£¬£¬¶Ô¹©µçµÄÒ»Á¬ÐÔÓÐÌØÊâÒªÇóµÄ¡£¡£¡£¡£¡£¡£¡£¡£
¶þ¡¢Ë«»ØÂ·¹©µç
Ë«»ØÂ·¹©µçÊÇÖ¸¶þ¸ö±äµçËù»òÒ»¸ö±äµçËù¶þ¸ö²Öλ³öÀ´µÄÒ»ÂɵçѹµÄ¶þÌõÏß·¡£¡£¡£¡£¡£¡£¡£¡£µ±Ò»ÌõÏß·ÓйÊÕÏÍ£µçʱ£¬£¬£¬£¬£¬£¬£¬ÁíÒ»ÌõÏß·¿ÉÒÔÂíÉÏÇл»Í¶ÈëʹÓᣡ£¡£¡£¡£¡£¡£¡£¶àÓÃÓÚѧУÆóÊÂÒµµ¥Î»£¬£¬£¬£¬£¬£¬£¬Àû±ã¿ì½Ý¡£¡£¡£¡£¡£¡£¡£¡£
ÀýÈ磺Î人Çá¹ìÓÐÁ½¸ö×ÔÁ¦µçÕ¾Êäµç£¬£¬£¬£¬£¬£¬£¬½ÓÄɓ˫»ØÂ·”¹©µçϵͳ£¬£¬£¬£¬£¬£¬£¬×ÝÈ»Óöµ½Í£µç£¬£¬£¬£¬£¬£¬£¬Ò²Äܰü¹ÜÆäÕý³£ÔËÓª¡£¡£¡£¡£¡£¡£¡£¡£

Ë«µçÔ´ÓÐÒ»ÖÖÇéÐÎÊÇÕâÑùµÄ£ºÁ½Â·½øÏß½Ó×Ô²î±ðµÄÇøÓò±äµçÕ¾£»£»£»£»£»£»
¶ø¶ÔÓ¦£¬£¬£¬£¬£¬£¬£¬Ë«»ØÂ·ÓÐÒ»ÖÖÇéÐÎÊÇÕâÑùµÄ£ºÁ½Â·½øÏß½Ó×ÔÍ³Ò»ÇøÓò±äµçÕ¾µÄ²î±ðĸÏß¡£¡£¡£¡£¡£¡£¡£¡£
ÒÔÊÇ£¬£¬£¬£¬£¬£¬£¬“Ë«»ØÂ·”ÖеÄÕâ¸ö»ØÂ·Ö¸µÄÊÇÇøÓò±äµçÕ¾³öÀ´µÄ»ØÂ·¡£¡£¡£¡£¡£¡£¡£¡£Ë«µçÔ´ÊǵçԴȪԴ²î±ð£¬£¬£¬£¬£¬£¬£¬Ï໥×ÔÁ¦£¬£¬£¬£¬£¬£¬£¬ÆäÖÐÒ»¸öµçÔ´¶ÏµçÒÔºóµÚ¶þ¸öµçÔ´²»»áͬʱ¶Ïµç£¬£¬£¬£¬£¬£¬£¬¿ÉÒÔÖª×ãÒ»¶þ¼¶¸ººÉµÄ¹©µç¡£¡£¡£¡£¡£¡£¡£¡£¶øË«»ØÂ·Ò»Ñùƽ³£Ö¸×îºó£¬£¬£¬£¬£¬£¬£¬Ò»ÌõÏß·¹ÊÕϺóÁíÒ»±¸ÓûØÂ·Í¶ÈëÔËÐУ¬£¬£¬£¬£¬£¬£¬Îª×°±¸¹©µç¡£¡£¡£¡£¡£¡£¡£¡£Á½»ØÂ·¿ÉÄÜÊÇͳһµçÔ´Ò²¿ÉÄÜÊDzî±ðµçÔ´¡£¡£¡£¡£¡£¡£¡£¡£
Èý¡¢Ë«µçÔ´¹©µçÓëË«»ØÂ·¹©µçµÄÇø±ð
ÎÒÃÇÊ×ÏÈ´Ó½ç˵ÉÏÏàʶÏÂË«µçÔ´ÓëË«»ØÂ·£º
£¨1£©Ë«µçÔ´£ºÒ»ÖÖÓÉ΢´¦Öóͷ£Æ÷¿ØÖÆ£¬£¬£¬£¬£¬£¬£¬ÓÃÓÚµçÍøÏµÍ³ÖÐÍøµçÓëÍøµç»òÍøµçÓë·¢µç»úµçÔ´Æô¶¯Çл»µÄ×°Ö㬣¬£¬£¬£¬£¬£¬¿ÉʹµçÔ´Ò»Á¬Ô´¹©µç¡£¡£¡£¡£¡£¡£¡£¡£¶þ·µçÔ´À´×Ô²î±ðµÄ±äµçËù£¨»òÒ»ÆðµçÔ´Ò»Æð·¢µç»ú£©¡£¡£¡£¡£¡£¡£¡£¡£


Æä´Î£¬£¬£¬£¬£¬£¬£¬Ë«µçÔ´µÄµçÔ´£¬£¬£¬£¬£¬£¬£¬Ó¦¸ÃÊǵçÒµµÄ±äµçËù£¬£¬£¬£¬£¬£¬£¬¶ø²»ÊÇÏîÄ¿ÄÚ²¿µÄ±äµçËù£¨ÏîÄ¿ÕûÌå×÷Ϊ¸ººÉÀ´Ë¼Á¿£©¡£¡£¡£¡£¡£¡£¡£¡£
ÔٴΣ¬£¬£¬£¬£¬£¬£¬µçÔ´µÄ±äѹÆ÷±ØÐèÊÇÒý×Ô²î±ðµÄĸÏ߶Ρ£¡£¡£¡£¡£¡£¡£¡£ÓÐЩµØÇø±äµçËùÊÇÓÐ2̨±äѹÆ÷£¬£¬£¬£¬£¬£¬£¬µ«Á½Ì¨±äѹÆ÷¾ùÓÉÒ»¶ÎĸÏßÅä³ö£¬£¬£¬£¬£¬£¬£¬½ÓÄɵÄÊǵ¥Ä¸Ïß»òÕßµ¥Ä¸Ï߷ֶεĽÓÏß·½·¨£¬£¬£¬£¬£¬£¬£¬ÊDz»¿É×÷Ϊ˫µçÔ´À´´¦Öóͷ£µÄ¡£¡£¡£¡£¡£¡£¡£¡£
Òò´Ë£¬£¬£¬£¬£¬£¬£¬Ë«ÖصçÔ´Ó¦¸ÃÊÇÒý×ÔµçÒµ±äµçËùµÄÓÉÆäÖвî±ðĸÏ߶λ®·ÖÅɳöÒ»ÆðµçÔ´¶ø×é³ÉµÄ¹©µçµçÔ´¡£¡£¡£¡£¡£¡£¡£¡£
¶ø¹ØÓÚË«»ØÂ·¾ÍûÓÐÕâ¸öÒªÇóÁË¡£¡£¡£¡£¡£¡£¡£¡£ÓÉһ̨±äѹÆ÷Åä³öµÄ2¸ö»ØÂ·»òÕß»·Íø¡¢ÓÉͳһĸÏ߶εÄ2̨±äѹÆ÷Åä³öµÄ2·µçÔ´¶¼¿ÉÒÔ×÷Ϊ˫»ØÂ·Ë¼Á¿¡£¡£¡£¡£¡£¡£¡£¡£Ë«»ØÂ·µçÔ´Ö»ÄÜÈ·±£¶þ¼¶¼°ÒÔϸººÉµÄ¹©µçÐèÒª¡£¡£¡£¡£¡£¡£¡£¡£
Ë«µçÔ´¹©µç·½·¨ÊÇÓÉÁ½¸ö×ÔÁ¦±äµçËùÒýÀ´Á½Â·µçÔ´£¬£¬£¬£¬£¬£¬£¬»òÕßÓÉÒ»¸ö±äµçËùÁ½Ì¨±äѹÆ÷µÄÁ½¶ÎĸÏßÉÏ»®·Ö¸÷ÒýÒ»ÆðµçÔ´£¬£¬£¬£¬£¬£¬£¬ÕâÑùÒýÀ´µÄÁ½Â·µçÔ´Äܹ»°ü¹Ü¸÷·µçÔ´µÄ×ÔÁ¦ÐÔ£¬£¬£¬£¬£¬£¬£¬µ±Ò»ÆðµçÔ´Òò¹ÊÕÏÍ£µçʱ£¬£¬£¬£¬£¬£¬£¬ÁíÒ»ÆðµçÔ´»¹Äܰü¹ÜÐÞ½¨ÎïµÄ¿É¿¿¹©µç¡£¡£¡£¡£¡£¡£¡£¡£Ë«»ØÂ·¹©µçµÄ¹©µç·½·¨¿ÉÒÔÊÇË«µçÔ´¹©µç£¬£¬£¬£¬£¬£¬£¬Ò²¿ÉÒÔÊǵ¥µçÔ´Ë«»ØÂ·¹©µç¡£¡£¡£¡£¡£¡£¡£¡£ÔÚµ¥µçÔ´Ë«»ØÂ·¹©µçʱ£¬£¬£¬£¬£¬£¬£¬µ±¹©µçµçÔ´»òĸÏß±¬·¢¹ÊÕÏʱÕû¸öÐÞ½¨µÄ¹©µçµçÔ´½«»áÖÐÖ¹¡£¡£¡£¡£¡£¡£¡£¡£

Óɴ˿ɼûË«»ØÂ·µÄÓõçµçÔ´½öΪһ¸ö£¬£¬£¬£¬£¬£¬£¬Ë«µçÔ´ÔòÊÇÁ½¸ö×ÔÁ¦µÄµçÔ´¹©µç£¬£¬£¬£¬£¬£¬£¬ÔÚÏß·±¬·¢¹ÊÕϼ°ÓÐÐèÇóʱ£¬£¬£¬£¬£¬£¬£¬Çл»µ½ÁíÒ»ÆðµçÔ´¾ÙÐй©µç¡£¡£¡£¡£¡£¡£¡£¡£Ë«µçÔ´Ö÷ÒªÓ¦ÓÃÓÚÒªÇó¸ü¸ßµÄÒ»¼¶¸ººÉ¡£¡£¡£¡£¡£¡£¡£¡£

