ÁªÏµÖйú¡¤½ðɳ³Çjs93Ïß·¼ì²âÖÐÐÄ(¹É·Ý)ÓÐÏÞ¹«Ë¾-¹Ù·½ÍøÕ¾

ÊÖ»ú£ºÍô˾Àí15802760502
ÓÊÏ䣺hezi027@qq.com
QQ£º3212587206
µØµã£ºÎ人Êй¤¾ßºþÇø´´¹È·20ºÅ¿Æ´´ÖÐÐÄ22¶°
Ïà¹ØÎÄÕÂ
- 1¸É»õ·ÖÏíØÎ人Öйú¡¤½ðɳ³Çjs93Ïß·¼ì²âÖÐÐÄ(¹É·Ý)ÓÐÏÞ¹«Ë¾-¹Ù·½ÍøÕ¾ÖÇÄܼì²âÖÎÀíϵͳÏÈÈÝ
- 2¸É»õ·ÖÏíØÎ人Öйú¡¤½ðɳ³Çjs93Ïß·¼ì²âÖÐÐÄ(¹É·Ý)ÓÐÏÞ¹«Ë¾-¹Ù·½ÍøÕ¾Çå¾²¹¤Óþ߼ì²âÖÎÀíϵͳ(ÔÆÆ½Ì¨)ÏÈÈÝ
- 3¸É»õ·ÖÏíØÁ½ÖÖÀ׵繥»÷×°±¸±ÈÕÕÓÅÈõµã
- 4¸É»õ·ÖÏíØ¾Ö·ÅÆÁÕÏÊұȵç´ÅÆÁÕÏÊÒÒªÇó¸ü¸ß
- 5¸É»õ·ÖÏíØÎ人Öйú¡¤½ðɳ³Çjs93Ïß·¼ì²âÖÐÐÄ(¹É·Ý)ÓÐÏÞ¹«Ë¾-¹Ù·½ÍøÕ¾²úÆ·ÓÅÊÆ
- 6¸É»õ·ÖÏíØÎ人Öйú¡¤½ðɳ³Çjs93Ïß·¼ì²âÖÐÐÄ(¹É·Ý)ÓÐÏÞ¹«Ë¾-¹Ù·½ÍøÕ¾Çå¾²¹¤Óþ߲úÆ·ÓÅÊÆ
- 7¸É»õ·ÖÏíØÎ人Öйú¡¤½ðɳ³Çjs93Ïß·¼ì²âÖÐÐÄ(¹É·Ý)ÓÐÏÞ¹«Ë¾-¹Ù·½ÍøÕ¾¾Ö·ÅÒDzî±ð¼°ÓÅÊÆ
- 8¸É»õ·ÖÏíØÎ人Öйú¡¤½ðɳ³Çjs93Ïß·¼ì²âÖÐÐÄ(¹É·Ý)ÓÐÏÞ¹«Ë¾-¹Ù·½ÍøÕ¾ÎÞ¾Ö·ÅÄÍѹ²âÊÔϵͳÓÅÊÆ
- 9¸É»õ·ÖÏíØÎ人Öйú¡¤½ðɳ³Çjs93Ïß·¼ì²âÖÐÐÄ(¹É·Ý)ÓÐÏÞ¹«Ë¾-¹Ù·½ÍøÕ¾À׵繥»÷²âÊÔϵͳÓÅÊÆ
- 10HZHL-400A-I ÈýÏàÖÇÄÜ»ØÂ·µç×è²âÊÔÒDZܿÓÖ¸ÄÏ
¸É»õ¿ÎÌà | ×îÈ«±äѹÆ÷ͼÎÄÆÊÎö
Ðû²¼Ê±¼ä£º2025-01-23 14:04:08ÈËÆø£º
Ò»¡¢±äѹÆ÷µÄÖÖÀàºÍ¹¦Ð§Ìصã
±äѹÆ÷ÊÇÒ»ÖÖÓÃÀ´±ä»»µçѹ¡¢µçÁ÷»ò×迹µÄµçÆø²¿¼þ£¬£¬£¬£¬£¬£¬£¬£¬ÊǵçÁ¦ÏµÍ³ÖÐÊäÅäµçÁ¦µÄÖ÷Ҫװ±¸£¬£¬£¬£¬£¬£¬£¬£¬×ÅʵÎïÐÎ×´Èçͼ1-1Ëùʾ¡£¡£¡£¡£¡£¡£¡£¡£
ÔÚÔ¶¾àÀë´«ÊäµçÁ¦Ê±£¬£¬£¬£¬£¬£¬£¬£¬¿ÉʹÓñäѹÆ÷½«·¢µçÕ¾ËͳöµÄµçѹÉý¸ß£¬£¬£¬£¬£¬£¬£¬£¬ÒÔïÔÌÔÚµçÁ¦´«ÊäÀú³ÌÖеÄËðʧ£¬£¬£¬£¬£¬£¬£¬£¬ÒÔ±ãÓÚÔ¶¾àÀëÔËË͵çÁ¦£»£»£»£»£»£»£»£»ÔÚÓõçµÄµØ·½£¬£¬£¬£¬£¬£¬£¬£¬±äѹÆ÷½«¸ßѹ½µµÍ£¬£¬£¬£¬£¬£¬£¬£¬ÒÔ¹©Óõç×°±¸ºÍÓû§Ê¹Óᣡ£¡£¡£¡£¡£¡£¡£±äѹÆ÷µÄ·ÖÀà·½·¨ÓÐÐí¶àÖÖ£¬£¬£¬£¬£¬£¬£¬£¬Æ¾Ö¤ÆäµçÔ´ÏàÊýµÄ²î±ð£¬£¬£¬£¬£¬£¬£¬£¬Ö÷Òª¿ÉÒÔ·ÖΪµ¥Ïà±äѹÆ÷ºÍÈýÏà±äѹÆ÷¡£¡£¡£¡£¡£¡£¡£¡£
¶þ¡¢±äѹÆ÷µÄÐͺÅÓëÊÖÒÕ²ÎÊý
µçÆøÏµÍ³ÖÐÓ¦ÓÃ×î¶àµÄ¾ÍÊǵçÁ¦±äѹÆ÷£¬£¬£¬£¬£¬£¬£¬£¬ÓÉÓÚµçÁ¦±äѹÆ÷µÄÖÖÀàÐí¶à£¬£¬£¬£¬£¬£¬£¬£¬ÆäÐͺŵıêʶÒÔ¼°²ÎÊýÒ²ÓÐËù²î±ð£¬£¬£¬£¬£¬£¬£¬£¬Òò´Ë¾³£½«ÕâЩÐͺÅÓë²ÎÊý±êʶÔÚ±äѹÆ÷µÄÃúÅÆÉÏ£¬£¬£¬£¬£¬£¬£¬£¬ÒÔ±ãÓÚÔÚ×°ÖúÍÄ¥Á·Ê±¾ÙÐÐÉó²é¡£¡£¡£¡£¡£¡£¡£¡£Í¼1-8ËùʾΪµä·¶µçÁ¦±äѹÆ÷µÄÃúÅÆ±êʶ¡£¡£¡£¡£¡£¡£¡£¡£

Èý¡¢±äѹÆ÷ÔÚÏß·ÖеķûºÅ±êʶ
±äѹÆ÷Ò»Ñùƽ³£ÓÃÓÚµçÆø×°±¸µÄ¿ØÖÆÏß·ÒÔ¼°ÅäµçÏß·ÖУ¬£¬£¬£¬£¬£¬£¬£¬ÊÇµçÆø×°±¸¿ØÖÆÏß·ÖнÏÁ¿³£ÓõÄ×°±¸Ö®Ò»£¬£¬£¬£¬£¬£¬£¬£¬Òò´ËÏàʶ±äѹÆ÷ÔÚÏß·ÖеķûºÅ±êʶҲÊǺÜÊÇÖ÷ÒªµÄ¡£¡£¡£¡£¡£¡£¡£¡£±äѹÆ÷ÔÚÏß·ÖÐÒ»Ñùƽ³£ÓÃ×Öĸ“T”ÌåÏÖ£¬£¬£¬£¬£¬£¬£¬£¬²¢Ê¹ÓÃͼÐηûºÅ¾ÙÐбêʶ£¬£¬£¬£¬£¬£¬£¬£¬Èçͼ1-12Ëùʾ¡£¡£¡£¡£¡£¡£¡£¡£
±äѹÆ÷µÄÒ»Ñùƽ³£Í¼ÐηûºÅÓÐÁ½ÖÖ£¬£¬£¬£¬£¬£¬£¬£¬»®·ÖÓÃÓÚÅäµçÏß·ºÍµçÆøÏß·ÖУ¬£¬£¬£¬£¬£¬£¬£¬ÆäÖеçѹÊäÈë¶ËΪ±äѹÆ÷µÄ³õ¼¶ÈÆ×飬£¬£¬£¬£¬£¬£¬£¬µçѹÊä³ö¶ËΪ±äѹÆ÷µÄ´Î¼¶ÈÆ×é¡£¡£¡£¡£¡£¡£¡£¡£±ðµÄ´øÓдÅо»òÖÐÐijéÍ·µÄ±äѹÆ÷£¬£¬£¬£¬£¬£¬£¬£¬ÔÚÆäͼÐηûºÅÖÐÒ²ÓÐËùÌåÏÖ£¬£¬£¬£¬£¬£¬£¬£¬Èçͼ1-13Ëùʾ¡£¡£¡£¡£¡£¡£¡£¡£
ÓÐЩÈýÏà±äѹÆ÷ÔÚͼÐηûºÅÖл¹¿ÉÒÔÌåÏÖ³ö±äѹÆ÷µÄÅþÁ¬·½·¨£¬£¬£¬£¬£¬£¬£¬£¬Èçͼ1-15Ëùʾ¡£¡£¡£¡£¡£¡£¡£¡£
ÔÚÏÖʵµÄÏß·ÖУ¬£¬£¬£¬£¬£¬£¬£¬µ¥Ïà±äѹÆ÷µÄÅþÁ¬·½·¨ÓÐÁ½ÖÖ£¬£¬£¬£¬£¬£¬£¬£¬»®·ÖΪ´®Áª·½·¨ºÍ²¢Áª·½·¨£¬£¬£¬£¬£¬£¬£¬£¬Èçͼ1-16Ëùʾ¡£¡£¡£¡£¡£¡£¡£¡£±äѹÆ÷¾´®Áª¿ÉÒÔ»ñµÃ½Ï´óµÄ¶î¶¨µçѹ£¬£¬£¬£¬£¬£¬£¬£¬¶ø²¢Áª¿ÉÒÔ»ñµÃ½Ï´óµÄ¶î¶¨µçÁ÷¡£¡£¡£¡£¡£¡£¡£¡£
ÈýÏà±äѹÆ÷ÄÚ²¿µÄÈÆ×é½Ï¶à£¬£¬£¬£¬£¬£¬£¬£¬×î³£ÓõľÍÊÇÐÇÐΣ¨YÐΣ©µÄÁªÂç·½·¨£¬£¬£¬£¬£¬£¬£¬£¬ÕâÖֽṹÊÇÖ¸ÈýÏà±äѹÆ÷µÄ³õ¼¶ÈÆ×éÒÔYÐξÙÐÐÁªÂ磬£¬£¬£¬£¬£¬£¬£¬¼´Ã¿¸öÈÆ×éµÄ×îºóÅþÁ¬µ½ÖÐÐÔµãÉÏ£¬£¬£¬£¬£¬£¬£¬£¬ÈÆ×éµÄÁíÒ»¶ËÓëÏìÓ¦µÄÏß·¾ÙÐÐÅþÁ¬£¬£¬£¬£¬£¬£¬£¬£¬Èçͼ1-17Ëùʾ¡£¡£¡£¡£¡£¡£¡£¡£
ÈýÏà±äѹÆ÷ÔÚÏß·ÖÐ×î³£ÓõľÍÊÇY-YÐÎÁªÂ磬£¬£¬£¬£¬£¬£¬£¬¼´³õ¼¶ÈÆ×éºÍ´Î¼¶ÈÆ×é¾ùÓÃYÐεÄÁªÂç·½·¨£¬£¬£¬£¬£¬£¬£¬£¬Èçͼ1-18Ëùʾ¡£¡£¡£¡£¡£¡£¡£¡£
±äѹÆ÷ÊÇÒ»ÖÖÓÃÀ´±ä»»µçѹ¡¢µçÁ÷»ò×迹µÄµçÆø²¿¼þ£¬£¬£¬£¬£¬£¬£¬£¬ÊǵçÁ¦ÏµÍ³ÖÐÊäÅäµçÁ¦µÄÖ÷Ҫװ±¸£¬£¬£¬£¬£¬£¬£¬£¬×ÅʵÎïÐÎ×´Èçͼ1-1Ëùʾ¡£¡£¡£¡£¡£¡£¡£¡£

ͼ1-1¡¡±äѹÆ÷µÄʵÎïÐÎ×´
ÔÚÔ¶¾àÀë´«ÊäµçÁ¦Ê±£¬£¬£¬£¬£¬£¬£¬£¬¿ÉʹÓñäѹÆ÷½«·¢µçÕ¾ËͳöµÄµçѹÉý¸ß£¬£¬£¬£¬£¬£¬£¬£¬ÒÔïÔÌÔÚµçÁ¦´«ÊäÀú³ÌÖеÄËðʧ£¬£¬£¬£¬£¬£¬£¬£¬ÒÔ±ãÓÚÔ¶¾àÀëÔËË͵çÁ¦£»£»£»£»£»£»£»£»ÔÚÓõçµÄµØ·½£¬£¬£¬£¬£¬£¬£¬£¬±äѹÆ÷½«¸ßѹ½µµÍ£¬£¬£¬£¬£¬£¬£¬£¬ÒÔ¹©Óõç×°±¸ºÍÓû§Ê¹Óᣡ£¡£¡£¡£¡£¡£¡£±äѹÆ÷µÄ·ÖÀà·½·¨ÓÐÐí¶àÖÖ£¬£¬£¬£¬£¬£¬£¬£¬Æ¾Ö¤ÆäµçÔ´ÏàÊýµÄ²î±ð£¬£¬£¬£¬£¬£¬£¬£¬Ö÷Òª¿ÉÒÔ·ÖΪµ¥Ïà±äѹÆ÷ºÍÈýÏà±äѹÆ÷¡£¡£¡£¡£¡£¡£¡£¡£
1¡¢µ¥Ïà±äѹÆ÷µÄ¹¦Ð§Ìصã

ͼ1-2¡¡µ¥Ïà±äѹÆ÷µÄ½á¹¹Ìصã
µ¥Ïà±äѹÆ÷ÊÇÒ»ÖÖ³õ¼¶ÈÆ×éΪµ¥ÏàÈÆ×éµÄ±äѹÆ÷¡£¡£¡£¡£¡£¡£¡£¡£Èçͼ1-2Ëùʾ£¬£¬£¬£¬£¬£¬£¬£¬µ¥Ïà±äѹÆ÷µÄ³õ¼¶ÈÆ×éºÍ´Î¼¶ÈÆ×é¾ù¾À¸ðÔÚÌúоÉÏ£¬£¬£¬£¬£¬£¬£¬£¬³õ¼¶ÈÆ×éΪ½»Á÷µçѹÊäÈë¶Ë£¬£¬£¬£¬£¬£¬£¬£¬´Î¼¶ÈÆ×éΪ½»Á÷µçѹÊä³ö¶Ë¡£¡£¡£¡£¡£¡£¡£¡£´Î¼¶ÈÆ×éµÄÊä³öµçѹÓëÏßȦµÄÔÑÊý³ÉÕý±È¡£¡£¡£¡£¡£¡£¡£¡£
µ¥Ïà±äѹÆ÷¿É½«¸ßѹ¹©µçÄð³Éµ¥ÏàµÍѹ£¬£¬£¬£¬£¬£¬£¬£¬¹©ÖÖÖÖ×°±¸Ê¹Ó㬣¬£¬£¬£¬£¬£¬£¬ÀýÈç¿É½«½»Á÷6600V¸ßѹ¾µ¥Ïà±äѹÆ÷±äΪ½»Á÷220VµÍѹ£¬£¬£¬£¬£¬£¬£¬£¬ÎªÕÕÃ÷µÆ»òÆäËû×°±¸¹©µç£¬£¬£¬£¬£¬£¬£¬£¬Èçͼ1-3Ëùʾ¡£¡£¡£¡£¡£¡£¡£¡£µ¥Ïà±äѹÆ÷Óнṹ¼òÆÓ¡¢Ìå»ýС¡¢ÏûºÄµÍµÈÓŵ㣬£¬£¬£¬£¬£¬£¬£¬ÏàÒËÔÚ¸ººÉ½ÏСµÄµÍѹÅäµçÏß·£¨60HzÒÔÏ£©ÖÐʹÓᣡ£¡£¡£¡£¡£¡£¡£
µ¥Ïà±äѹÆ÷¿É½«¸ßѹ¹©µçÄð³Éµ¥ÏàµÍѹ£¬£¬£¬£¬£¬£¬£¬£¬¹©ÖÖÖÖ×°±¸Ê¹Ó㬣¬£¬£¬£¬£¬£¬£¬ÀýÈç¿É½«½»Á÷6600V¸ßѹ¾µ¥Ïà±äѹÆ÷±äΪ½»Á÷220VµÍѹ£¬£¬£¬£¬£¬£¬£¬£¬ÎªÕÕÃ÷µÆ»òÆäËû×°±¸¹©µç£¬£¬£¬£¬£¬£¬£¬£¬Èçͼ1-3Ëùʾ¡£¡£¡£¡£¡£¡£¡£¡£µ¥Ïà±äѹÆ÷Óнṹ¼òÆÓ¡¢Ìå»ýС¡¢ÏûºÄµÍµÈÓŵ㣬£¬£¬£¬£¬£¬£¬£¬ÏàÒËÔÚ¸ººÉ½ÏСµÄµÍѹÅäµçÏß·£¨60HzÒÔÏ£©ÖÐʹÓᣡ£¡£¡£¡£¡£¡£¡£

ͼ1-3¡¡µ¥Ïà±äѹÆ÷µÄ¹¦Ð§Ê¾Òâͼ
µ¥Ïà±äѹÆ÷¶àÓÃÓÚÅ©´åÊäÅäµçϵͳÖУ¬£¬£¬£¬£¬£¬£¬£¬ÒÔ¼°Ò»Ð©ÕÕÃ÷»òСÐ͵çÄîÍ·µÄ¹©µçÖУ¬£¬£¬£¬£¬£¬£¬£¬ÆäÓ¦ÓÃʵÀýÈçͼ1-4Ëùʾ¡£¡£¡£¡£¡£¡£¡£¡£±ðµÄÔÚÐí¶àµç×ÓµçÆø×°±¸ÖУ¬£¬£¬£¬£¬£¬£¬£¬ËüÒ²¿É×÷ΪµçÔ´±äѹÆ÷ʹÓᣡ£¡£¡£¡£¡£¡£¡£

ͼ1-4¡¡µ¥Ïà±äѹÆ÷µÄÓ¦ÓÃʵÀý
2¡¢ÈýÏà±äѹÆ÷µÄ¹¦Ð§Ìصã
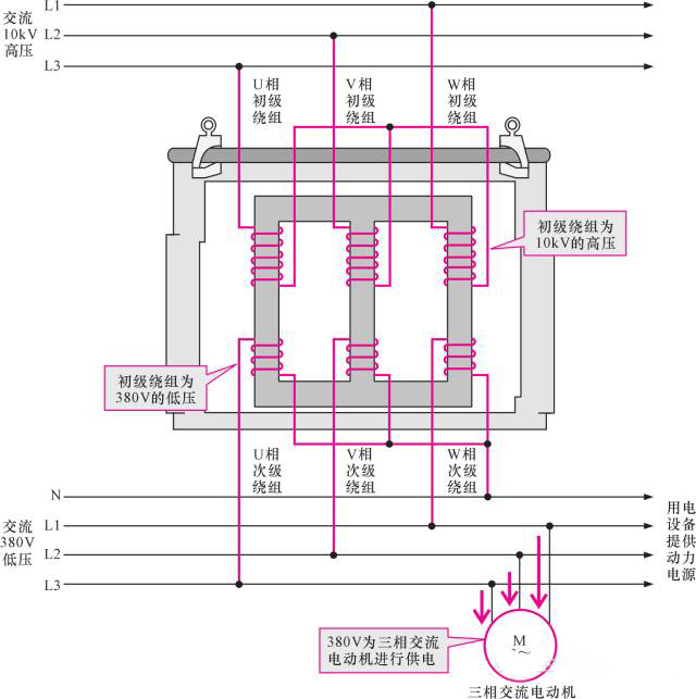
ÈýÏà±äѹÆ÷ÊǵçÁ¦×°±¸ÖÐÓ¦ÓýÏÁ¿¶àµÄÒ»ÖÖ±äѹÆ÷¡£¡£¡£¡£¡£¡£¡£¡£ÈýÏà±äѹÆ÷ÏÖʵÉÏÊÇÓÉ3¸öÏàͬÈÝÁ¿µÄµ¥Ïà±äѹÆ÷×éºÏ¶ø³ÉµÄ£¬£¬£¬£¬£¬£¬£¬£¬³õ¼¶ÈÆ×飨¸ßѹÏßȦ£©ÎªÈýÏ࣬£¬£¬£¬£¬£¬£¬£¬´Î¼¶ÈÆ×飨µÍѹÏßȦ£©Ò²ÎªÈýÏ࣬£¬£¬£¬£¬£¬£¬£¬Èçͼ1-5Ëùʾ¡£¡£¡£¡£¡£¡£¡£¡£

ͼ1-5¡¡ÈýÏà±äѹÆ÷µÄ½á¹¹Ìصã
ÈýÏà±äѹÆ÷Ö÷ÒªÓÃÓÚÈýÏ๩µçϵͳÖеÄÉýѹ»ò½µÑ¹£¬£¬£¬£¬£¬£¬£¬£¬½ÏÁ¿³£ÓõľÍÊǽ«¼¸Ç§·üµÄ¸ßѹ±äΪ380VµÄµÍѹ£¬£¬£¬£¬£¬£¬£¬£¬ÎªÓõç×°±¸Ìṩ¶¯Á¦µçÔ´£¬£¬£¬£¬£¬£¬£¬£¬Èçͼ1-6Ëùʾ¡£¡£¡£¡£¡£¡£¡£¡£

ͼ1-6¡¡ÈýÏà±äѹÆ÷µÄ¹¦Ð§Ê¾Òâͼ
ÈýÏà±äѹÆ÷µÄÓ¦ÓùæÄ£½ÏÁ¿ÆÕ±é£¬£¬£¬£¬£¬£¬£¬£¬ÀýÈç±äµçÕ¾¡¢¹¤¿óÆóÒµ¡¢ÐÞ½¨¹¤µØ¡¢ÅŹà×°±¸¡¢Óʵ硢·ÄÖ¯¡¢Ìú·¡¢Ñ§Ð£¡¢Ò½Ôº¡¢¹ú·À¡¢µçÌݵȣ¬£¬£¬£¬£¬£¬£¬£¬Í¬Ê±Ò²ÊÊÓÃÓÚһЩµçÔ´µçѹµÍ¡¢²¨¶¯½Ï´óµÄµÍѹÅäµçÏß·ÖС£¡£¡£¡£¡£¡£¡£¡£ÆäÓ¦ÓÃʵÀýÈçͼ1-7Ëùʾ¡£¡£¡£¡£¡£¡£¡£¡£

ͼ1-7¡¡ÈýÏà±äѹÆ÷µÄÓ¦ÓÃʵÀý
¶þ¡¢±äѹÆ÷µÄÐͺÅÓëÊÖÒÕ²ÎÊý
µçÆøÏµÍ³ÖÐÓ¦ÓÃ×î¶àµÄ¾ÍÊǵçÁ¦±äѹÆ÷£¬£¬£¬£¬£¬£¬£¬£¬ÓÉÓÚµçÁ¦±äѹÆ÷µÄÖÖÀàÐí¶à£¬£¬£¬£¬£¬£¬£¬£¬ÆäÐͺŵıêʶÒÔ¼°²ÎÊýÒ²ÓÐËù²î±ð£¬£¬£¬£¬£¬£¬£¬£¬Òò´Ë¾³£½«ÕâЩÐͺÅÓë²ÎÊý±êʶÔÚ±äѹÆ÷µÄÃúÅÆÉÏ£¬£¬£¬£¬£¬£¬£¬£¬ÒÔ±ãÓÚÔÚ×°ÖúÍÄ¥Á·Ê±¾ÙÐÐÉó²é¡£¡£¡£¡£¡£¡£¡£¡£Í¼1-8ËùʾΪµä·¶µçÁ¦±äѹÆ÷µÄÃúÅÆ±êʶ¡£¡£¡£¡£¡£¡£¡£¡£

ÔÚ±äѹÆ÷µÄÃúÅÆÉÏ£¬£¬£¬£¬£¬£¬£¬£¬±êʶÓиñäѹÆ÷µÄÐͺÅÒÔ¼°ÊÖÒÕ²ÎÊýµÈÄÚÈÝ£¬£¬£¬£¬£¬£¬£¬£¬ÏÂÃæ»®·ÖÏÈÈÝһϱäѹÆ÷µÄÐͺżÄÒåºÍÊÖÒÕ²ÎÊý¡£¡£¡£¡£¡£¡£¡£¡£
1¡¢±äѹÆ÷µÄÐͺżÄÒå
±äѹÆ÷µÄÖÖÀàÓÐÐí¶à£¬£¬£¬£¬£¬£¬£¬£¬ÎªÁ˱ãÓÚÇø±ðÖݪֲî±ðÀàÐ͵ıäѹÆ÷£¬£¬£¬£¬£¬£¬£¬£¬Í¨³£Ê¹ÓÃ×Öĸ»òÊý×Ö¶Ô±äѹÆ÷µÄÐͺÅÃüÃû¾ÙÐбêʶ¡£¡£¡£¡£¡£¡£¡£¡£±äѹÆ÷µÄÐͺÅͨ³£ÊÇÓÉ×ÖĸºÍÊý×Ö×é³ÉµÄ£¬£¬£¬£¬£¬£¬£¬£¬ÓÃÀ´ÌåÏÖ±äѹÆ÷µÄÏàÊý¡¢ÀäÈ´·½·¨¡¢µ÷ѹ·½·¨¡¢ÈÆ×éÏßоÖÊÁÏ¡¢ÈÆ×éÅþÁ¬·½·¨µÈÄÚÈÝ£¬£¬£¬£¬£¬£¬£¬£¬Èçͼ1-9Ëùʾ¡£¡£¡£¡£¡£¡£¡£¡£
±äѹÆ÷µÄÖÖÀàÓÐÐí¶à£¬£¬£¬£¬£¬£¬£¬£¬ÎªÁ˱ãÓÚÇø±ðÖݪֲî±ðÀàÐ͵ıäѹÆ÷£¬£¬£¬£¬£¬£¬£¬£¬Í¨³£Ê¹ÓÃ×Öĸ»òÊý×Ö¶Ô±äѹÆ÷µÄÐͺÅÃüÃû¾ÙÐбêʶ¡£¡£¡£¡£¡£¡£¡£¡£±äѹÆ÷µÄÐͺÅͨ³£ÊÇÓÉ×ÖĸºÍÊý×Ö×é³ÉµÄ£¬£¬£¬£¬£¬£¬£¬£¬ÓÃÀ´ÌåÏÖ±äѹÆ÷µÄÏàÊý¡¢ÀäÈ´·½·¨¡¢µ÷ѹ·½·¨¡¢ÈÆ×éÏßоÖÊÁÏ¡¢ÈÆ×éÅþÁ¬·½·¨µÈÄÚÈÝ£¬£¬£¬£¬£¬£¬£¬£¬Èçͼ1-9Ëùʾ¡£¡£¡£¡£¡£¡£¡£¡£

ͼ1-9¡¡±äѹÆ÷µÄÐͺÅÃüÃûÒªÁì
²úÆ·Ãû³Æ£º±äѹÆ÷µÄ²úÆ·Ãû³ÆÍ¨³£ÓÃ×ÖĸÀ´ÌåÏÖ£¬£¬£¬£¬£¬£¬£¬£¬ÌåÏÖ²úÆ·µÄÏßȦñîºÏ·½·¨¡¢ÏàÊý¡¢ÀäÈ´·½·¨¡¢ÏßȦÊý¡¢ÏßȦµ¼Ïß²ÄÖÊ¡¢µ÷ѹ·½·¨ÒÔ¼°ÌØÊâÓÃ;µÈÄÚÈÝ£¬£¬£¬£¬£¬£¬£¬£¬¼û±í1-1ËùÁС£¡£¡£¡£¡£¡£¡£¡£

±í1-1 ±äѹÆ÷µÄ²úÆ·Ãû³Æ¼ÄÒå

Ðø±í
Éè¼ÆÐòºÅ£ºÒ²³ÆÊÖÒÕÐòºÅ£¬£¬£¬£¬£¬£¬£¬£¬ÓÃÊý×ÖÌåÏÖ£¬£¬£¬£¬£¬£¬£¬£¬ÌåÏÖͬÀà²úÆ·ÖеIJî±ðÆ·ÖÖ£¬£¬£¬£¬£¬£¬£¬£¬ÒÔÇø·Ö²úÆ·µÄÐÎ×´³ß´çºÍÐÔÄÜÖ¸±êµÈ£¬£¬£¬£¬£¬£¬£¬£¬ÓÐʱ»á±»Ê¡ÂÔ¡£¡£¡£¡£¡£¡£¡£¡£
¶î¶¨ÈÝÁ¿£º±äѹÆ÷µÄ¶î¶¨ÈÝÁ¿ÓÓkVA”À´ÌåÏÖ£¬£¬£¬£¬£¬£¬£¬£¬¿ÉÒÔ¶Á×÷“ǧ·ü°²”¡£¡£¡£¡£¡£¡£¡£¡£±äѹÆ÷ʹÓÃkVA×÷µ¥Î»£¬£¬£¬£¬£¬£¬£¬£¬Ôµ¹ÊÔÓÉÊÇÔÚ¸ºÔØÃ»ÓÐÈ·¶¨µÄÇéÐÎÏ£¬£¬£¬£¬£¬£¬£¬£¬ÊDz»¿É»ñµÃÓй¦¹¦ÂÊ£¨·ûºÅP£¬£¬£¬£¬£¬£¬£¬£¬µ¥Î»kW£©ºÍÎÞ¹¦¹¦ÂÊ£¨·ûºÅQ£¬£¬£¬£¬£¬£¬£¬£¬µ¥Î»kvar£©µÄ¾ÞϸµÄ£¬£¬£¬£¬£¬£¬£¬£¬Ö»ÄÜʹÓÃkVAΪµ¥Î»ÌåÏÖ¹¦ÂÊ£¬£¬£¬£¬£¬£¬£¬£¬ÀýÈç1kVAµÄ±äѹÆ÷µÄÊä³ö¹¦ÂÊԼΪ1kW¡£¡£¡£¡£¡£¡£¡£¡£
¸ßѹ²à¶î¶¨µçѹ£º±äѹÆ÷µÄ¸ßѹ²à¶î¶¨µçѹ¼´Îª³õ¼¶ÈÆ×éÊäÈë¶ËÊäÈëµÄ¶î¶¨µçѹֵ£¬£¬£¬£¬£¬£¬£¬£¬Ò»Ñùƽ³£ÓÃ×Öĸ“kV”ÌåÏÖ£¬£¬£¬£¬£¬£¬£¬£¬ÀýÈç10kVÌåÏÖ±äѹÆ÷³õ¼¶ÈÆ×é¿ÉÊäÈë10kVµÄµçѹ¡£¡£¡£¡£¡£¡£¡£¡£
¶î¶¨ÈÝÁ¿£º±äѹÆ÷µÄ¶î¶¨ÈÝÁ¿ÓÓkVA”À´ÌåÏÖ£¬£¬£¬£¬£¬£¬£¬£¬¿ÉÒÔ¶Á×÷“ǧ·ü°²”¡£¡£¡£¡£¡£¡£¡£¡£±äѹÆ÷ʹÓÃkVA×÷µ¥Î»£¬£¬£¬£¬£¬£¬£¬£¬Ôµ¹ÊÔÓÉÊÇÔÚ¸ºÔØÃ»ÓÐÈ·¶¨µÄÇéÐÎÏ£¬£¬£¬£¬£¬£¬£¬£¬ÊDz»¿É»ñµÃÓй¦¹¦ÂÊ£¨·ûºÅP£¬£¬£¬£¬£¬£¬£¬£¬µ¥Î»kW£©ºÍÎÞ¹¦¹¦ÂÊ£¨·ûºÅQ£¬£¬£¬£¬£¬£¬£¬£¬µ¥Î»kvar£©µÄ¾ÞϸµÄ£¬£¬£¬£¬£¬£¬£¬£¬Ö»ÄÜʹÓÃkVAΪµ¥Î»ÌåÏÖ¹¦ÂÊ£¬£¬£¬£¬£¬£¬£¬£¬ÀýÈç1kVAµÄ±äѹÆ÷µÄÊä³ö¹¦ÂÊԼΪ1kW¡£¡£¡£¡£¡£¡£¡£¡£
¸ßѹ²à¶î¶¨µçѹ£º±äѹÆ÷µÄ¸ßѹ²à¶î¶¨µçѹ¼´Îª³õ¼¶ÈÆ×éÊäÈë¶ËÊäÈëµÄ¶î¶¨µçѹֵ£¬£¬£¬£¬£¬£¬£¬£¬Ò»Ñùƽ³£ÓÃ×Öĸ“kV”ÌåÏÖ£¬£¬£¬£¬£¬£¬£¬£¬ÀýÈç10kVÌåÏÖ±äѹÆ÷³õ¼¶ÈÆ×é¿ÉÊäÈë10kVµÄµçѹ¡£¡£¡£¡£¡£¡£¡£¡£
2¡¢±äѹÆ÷µÄÖ÷ÒªÊÖÒÕ²ÎÊý
±äѹÆ÷µÄÖ÷ÒªÊÖÒÕ²ÎÊýÒ»Ñùƽ³£¶¼±ê×¢ÔÚ±äѹÆ÷µÄÃúÅÆÉÏ£¬£¬£¬£¬£¬£¬£¬£¬Ò»Ñùƽ³£°üÀ¨¶î¶¨ÈÝÁ¿¡¢¶î¶¨µçѹ¡¢¶î¶¨µçÁ÷¡¢ÀäÈ´·½·¨¡¢¶î¶¨ÆµÂÊ¡¢¾øÔµµç×è¡¢ÈÆ×éÁªÂç×é¡¢ÏàÊý¡¢×迹µçѹµÈ£¬£¬£¬£¬£¬£¬£¬£¬Èçͼ1-10Ëùʾ¡£¡£¡£¡£¡£¡£¡£¡£
±äѹÆ÷µÄÖ÷ÒªÊÖÒÕ²ÎÊýÒ»Ñùƽ³£¶¼±ê×¢ÔÚ±äѹÆ÷µÄÃúÅÆÉÏ£¬£¬£¬£¬£¬£¬£¬£¬Ò»Ñùƽ³£°üÀ¨¶î¶¨ÈÝÁ¿¡¢¶î¶¨µçѹ¡¢¶î¶¨µçÁ÷¡¢ÀäÈ´·½·¨¡¢¶î¶¨ÆµÂÊ¡¢¾øÔµµç×è¡¢ÈÆ×éÁªÂç×é¡¢ÏàÊý¡¢×迹µçѹµÈ£¬£¬£¬£¬£¬£¬£¬£¬Èçͼ1-10Ëùʾ¡£¡£¡£¡£¡£¡£¡£¡£

ͼ1-10¡¡±äѹÆ÷ÃúÅÆÉϵÄÊÖÒÕ²ÎÊý±êʶ
±ðµÄ£¬£¬£¬£¬£¬£¬£¬£¬±äѹÆ÷µÄÊÖÒÕ²ÎÊýÉÐÓпÕÔØÏûºÄ¡¢¸ºÔØÏûºÄ¡¢ÎÂÉý·½·¨¡¢¿ÕÔØµçÁ÷¡¢µõÖØ¡¢ÓÍÖØ¡¢×ÜÖØ¡¢ÔËÊäÖØ¡¢ÓÍÏäÄÍÊÜÕæ¿ÕÄÜÁ¦µÈ£¬£¬£¬£¬£¬£¬£¬£¬Èçͼ1-11Ëùʾ¡£¡£¡£¡£¡£¡£¡£¡£

ͼ1-11¡¡±äѹÆ÷µÄÆäËûÊÖÒÕ²ÎÊý
Èý¡¢±äѹÆ÷ÔÚÏß·ÖеķûºÅ±êʶ
±äѹÆ÷Ò»Ñùƽ³£ÓÃÓÚµçÆø×°±¸µÄ¿ØÖÆÏß·ÒÔ¼°ÅäµçÏß·ÖУ¬£¬£¬£¬£¬£¬£¬£¬ÊÇµçÆø×°±¸¿ØÖÆÏß·ÖнÏÁ¿³£ÓõÄ×°±¸Ö®Ò»£¬£¬£¬£¬£¬£¬£¬£¬Òò´ËÏàʶ±äѹÆ÷ÔÚÏß·ÖеķûºÅ±êʶҲÊǺÜÊÇÖ÷ÒªµÄ¡£¡£¡£¡£¡£¡£¡£¡£±äѹÆ÷ÔÚÏß·ÖÐÒ»Ñùƽ³£ÓÃ×Öĸ“T”ÌåÏÖ£¬£¬£¬£¬£¬£¬£¬£¬²¢Ê¹ÓÃͼÐηûºÅ¾ÙÐбêʶ£¬£¬£¬£¬£¬£¬£¬£¬Èçͼ1-12Ëùʾ¡£¡£¡£¡£¡£¡£¡£¡£

ͼ1-12¡¡±äѹÆ÷ÔÚÏß·ÖеķûºÅ±êʶ
±äѹÆ÷µÄÒ»Ñùƽ³£Í¼ÐηûºÅÓÐÁ½ÖÖ£¬£¬£¬£¬£¬£¬£¬£¬»®·ÖÓÃÓÚÅäµçÏß·ºÍµçÆøÏß·ÖУ¬£¬£¬£¬£¬£¬£¬£¬ÆäÖеçѹÊäÈë¶ËΪ±äѹÆ÷µÄ³õ¼¶ÈÆ×飬£¬£¬£¬£¬£¬£¬£¬µçѹÊä³ö¶ËΪ±äѹÆ÷µÄ´Î¼¶ÈÆ×é¡£¡£¡£¡£¡£¡£¡£¡£±ðµÄ´øÓдÅо»òÖÐÐijéÍ·µÄ±äѹÆ÷£¬£¬£¬£¬£¬£¬£¬£¬ÔÚÆäͼÐηûºÅÖÐÒ²ÓÐËùÌåÏÖ£¬£¬£¬£¬£¬£¬£¬£¬Èçͼ1-13Ëùʾ¡£¡£¡£¡£¡£¡£¡£¡£

ͼ1-13¡¡±äѹÆ÷µÄͼÐηûºÅ
ÓÐЩÈýÏà±äѹÆ÷ÔÚͼÐηûºÅÖл¹¿ÉÒÔÌåÏÖ³ö±äѹÆ÷µÄÅþÁ¬·½·¨£¬£¬£¬£¬£¬£¬£¬£¬Èçͼ1-15Ëùʾ¡£¡£¡£¡£¡£¡£¡£¡£

ͼ1-15¡¡ÈýÏà±äѹÆ÷ͼÐηûºÅÌåÏÖµÄÅþÁ¬·½·¨
ÔÚÏÖʵµÄÏß·ÖУ¬£¬£¬£¬£¬£¬£¬£¬µ¥Ïà±äѹÆ÷µÄÅþÁ¬·½·¨ÓÐÁ½ÖÖ£¬£¬£¬£¬£¬£¬£¬£¬»®·ÖΪ´®Áª·½·¨ºÍ²¢Áª·½·¨£¬£¬£¬£¬£¬£¬£¬£¬Èçͼ1-16Ëùʾ¡£¡£¡£¡£¡£¡£¡£¡£±äѹÆ÷¾´®Áª¿ÉÒÔ»ñµÃ½Ï´óµÄ¶î¶¨µçѹ£¬£¬£¬£¬£¬£¬£¬£¬¶ø²¢Áª¿ÉÒÔ»ñµÃ½Ï´óµÄ¶î¶¨µçÁ÷¡£¡£¡£¡£¡£¡£¡£¡£

ͼ1-16¡¡µ¥Ïà±äѹÆ÷ÔÚÏß·ÖеÄÅþÁ¬·½·¨
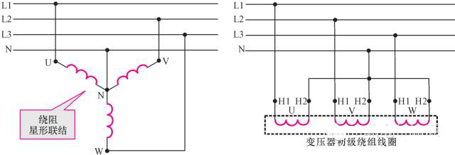
ÈýÏà±äѹÆ÷ÄÚ²¿µÄÈÆ×é½Ï¶à£¬£¬£¬£¬£¬£¬£¬£¬×î³£ÓõľÍÊÇÐÇÐΣ¨YÐΣ©µÄÁªÂç·½·¨£¬£¬£¬£¬£¬£¬£¬£¬ÕâÖֽṹÊÇÖ¸ÈýÏà±äѹÆ÷µÄ³õ¼¶ÈÆ×éÒÔYÐξÙÐÐÁªÂ磬£¬£¬£¬£¬£¬£¬£¬¼´Ã¿¸öÈÆ×éµÄ×îºóÅþÁ¬µ½ÖÐÐÔµãÉÏ£¬£¬£¬£¬£¬£¬£¬£¬ÈÆ×éµÄÁíÒ»¶ËÓëÏìÓ¦µÄÏß·¾ÙÐÐÅþÁ¬£¬£¬£¬£¬£¬£¬£¬£¬Èçͼ1-17Ëùʾ¡£¡£¡£¡£¡£¡£¡£¡£

ͼ1-17¡¡ÈýÏà±äѹÆ÷ÐÇÐÎÁªÂç·½·¨
ÈýÏà±äѹÆ÷ÔÚÏß·ÖÐ×î³£ÓõľÍÊÇY-YÐÎÁªÂ磬£¬£¬£¬£¬£¬£¬£¬¼´³õ¼¶ÈÆ×éºÍ´Î¼¶ÈÆ×é¾ùÓÃYÐεÄÁªÂç·½·¨£¬£¬£¬£¬£¬£¬£¬£¬Èçͼ1-18Ëùʾ¡£¡£¡£¡£¡£¡£¡£¡£

ͼ1-18 ÈýÏà±äѹÆ÷Y-YÐÎÁªÂç·½·¨

