ÁªÏµÖйú¡¤½ðɳ³Çjs93Ïß·¼ì²âÖÐÐÄ(¹É·Ý)ÓÐÏÞ¹«Ë¾-¹Ù·½ÍøÕ¾

ÊÖ»ú£ºÍô˾Àí15802760502
ÓÊÏ䣺hezi027@qq.com
QQ£º3212587206
µØµã£ºÎ人Êй¤¾ßºþÇø´´¹È·20ºÅ¿Æ´´ÖÐÐÄ22¶°
Ïà¹ØÎÄÕÂ
- 1¸É»õ·ÖÏíØÎ人Öйú¡¤½ðɳ³Çjs93Ïß·¼ì²âÖÐÐÄ(¹É·Ý)ÓÐÏÞ¹«Ë¾-¹Ù·½ÍøÕ¾ÖÇÄܼì²âÖÎÀíϵͳÏÈÈÝ
- 2¸É»õ·ÖÏíØÎ人Öйú¡¤½ðɳ³Çjs93Ïß·¼ì²âÖÐÐÄ(¹É·Ý)ÓÐÏÞ¹«Ë¾-¹Ù·½ÍøÕ¾Çå¾²¹¤Óþ߼ì²âÖÎÀíϵͳ(ÔÆÆ½Ì¨)ÏÈÈÝ
- 3¸É»õ·ÖÏíØÁ½ÖÖÀ׵繥»÷×°±¸±ÈÕÕÓÅÈõµã
- 4¸É»õ·ÖÏíØ¾Ö·ÅÆÁÕÏÊұȵç´ÅÆÁÕÏÊÒÒªÇó¸ü¸ß
- 5¸É»õ·ÖÏíØÎ人Öйú¡¤½ðɳ³Çjs93Ïß·¼ì²âÖÐÐÄ(¹É·Ý)ÓÐÏÞ¹«Ë¾-¹Ù·½ÍøÕ¾²úÆ·ÓÅÊÆ
- 6¸É»õ·ÖÏíØÎ人Öйú¡¤½ðɳ³Çjs93Ïß·¼ì²âÖÐÐÄ(¹É·Ý)ÓÐÏÞ¹«Ë¾-¹Ù·½ÍøÕ¾Çå¾²¹¤Óþ߲úÆ·ÓÅÊÆ
- 7¸É»õ·ÖÏíØÎ人Öйú¡¤½ðɳ³Çjs93Ïß·¼ì²âÖÐÐÄ(¹É·Ý)ÓÐÏÞ¹«Ë¾-¹Ù·½ÍøÕ¾¾Ö·ÅÒDzî±ð¼°ÓÅÊÆ
- 8¸É»õ·ÖÏíØÎ人Öйú¡¤½ðɳ³Çjs93Ïß·¼ì²âÖÐÐÄ(¹É·Ý)ÓÐÏÞ¹«Ë¾-¹Ù·½ÍøÕ¾ÎÞ¾Ö·ÅÄÍѹ²âÊÔϵͳÓÅÊÆ
- 9¸É»õ·ÖÏíØÎ人Öйú¡¤½ðɳ³Çjs93Ïß·¼ì²âÖÐÐÄ(¹É·Ý)ÓÐÏÞ¹«Ë¾-¹Ù·½ÍøÕ¾À׵繥»÷²âÊÔϵͳÓÅÊÆ
- 10HZHL-400A-I ÈýÏàÖÇÄÜ»ØÂ·µç×è²âÊÔÒDZܿÓÖ¸ÄÏ
¸É»õ¿ÎÌà | ¶Ï·Æ÷¿ØÖÆ»ØÂ·¶ÏÏ߯ÊÎö
Ðû²¼Ê±¼ä£º2024-12-16 13:14:20ÈËÆø£º
¶Ï·Æ÷¿ØÖÆ»ØÂ·¶ÏÏ߯ÊÎö
¶Ï·Æ÷¿ØÖÆ»ØÂ·ÊǵçÁ¦ÏµÍ³Ö÷ÒªµÄ×é³É²¿·Ö£¬£¬£¬£¬£¬£¬ËüÄܹ»ÔÚµçÁ¦ÏµÍ³¹ÊÕϱ¬·¢Ê±ÊµÊ±ÇжϹÊÕϵ㣬£¬£¬£¬£¬£¬±£»£»£»£»£»£»£»¤×°±¸ºÍÈËÉíÇå¾²¡£¡£¡£¡£¡£¡£¡£µ«ÓÉÓÚÖÖÖÖÔµ¹ÊÔÓÉ£¬£¬£¬£¬£¬£¬¿ØÖÆ»ØÂ·¿ÉÄ᷺ܻÆð¶ÏÏßµÄÇéÐΡ£¡£¡£¡£¡£¡£¡£ÏÂÃæÎÒÃǽ«´Ó¶Ï·Æ÷¿ØÖÆ»ØÂ·µÄ»ù±¾×é³É¡¢¶ÏÏßµÄÔµ¹ÊÔÓɺʹ¦Öóͷ£ÒªÁìÈý¸ö·½ÃæÀ´ÆÊÎöºÍ̽ÌÖÕâÒ»ÎÊÌâ¡£¡£¡£¡£¡£¡£¡£
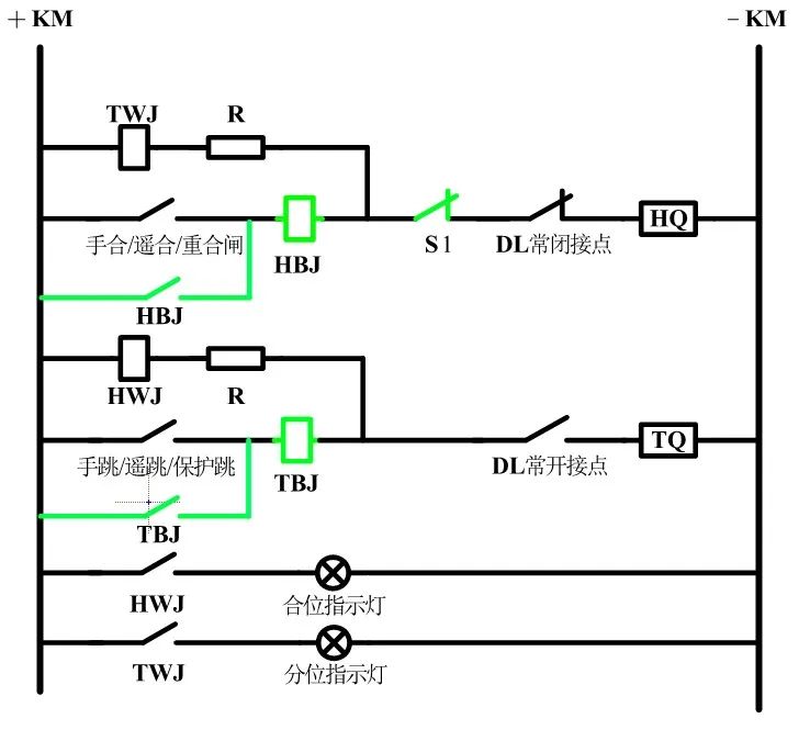
µä·¶¿ØÖÆ»ØÂ·
1.»ù±¾ÌøºÏÕ¢»ØÂ·

¶Ï·Æ÷¿ØÖÆ»ØÂ·µÄ¼ò»¯Ìø¡¢ºÏÕ¢ÔÀíͼÈçͼ1Ëùʾ£¬£¬£¬£¬£¬£¬ÆäÖÐ+KMºÍ-KM´ú±íÕý¡¢¸ºµçÔ´£¬£¬£¬£¬£¬£¬DLΪ¶Ï·Æ÷¸¨Öú´¥µã£¬£¬£¬£¬£¬£¬HQ¡¢TQ»®·ÖΪºÏ¡¢ÌøÕ¢ÏßȦ¡£¡£¡£¡£¡£¡£¡££¨×¢ÖØ£ºÎªÁËÀû±ãÃ÷È·£¬£¬£¬£¬£¬£¬½«ÊÖºÏ/Ò£ºÏ/ÖØºÏÕ¢Ðж¯½ÓµãÔÚͼÖмò»¯ÎªÍ³Ò»¸öºÏÕ¢³ö¿Ú½Óµã£¬£¬£¬£¬£¬£¬ÊÖÌø/Ò£Ìø/±£»£»£»£»£»£»£»¤ÌøÀàËÆ¡£¡£¡£¡£¡£¡£¡££©
¼Ù¶¨¶Ï·Æ÷ÔÚºÏբ״̬£¬£¬£¬£¬£¬£¬¶Ï·Æ÷¸¨Öú½ÓµãDL³£¿£¿£¿£¿£¿£¿ª½Óµã±ÕºÏ¡£¡£¡£¡£¡£¡£¡£µ±±£»£»£»£»£»£»£»¤×°Ö÷¢ÌøÕ¢ÏÂÁ£¬£¬£¬£¬£¬ÌøÕ¢³ö¿Ú½Óµã±ÕºÏ£¬£¬£¬£¬£¬£¬Í¨¹ýÕýµçÔ´→ÌøÕ¢³ö¿Ú½Óµã→DL→TQ→¸ºµçÔ´×é³É»ØÂ·£¬£¬£¬£¬£¬£¬ÌøÕ¢ÏßȦTQµÃµç£¬£¬£¬£¬£¬£¬¶Ï·Æ÷ÌøÕ¢¡£¡£¡£¡£¡£¡£¡£¶Ï·Æ÷Íê³ÉÌøÕ¢Ðж¯ºó£¬£¬£¬£¬£¬£¬DL³£¿£¿£¿£¿£¿£¿ª½Óµã¶Ï¿ªÌøÕ¢»ØÂ·£¬£¬£¬£¬£¬£¬DL³£±Õ½Óµã±ÕºÏ£¬£¬£¬£¬£¬£¬ÎªÏ´κÏÕ¢×ö×¼±¸¡£¡£¡£¡£¡£¡£¡£¶Ï·Æ÷ºÏÕ¢Àú³ÌͬÀí¡£¡£¡£¡£¡£¡£¡£
ΪºÎÐèҪʹÓø¨Öú´¥µãDL³£¿£¿£¿£¿£¿£¿ª½Óµã¶Ï¿ªÌøÕ¢µçÁ÷£ºÒ»ÊÇΪÁ˱ÜÃâÌøÕ¢³ö¿Ú½ÓµãÕ³Á¬Ôì³ÉÌøÕ¢ÏßȦTQÉÕ»µ£¨ÓÉÓÚTQµÄÈÈÈÝÁ¿Êǰ´¶ÌʱͨµçÀ´Éè¼ÆµÄ£©£»£»£»£»£»£»£»¶þÊÇÓÉÓÚÈôÊÇÓÉÌøÕ¢³ö¿Ú½ÓµãÀ´¶Ï¿ªÌøÕ¢µçÁ÷£¬£¬£¬£¬£¬£¬ÓÉÓÚ½ÓµãµÄ¶Ï»¡ÈÝÁ¿²»·ó£¬£¬£¬£¬£¬£¬ÈÝÒ×Ôì³É½ÓµãÉÕ»µ£¬£¬£¬£¬£¬£¬Õâ¾ÍΪÏÂÒ»´Î±£»£»£»£»£»£»£»¤ÌøÕ¢£¨»òºÏÕ¢£©ÂñÏÂÁËÒþ»¼¡£¡£¡£¡£¡£¡£¡£
2.¼àÊÓ»ØÂ·

¿ØÖÆ»ØÂ·Ó¦¸ÃÄܹ»·´Ó¦¶Ï·Æ÷µÄλÖÃ״̬ÒÔ¼°ÌøºÏÕ¢»ØÂ·µÄÍêÕûÐÔ¡£¡£¡£¡£¡£¡£¡£ÒÔÊÇÎÒÃÇÔÚ»ØÂ·ÖÐÔöÌíÁËTWJ¡¢HWJÀ´¼àÊÓÌøÕ¢»ØÂ·¡¢ºÏÕ¢»ØÂ·µÄÍêÕûÐÔ£¬£¬£¬£¬£¬£¬Èçͼ2ÖÐÓÃÀ¶É«²¿·ÖËùʾ¡£¡£¡£¡£¡£¡£¡£HWJºÍTWJ»®·ÖΪºÏ¡¢·ÖÕ¢¼àÊӼ̵çÆ÷¡£¡£¡£¡£¡£¡£¡£
µ±¿ª¹ØÔÚ·Öλʱ£¬£¬£¬£¬£¬£¬DL³£±Õ´¥µã±ÕºÏ£¬£¬£¬£¬£¬£¬TWJ¼ÌµçÆ÷ËùÔÚ»ØÂ·µ¼Í¨,TWJÐж¯£¬£¬£¬£¬£¬£¬ÔÚ±¾Í¼Ï·½µÄTWJ³£¿£¿£¿£¿£¿£¿ª´¥µã±ÕºÏ£¬£¬£¬£¬£¬£¬·ÖλָʾµÆµãÁÁ£¬£¬£¬£¬£¬£¬·´Ó¦¶Ï·Æ÷ÔÚ·ÖբλÖ㬣¬£¬£¬£¬£¬ºÏÕ¢»ØÂ·ÍêºÃ¡£¡£¡£¡£¡£¡£¡£Í¬ÀíºÏλָʾµÆÁÁʱ£¬£¬£¬£¬£¬£¬Ö¸Ê¾¶Ï·Æ÷ÔÚºÏբλÖ㬣¬£¬£¬£¬£¬ÌøÕ¢»ØÂ·ÍêºÃ¡£¡£¡£¡£¡£¡£¡£
´ËʱÓÐÒ»¸öÎÊÌâÐèҪ˼Ë÷£¿£¿£¿£¿£¿£¿ÔÚ·ÖÕ¢¼àÊÓ»ØÂ·µ¼Í¨Ê±£¬£¬£¬£¬£¬£¬ÓеçÁ÷Á÷¹ýºÏÕ¢ÏßȦHQ£¬£¬£¬£¬£¬£¬»á²»»áÒýÆð¶Ï·Æ÷ºÏÕ¢ÎóÐж¯£¿£¿£¿£¿£¿£¿
ÃÕµ×ÊDz»»áµÄ£¬£¬£¬£¬£¬£¬ÓÉÓÚÔÚ·ÖÕ¢¼àÊÓ»ØÂ·Öд®ÈëÁËÏÞÁ÷µç×èR£¬£¬£¬£¬£¬£¬»ØÂ·ÖÐÁ÷¾µÄµçÁ÷»áºÜС£¡£¡£¡£¡£¡£¡£¬£¬£¬£¬£¬£¬µÍÓÚºÏÕ¢ÏßȦHQµÄÆô¶¯µçÁ÷Öµ£¬£¬£¬£¬£¬£¬Òò´Ë²¢²»»ãºÏÕ¢¡£¡£¡£¡£¡£¡£¡£
3.Ìø¡¢ºÏÕ¢¼á³Ö»ØÂ·

ÔÚ·Ö¡¢ºÏÕ¢²Ù×÷ʱ£¬£¬£¬£¬£¬£¬·¢³öµÄÒ£ºÏ/Ò£·ÖÖ¸ÁîÒ»Ñùƽ³£Îª¼¸°ÙºÁÃëµÄ¸ßµçƽÂö³å£¬£¬£¬£¬£¬£¬Îª±ÜÃâ¸ÃÂö³åÔÚ·Ö¡¢ºÏÕ¢²Ù×÷¿¢ÊÂǰʧЧ£¬£¬£¬£¬£¬£¬°ü¹Ü·Ö¡¢ºÏÕ¢Ðж¯ÍêÈ«£¬£¬£¬£¬£¬£¬ÐèÒª¼ÓÈë¼á³Ö»ØÂ·¡£¡£¡£¡£¡£¡£¡£¼òÆÓÀ´Ëµ¾ÍÊÇΪÁ˱ÜÃâÌø¡¢ºÏÕ¢³ö¿Ú½ÓµãÏÈÓÚDL¸¨Öú½Óµã¶Ï¿ª£¬£¬£¬£¬£¬£¬µ¼Ö·֡¢ºÏÕ¢Ðж¯Î´Íê³É£¬£¬£¬£¬£¬£¬Òò´ËÔöÌíÁËÌø¡¢ºÏÕ¢×Ô¼á³Ö»ØÂ·£¬£¬£¬£¬£¬£¬Èçͼ3ÂÌÉ«²¿·ÖËùʾ¡£¡£¡£¡£¡£¡£¡£ÆäÖÐHBJºÍTBJ»®·Ö´ú±íºÏ¡¢ÌøÕ¢¼á³Ö¼ÌµçÆ÷£¬£¬£¬£¬£¬£¬S1´ú±í´¢Äܵ¯»ÉµÄÐг̽ڵ㡣¡£¡£¡£¡£¡£¡£
µ±ºÏÕ¢²Ù×÷ʱ£¬£¬£¬£¬£¬£¬HBJ¼ÌµçÆ÷µ¼Í¨£¬£¬£¬£¬£¬£¬HBJ³£¿£¿£¿£¿£¿£¿ª´¥µã±ÕºÏ£¬£¬£¬£¬£¬£¬ÕâʱÎÞÂÛºÏÕ¢³ö¿Ú½ÓµãÊÇ·ñ¶Ï¿ª£¬£¬£¬£¬£¬£¬ºÏÕ¢»ØÂ·¶¼»áͨ¹ýHBJ´¥µãµ¼Í¨£¬£¬£¬£¬£¬£¬Íê³ÉºÏÕ¢²Ù×÷£¬£¬£¬£¬£¬£¬´ËʱÎÞÂÛºÏÕ¢³ö¿Ú½ÓµãÊÇ·ñÏÈÓÚDL¸¨Öú½Óµã¶Ï¿ª£¬£¬£¬£¬£¬£¬¶¼²»»áÓ°Ïì¶Ï·Æ÷ºÏÕ¢¡£¡£¡£¡£¡£¡£¡£·ÖբͬÀí¡£¡£¡£¡£¡£¡£¡£
¿ÉÊÇÔöÌíHBJ¼ÌµçÆ÷±£´æÎó²î£º·¢³öºÏÕ¢ÏÂÁîHBJÐж¯ºó£¬£¬£¬£¬£¬£¬´ËʱºÏÕ¢»ØÂ·µÄͨ¶ÏÍêÈ«Óɸ¨Öú½ÓµãDL¾öÒ飬£¬£¬£¬£¬£¬ÈôÊǵ¯»Éδ´¢ÄÜ£¬£¬£¬£¬£¬£¬¶Ï·Æ÷ÎÞ·¨Õý³£ºÏÕ¢£¬£¬£¬£¬£¬£¬DL³£±Õ´¥µã¾ÍÒ»Ö±±ÕºÏ£¬£¬£¬£¬£¬£¬ºÏÕ¢µçÁ÷Ò»Ö±±£´æ£¬£¬£¬£¬£¬£¬Ò×Ïú»ÙHQ£¬£¬£¬£¬£¬£¬ÒÔÊÇÒª´®Èë´¢Äܵ¯»ÉµÄÐг̽ڵãS1¡£¡£¡£¡£¡£¡£¡£
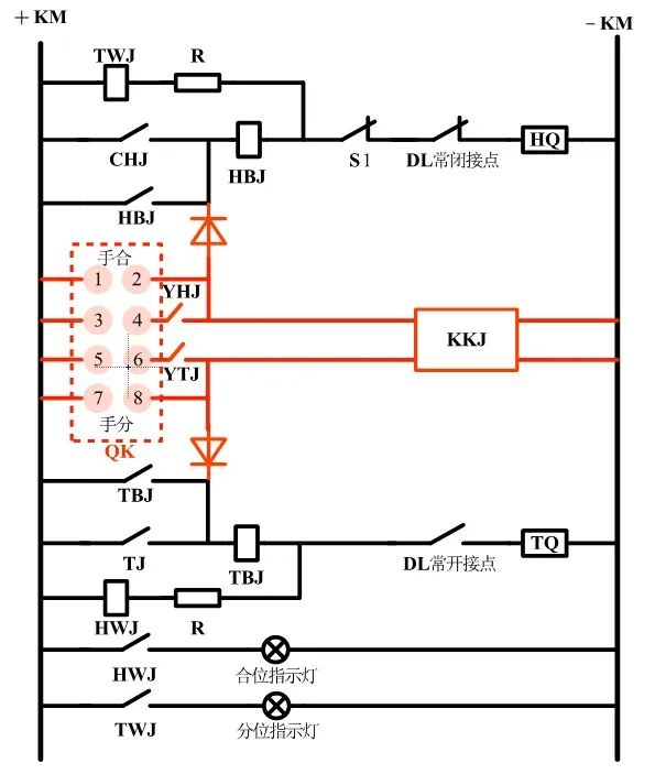
4.ºÏºó¼ÌµçÆ÷»ØÂ·

Ò»Ñùƽ³£¶Ï·Æ÷·Ö¡¢ºÏÕ¢²Ù×÷¿É·ÖΪ£º¾ÍµØÊÖ¶¯¡¢Ô¶·½Ò£¿£¿£¿£¿£¿£¿ØÒÔ¼°±£»£»£»£»£»£»£»¤×°ÖÃ×Ô¶¯¿ØÖÆÈýÖÖ·½·¨£¬£¬£¬£¬£¬£¬¿ØÖÆ»ØÂ·Ó¦¸Ã¾ßÓÐÇø·Ö±£»£»£»£»£»£»£»¤×°ÖÃÐж¯ºÍÈËΪ²Ù×÷¶Ï·Æ÷µÄ¹¦Ð§£¬£¬£¬£¬£¬£¬ÒÔÊÇ»¹Ó¦¼ÓÈëºÏºó¼ÌµçÆ÷£¨KKJ£©£¬£¬£¬£¬£¬£¬Èçͼ4ÖкìÉ«²¿·Ö¡£¡£¡£¡£¡£¡£¡£
´ËʱÎÒÃǿɽ«Í¼Ò»Öмò»¯µÄ³ö¿Ú½Óµã¾ÙÐвð·Ö£ºCHJÎªÖØºÏÕ¢½Óµã£¬£¬£¬£¬£¬£¬TJΪ±£»£»£»£»£»£»£»¤ÌøÕ¢½Óµã£¬£¬£¬£¬£¬£¬YHJΪң¿£¿£¿£¿£¿£¿ØºÏÕ¢½Óµã¡£¡£¡£¡£¡£¡£¡£YTJΪң¿£¿£¿£¿£¿£¿Ø·ÖÕ¢½Óµã£¬£¬£¬£¬£¬£¬HHJΪºÏºó¼ÌµçÆ÷£¬£¬£¬£¬£¬£¬QKΪ¿ª¹Ø²Ù×÷°ÑÊÖ¡£¡£¡£¡£¡£¡£¡£
µ±°ÑÊÖλÖÃÔÚÔ¶·½Ê±£¬£¬£¬£¬£¬£¬¢Û¢Ü¡¢¢Ý¢Þ½Óµãµ¼Í¨£¬£¬£¬£¬£¬£¬¿É¾ÙÐÐÒ£¿£¿£¿£¿£¿£¿Ø²Ù×÷¡£¡£¡£¡£¡£¡£¡£
µ±°ÑÊÖλÖÃÔھ͵غÏբʱ£¬£¬£¬£¬£¬£¬¢Ù¢Ú½Óµãµ¼Í¨£¬£¬£¬£¬£¬£¬Íê³É¼¨µØºÏÕ¢²Ù×÷¡£¡£¡£¡£¡£¡£¡£
µ±°ÑÊÖλÖÃÔھ͵طÖբʱ£¬£¬£¬£¬£¬£¬¢ß¢à½Óµãµ¼Í¨£¬£¬£¬£¬£¬£¬Íê³É¼¨µØ·ÖÕ¢²Ù×÷¡£¡£¡£¡£¡£¡£¡£
ͼÖеÄKKJ¼ÌµçÆ÷Ϊ˫λ¼ÌµçÆ÷£¬£¬£¬£¬£¬£¬µ±ÊÖ¶¯£¨Ò£¿£¿£¿£¿£¿£¿Ø£©ºÏբʱ£¬£¬£¬£¬£¬£¬KKJ¼ÌµçÆ÷Ðж¯£¬£¬£¬£¬£¬£¬ÖÓ1”£¬£¬£¬£¬£¬£¬²¢ÇÒʼÖÕ¼á³ÖÖ±µ½·ÖÕ¢²Å·µ»Ø£»£»£»£»£»£»£»µ±ÊÖ·Ö/Ò£·Ö´¥µã±ÕÊÊʱ£¬£¬£¬£¬£¬£¬KKJ¼ÌµçÆ÷·µ»Ø£¬£¬£¬£¬£¬£¬ÖÃ"0"£¬£¬£¬£¬£¬£¬²¢ÇÒʼÖÕ¼á³ÖÖ±µ½ºÏÕ¢²Å·µ»Ø¡£¡£¡£¡£¡£¡£¡£
ÓÉÓÚ±£´æ¶þ¼«¹Ü£¨µ¥Ïòµ¼Í¨£©£¬£¬£¬£¬£¬£¬CHJºÍTJÊDz»»á´¥·¢KKJ¼ÌµçÆ÷µÄ£¬£¬£¬£¬£¬£¬KKJµÄ×÷ÓÃÊÇÓÃÀ´ÅжÏÊÇÕý³£µÄ·ÖºÏÕ¢²Ù×÷£¬£¬£¬£¬£¬£¬ÕվɹÊÕÏʱ±£»£»£»£»£»£»£»¤×°ÖõÄÌøºÏÕ¢Ðж¯¡£¡£¡£¡£¡£¡£¡£µ±Õý³£µÄ·ÖºÏÕ¢²Ù×÷ʱ£¬£¬£¬£¬£¬£¬KKJÓ¦±ä룬£¬£¬£¬£¬£¬µ±±£»£»£»£»£»£»£»¤Ðж¯ÌøºÏբʱ£¬£¬£¬£¬£¬£¬KKJÓ¦ÎȹÌλ¡£¡£¡£¡£¡£¡£¡£KKJµÄ³£¿£¿£¿£¿£¿£¿ª½ÓµãÌṩӦ“ʹÊ×Ü”ÐźÅÒÔ¼°ÖغÏÕ¢×°ÖÃʹÓᣡ£¡£¡£¡£¡£¡£
5.·ÀÌø»ØÂ·

Ëùν·ÀÌø²¢²»ÊDZÜÃâ“ÌøÕ¢”¶øÊDZÜÃâ“ÌøÔ¾”¡£¡£¡£¡£¡£¡£¡£ÌøÔ¾Ö¸µÄÊÇÓÉÓÚ¿ØÖÆ¿ª¹ØºÏբλÖÃÍ£Áôʱ¼ä¹ý³¤»ò´¥µãÕ³Á¬Í¬Ê±Ïß·±¬·¢ÓÀÊÀÐÔ¹ÊÕÏ£¬£¬£¬£¬£¬£¬Ôì³É¶Ï·Æ÷Ò»Ö±ÖØ¸´Ìø-ºÏ-Ìø-ºÏ-ÌøµÄÀú³Ì¡£¡£¡£¡£¡£¡£¡£
±¬·¢ÌøÔ¾»áµ¼Öµ¼Ö¹ÊÕϵçÁ÷¶à´Î¹¥»÷£¬£¬£¬£¬£¬£¬Ë𻵶Ï·Æ÷ÉõÖÁ±¬Õ¨¡£¡£¡£¡£¡£¡£¡£·ÀÌø»ØÂ·Ïê¼ûͼ5ÖзÛÉ«²¿·Ö£¬£¬£¬£¬£¬£¬ÆäÖÐTBJVΪ·ÀÌø¼ÌµçÆ÷¡£¡£¡£¡£¡£¡£¡£
µ±±£»£»£»£»£»£»£»¤×°ÖÃÐж¯Ê±£¬£¬£¬£¬£¬£¬ÌøÕ¢»ØÂ·ÖÐÓеçÁ÷Á÷¹ý£¬£¬£¬£¬£¬£¬·ÀÌø»ØÂ·ÖеÄTBJ³£¿£¿£¿£¿£¿£¿ª´¥µã±ÕºÏ£¬£¬£¬£¬£¬£¬´ËʱÈôÊDZ¬·¢ºÏÕ¢´¥µãð¤Á¬µÄÇéÐΣ¬£¬£¬£¬£¬£¬ºÏÕ¢ÏÂÁîÒ»Ö±·¢³ö£¬£¬£¬£¬£¬£¬ÄÇôºÏÕ¢´¥µã→TBJV→TBJÕâÌõ»ØÂ·µ¼Í¨£¬£¬£¬£¬£¬£¬·ÀÌøµçѹ¼ÌµçÆ÷TBJV½«»áµçѹ×Ô¼á³Ö£¬£¬£¬£¬£¬£¬×Ô¼á³ÖÖеÄTBJV´¥µã±ÕºÏ£¬£¬£¬£¬£¬£¬ÔÚHBJÅÔµÄTBJV³£±Õ´¥µã½«¶Ï¿ª£¬£¬£¬£¬£¬£¬ÇжϺÏÕ¢»ØÂ·£¬£¬£¬£¬£¬£¬±ÜÃâ¶Ï·Æ÷“ÌøÔ¾”¡£¡£¡£¡£¡£¡£¡£
ÈôÊÇÌøÕ¢Ê±´úûÓзÖÕ¢ÏÂÁî±£´æ£¬£¬£¬£¬£¬£¬ÔòÔÚ¶Ï·Æ÷ÍêÒòËØÕ¢ºó£¬£¬£¬£¬£¬£¬ÌøÕ¢»ØÂ·±»DL³£¿£¿£¿£¿£¿£¿ª½Óµã¶Ï¿ª£¬£¬£¬£¬£¬£¬TBJµçÁ÷ÏßȦʧµç£¬£¬£¬£¬£¬£¬´ËʱÓÉÓÚºÏÕ¢½ÓµãÒ»Ö±ÊǶϿªµÄ£¬£¬£¬£¬£¬£¬²»¿ÉÐγÉTBJVµçѹ×Ô¼á³Ö£¬£¬£¬£¬£¬£¬¸´¹é¡£¡£¡£¡£¡£¡£¡£TBJVÖØÐ±պϣ¬£¬£¬£¬£¬£¬ºÏÕ¢»ØÂ·ÍêºÃ£¬£¬£¬£¬£¬£¬²»Ó°ÏìÏ´εÄÌøºÏÕ¢¡£¡£¡£¡£¡£¡£¡£
¿ØÖÆ»ØÂ·¶ÏÏ߯ÊÎö
1.Ôµ¹ÊÔÓÉÆÊÎö
“¿ØÖÆ»ØÂ·¶ÏÏß”ÐźŵÄÔÀíÊÇͨ¹ýÌøÎ»¼ÌµçÆ÷£¨TWJ£©ºÍºÏλ¼ÌµçÆ÷£¨HWJ£©À´¼àÊÓ»ØÂ·ÍêºÃÇéÐΡ£¡£¡£¡£¡£¡£¡£Èçͼ6ËùÊ¾ÎªÌøÎ»¼ÌµçÆ÷£¨TWJ£©³£±Õ´¥µãÓëºÏλ¼ÌµçÆ÷£¨HWJ£©³£±Õ´¥µã´®Áª×é³ÉÐźŻØÂ·¡£¡£¡£¡£¡£¡£¡£

Ö»ÓкÏբλÖü̵çÆ÷HWJºÍÌøÕ¢Î»Öü̵çÆ÷TWJͬʱʧѹ£¬£¬£¬£¬£¬£¬²ÅÖÂʹÁ½Õß³£±Õ½Óµãͬʱ±ÕºÏ£¬£¬£¬£¬£¬£¬»ØÂ·½Óͨ£¬£¬£¬£¬£¬£¬±£»£»£»£»£»£»£»¤±¨¿ØÖÆ»ØÂ·¶ÏÏßÐźš£¡£¡£¡£¡£¡£¡£ÏÔÈ»£¬£¬£¬£¬£¬£¬Ö»Óпª¹ØÌøÕ¢»òºÏÕ¢»ØÂ·µÄÍêÕûÐÔ±»ÆÆËðʱ£¬£¬£¬£¬£¬£¬²Å»á·ºÆðÕâÖÖÒì³£ÇéÐΡ£¡£¡£¡£¡£¡£¡£
ÖµµÃ×¢ÖØµÄÊÇ£¬£¬£¬£¬£¬£¬ÔÚÒ£¿£¿£¿£¿£¿£¿Ø·ÖºÏբʱ»á±¨¿ØÖÆ»ØÂ·¶ÏÏßÐźţ¬£¬£¬£¬£¬£¬ÍŽáͼ4¿ÉÖª£¬£¬£¬£¬£¬£¬ºÏբʱ£¬£¬£¬£¬£¬£¬µ¯»ÉÊÍ·ÅÄÜÁ¿Ê¹¶Ï·Æ÷ºÏÕ¢£¬£¬£¬£¬£¬£¬´Ëʱµ¯»É´¦ÓÚδ´¢ÄÜ״̬£¬£¬£¬£¬£¬£¬ºÏÕ¢»ØÂ·Öеĵ¯»É´¢ÄܽӵãS1·¿ª£¬£¬£¬£¬£¬£¬´ËʱTWJËùÔÚ»ØÂ·¶Ï¿ª£¬£¬£¬£¬£¬£¬TWJʧ´Å£¬£¬£¬£¬£¬£¬Í¬Ê±ÓÉÓÚ¶Ï·Æ÷»¹Î´ºÏµ½Î»£¬£¬£¬£¬£¬£¬ÌøÕ¢»ØÂ·Öг£¿£¿£¿£¿£¿£¿ª½Óµã£¨DL£©Õվɴ¦ÓÚ·¿ª×´Ì¬£¬£¬£¬£¬£¬£¬´Ó¶øHWJ²»¿ÉÀø´Å£¬£¬£¬£¬£¬£¬ÕâʱTWJÓëHWJ¾ù²»Àø´Å£¬£¬£¬£¬£¬£¬±ã·¢³ö¿Ø»Ø¶ÏÏßÐźš£¡£¡£¡£¡£¡£¡£µ±ºÏÕ¢Íê³Éºó£¬£¬£¬£¬£¬£¬³£¿£¿£¿£¿£¿£¿ª½Óµã£¨DL£©±ÕºÏ£¬£¬£¬£¬£¬£¬½ÓÍ¨ÌøÕ¢»ØÂ·£¬£¬£¬£¬£¬£¬HWJÀø´Å£¬£¬£¬£¬£¬£¬¿Ø¶ÏÐźŸ´¹é¡£¡£¡£¡£¡£¡£¡£ÓÉÓÚ¶Ï·Æ÷ºÏÕ¢Àú³Ìʱ¼äºÜ¶Ì£¬£¬£¬£¬£¬£¬¿Ø¶ÏÐźŷ¢³öºó¼´¿É¸´¹é¡£¡£¡£¡£¡£¡£¡£
2.¹ÊÕÏÔµ¹ÊÔÓÉ
ÖµµÃ×¢ÖØµÄÊÇ£¬£¬£¬£¬£¬£¬ÔÚÒ£¿£¿£¿£¿£¿£¿Ø·ÖºÏբʱ»á±¨¿ØÖÆ»ØÂ·¶ÏÏßÐźţ¬£¬£¬£¬£¬£¬ÍŽáͼ4¿ÉÖª£¬£¬£¬£¬£¬£¬ºÏբʱ£¬£¬£¬£¬£¬£¬µ¯»ÉÊÍ·ÅÄÜÁ¿Ê¹¶Ï·Æ÷ºÏÕ¢£¬£¬£¬£¬£¬£¬´Ëʱµ¯»É´¦ÓÚδ´¢ÄÜ״̬£¬£¬£¬£¬£¬£¬ºÏÕ¢»ØÂ·Öеĵ¯»É´¢ÄܽӵãS1·¿ª£¬£¬£¬£¬£¬£¬´ËʱTWJËùÔÚ»ØÂ·¶Ï¿ª£¬£¬£¬£¬£¬£¬TWJʧ´Å£¬£¬£¬£¬£¬£¬Í¬Ê±ÓÉÓÚ¶Ï·Æ÷»¹Î´ºÏµ½Î»£¬£¬£¬£¬£¬£¬ÌøÕ¢»ØÂ·Öг£¿£¿£¿£¿£¿£¿ª½Óµã£¨DL£©Õվɴ¦ÓÚ·¿ª×´Ì¬£¬£¬£¬£¬£¬£¬´Ó¶øHWJ²»¿ÉÀø´Å£¬£¬£¬£¬£¬£¬ÕâʱTWJÓëHWJ¾ù²»Àø´Å£¬£¬£¬£¬£¬£¬±ã·¢³ö¿Ø»Ø¶ÏÏßÐźš£¡£¡£¡£¡£¡£¡£µ±ºÏÕ¢Íê³Éºó£¬£¬£¬£¬£¬£¬³£¿£¿£¿£¿£¿£¿ª½Óµã£¨DL£©±ÕºÏ£¬£¬£¬£¬£¬£¬½ÓÍ¨ÌøÕ¢»ØÂ·£¬£¬£¬£¬£¬£¬HWJÀø´Å£¬£¬£¬£¬£¬£¬¿Ø¶ÏÐźŸ´¹é¡£¡£¡£¡£¡£¡£¡£ÓÉÓÚ¶Ï·Æ÷ºÏÕ¢Àú³Ìʱ¼äºÜ¶Ì£¬£¬£¬£¬£¬£¬¿Ø¶ÏÐźŷ¢³öºó¼´¿É¸´¹é¡£¡£¡£¡£¡£¡£¡£
2.¹ÊÕÏÔµ¹ÊÔÓÉ
£¨1£©ÍⲿԵ¹ÊÔÓÉ
¿ØÖƵçÔ´¿Õ¿ªÌø¿ª£¬£¬£¬£¬£¬£¬»ò»ØÂ·Ê§È¥µçÔ´
ÊÖ³µ¿ª¹ØµçÔ´²å¼þû²åºÃ»òÊÖ³µ¿ª¹ØÃ»ÓÐÍÆµ½×¼±¸Î»»òÊÂÇé
¶Ï¿ªÆ÷µÄ´¢ÄܵçÔ´¿ª¹Ø¶Ï¿ª
¶Ï·Æ÷»ã¿Ø¹ñÄÚµÄÔ¶/½ü¿Ø¿ª¹ØÔÚ“¾ÍµØ”λÖÃ
Áù·ú»¯ÁòµÍÆøÑ¹±ÕËøÐж¯
ÊÖ³µ¿ª¹ØµçÔ´²å¼þû²åºÃ»òÊÖ³µ¿ª¹ØÃ»ÓÐÍÆµ½×¼±¸Î»»òÊÂÇé
¶Ï¿ªÆ÷µÄ´¢ÄܵçÔ´¿ª¹Ø¶Ï¿ª
¶Ï·Æ÷»ã¿Ø¹ñÄÚµÄÔ¶/½ü¿Ø¿ª¹ØÔÚ“¾ÍµØ”λÖÃ
Áù·ú»¯ÁòµÍÆøÑ¹±ÕËøÐж¯
£¨2£©·Öբʱ¿ØÖÆ»ØÂ·Òì³£
³£±Õ½Óµã£¨DL£©Òì³£
µ¯»É´¢Äܵç»úµÄÏà¹Ø¸¨Öú½ÓµãËɶ¯»òÒì³£µ¼Öµ¯»É´¢Äܽӵ㣨S1£©¶Ï¿ª
ºÏÕ¢ÏßȦ¹ÊÕÏÉÕ»µµ¼ÖºÏÕ¢»ØÂ·¶ÏÏß
S2½ÓµãÓÉÓÚºÏÕ¢±ÕËøµç´ÅÌú¹ÊÕϲ»Àø´Å¶ø²»¿É±ÕºÏ£¬£¬£¬£¬£¬£¬Ê¹ºÏÕ¢»ØÂ·¶ÏÏß
ºÏÕ¢»ØÂ·ÖÐÆäËûµçÆøÔª¼þ¹ÊÕÏ£¬£¬£¬£¬£¬£¬µ¼ÖºÏÕ¢»ØÂ·¶Ï¿ª
µ¯»É´¢Äܵç»úµÄÏà¹Ø¸¨Öú½ÓµãËɶ¯»òÒì³£µ¼Öµ¯»É´¢Äܽӵ㣨S1£©¶Ï¿ª
ºÏÕ¢ÏßȦ¹ÊÕÏÉÕ»µµ¼ÖºÏÕ¢»ØÂ·¶ÏÏß
S2½ÓµãÓÉÓÚºÏÕ¢±ÕËøµç´ÅÌú¹ÊÕϲ»Àø´Å¶ø²»¿É±ÕºÏ£¬£¬£¬£¬£¬£¬Ê¹ºÏÕ¢»ØÂ·¶ÏÏß
ºÏÕ¢»ØÂ·ÖÐÆäËûµçÆøÔª¼þ¹ÊÕÏ£¬£¬£¬£¬£¬£¬µ¼ÖºÏÕ¢»ØÂ·¶Ï¿ª
£¨3£©ºÏբʱ¿ØÖÆ»ØÂ·Òì³£
³£¿£¿£¿£¿£¿£¿ª½Óµã£¨DL£©Òì³£
·ÖÕ¢ÏßȦ¹ÊÕÏÉÕ»µµ¼Ö·ÖÕ¢»ØÂ·¶ÏÏß
·ÖÕ¢»ØÂ·ÖÐÆäËûµçÆøÔª¼þ¹ÊÕÏ£¬£¬£¬£¬£¬£¬µ¼Ö·ÖÕ¢»ØÂ·¶Ï¿ª
·ÖÕ¢ÏßȦ¹ÊÕÏÉÕ»µµ¼Ö·ÖÕ¢»ØÂ·¶ÏÏß
·ÖÕ¢»ØÂ·ÖÐÆäËûµçÆøÔª¼þ¹ÊÕÏ£¬£¬£¬£¬£¬£¬µ¼Ö·ÖÕ¢»ØÂ·¶Ï¿ª
3.¹ÊÕÏΣº¦
¿ØÖÆ»ØÂ·¶ÏÏßµÄ×îÖ±½ÓµÄΣº¦¾ÍÊǵ¼Ö¿ª¹ØÎÞ·¨Õý³£·ÖºÏÕ¢£¬£¬£¬£¬£¬£¬·Öբʱ±£¿£¿£¿£¿£¿£¿ØÖÆ»ØÂ·¶ÏÏß˵Ã÷ºÏÕ¢»ØÂ·Òì³££¬£¬£¬£¬£¬£¬¿ª¹ØÎÞ·¨ºÏÕ¢£¬£¬£¬£¬£¬£¬ºÏբʱ±¨¿ØÖÆ»ØÂ·¶ÏÏß˵Ã÷·ÖÕ¢»ØÂ·Òì³££¬£¬£¬£¬£¬£¬¿ª¹ØÎÞ·¨Õý³£·ÖÕ¢¡£¡£¡£¡£¡£¡£¡£
¾ÙÀý£ºÈôij10kVĸÏßÖÐijÌõ10kVÏß·¿ª¹ØºÏբʱ±¨¿ØÖÆ»ØÂ·¶ÏÏߣ¬£¬£¬£¬£¬£¬µ±¸ÃÏß·±¬·¢¹ÊÕÏʱ£¬£¬£¬£¬£¬£¬Ëä±£»£»£»£»£»£»£»¤·¢ÌøÕ¢³ö¿Ú£¬£¬£¬£¬£¬£¬µ«¸Ã¿ª¹Ø²¢²»¿ÉÌøÕ¢£¬£¬£¬£¬£¬£¬Õâʱ±ØÐèÓÉÖ÷±äµÍºó±¸Ðж¯ÌøÕ¢¸ôÀë¹ÊÕÏ£¬£¬£¬£¬£¬£¬Ö±½Óµ¼ÖÂÕûÌõĸÏßʧµç£¬£¬£¬£¬£¬£¬À©´óÁËʹʹæÄ£¡£¡£¡£¡£¡£¡£¡£
¿ØÖÆ»ØÂ·¶ÏÏß´¦Öóͷ£·½·¨
1¡¢µçÆø·½ÃæµÄÔµ¹ÊÔÓÉ£¬£¬£¬£¬£¬£¬ÄÜÆ¾Ö¤Í¼Ö½×ÔÐвéÕÒ´¦Öóͷ£µÄ¹ÊÕÏÓ¦Á¬Ã¦´¦Öóͷ££¬£¬£¬£¬£¬£¬²»¿É²éÕÒ´¦Öóͷ£µÄÁ¬Ã¦Éϱ¨È±ÏÝ£¬£¬£¬£¬£¬£¬ÆÚ´ýÄ¥Á·°àÏÖ³¡´¦Öóͷ£¡£¡£¡£¡£¡£¡£¡£
2¡¢ÓÉÓÚѹÁ¦½µµÍ¡¢»ú¹¹Ôµ¹ÊÔÓÉ·ºÆð¿ØÖÆ»ØÂ·¶ÏÏßʱ£¬£¬£¬£¬£¬£¬Ó¦Ê×ÏȻ㱨µ÷Àí£¬£¬£¬£¬£¬£¬ÉêÇë×ªÒÆ¸ººÉ¡¢½ÓÄÉÅÔ·´øÏß»òÓÃÉÏÒ»¼¶¶Ï·Æ÷¸ôÀëµÄÒªÁìÍ£µç´¦Öóͷ£¡£¡£¡£¡£¡£¡£¡£
2¡¢ÓÉÓÚѹÁ¦½µµÍ¡¢»ú¹¹Ôµ¹ÊÔÓÉ·ºÆð¿ØÖÆ»ØÂ·¶ÏÏßʱ£¬£¬£¬£¬£¬£¬Ó¦Ê×ÏȻ㱨µ÷Àí£¬£¬£¬£¬£¬£¬ÉêÇë×ªÒÆ¸ººÉ¡¢½ÓÄÉÅÔ·´øÏß»òÓÃÉÏÒ»¼¶¶Ï·Æ÷¸ôÀëµÄÒªÁìÍ£µç´¦Öóͷ£¡£¡£¡£¡£¡£¡£¡£

