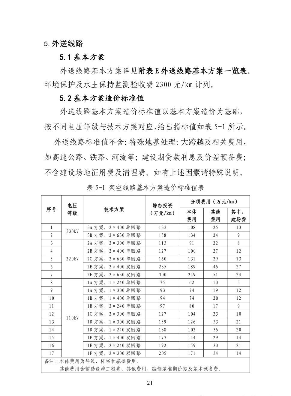
ÁªÏµÖйú¡¤½ðɳ³Çjs93Ïß·¼ì²âÖÐÐÄ(¹É·Ý)ÓÐÏÞ¹«Ë¾-¹Ù·½ÍøÕ¾

ÊÖ»ú£ºÍô˾Àí15802760502
ÓÊÏ䣺hezi027@qq.com
QQ£º3212587206
µØµã£ºÎ人Êй¤¾ßºþÇø´´¹È·20ºÅ¿Æ´´ÖÐÐÄ22¶°
Ïà¹ØÎÄÕÂ
- 1¸É»õ·ÖÏíØÎ人Öйú¡¤½ðɳ³Çjs93Ïß·¼ì²âÖÐÐÄ(¹É·Ý)ÓÐÏÞ¹«Ë¾-¹Ù·½ÍøÕ¾ÖÇÄܼì²âÖÎÀíϵͳÏÈÈÝ
- 2¸É»õ·ÖÏíØÎ人Öйú¡¤½ðɳ³Çjs93Ïß·¼ì²âÖÐÐÄ(¹É·Ý)ÓÐÏÞ¹«Ë¾-¹Ù·½ÍøÕ¾Çå¾²¹¤Óþ߼ì²âÖÎÀíϵͳ(ÔÆÆ½Ì¨)ÏÈÈÝ
- 3¸É»õ·ÖÏíØÁ½ÖÖÀ׵繥»÷×°±¸±ÈÕÕÓÅÈõµã
- 4¸É»õ·ÖÏíØ¾Ö·ÅÆÁÕÏÊұȵç´ÅÆÁÕÏÊÒÒªÇó¸ü¸ß
- 5¸É»õ·ÖÏíØÎ人Öйú¡¤½ðɳ³Çjs93Ïß·¼ì²âÖÐÐÄ(¹É·Ý)ÓÐÏÞ¹«Ë¾-¹Ù·½ÍøÕ¾²úÆ·ÓÅÊÆ
- 6¸É»õ·ÖÏíØÎ人Öйú¡¤½ðɳ³Çjs93Ïß·¼ì²âÖÐÐÄ(¹É·Ý)ÓÐÏÞ¹«Ë¾-¹Ù·½ÍøÕ¾Çå¾²¹¤Óþ߲úÆ·ÓÅÊÆ
- 7¸É»õ·ÖÏíØÎ人Öйú¡¤½ðɳ³Çjs93Ïß·¼ì²âÖÐÐÄ(¹É·Ý)ÓÐÏÞ¹«Ë¾-¹Ù·½ÍøÕ¾¾Ö·ÅÒDzî±ð¼°ÓÅÊÆ
- 8¸É»õ·ÖÏíØÎ人Öйú¡¤½ðɳ³Çjs93Ïß·¼ì²âÖÐÐÄ(¹É·Ý)ÓÐÏÞ¹«Ë¾-¹Ù·½ÍøÕ¾ÎÞ¾Ö·ÅÄÍѹ²âÊÔϵͳÓÅÊÆ
- 9¸É»õ·ÖÏíØÎ人Öйú¡¤½ðɳ³Çjs93Ïß·¼ì²âÖÐÐÄ(¹É·Ý)ÓÐÏÞ¹«Ë¾-¹Ù·½ÍøÕ¾À׵繥»÷²âÊÔϵͳÓÅÊÆ
- 10HZHL-400A-I ÈýÏàÖÇÄÜ»ØÂ·µç×è²âÊÔÒDZܿÓÖ¸ÄÏ
Õ䲨 | ijÑëÆó2024Äê·ç¡¢¹âÏîÄ¿Ôì¼Û±ê×¼£¡ --¡¾Öйú¡¤½ðɳ³Çjs93Ïß·¼ì²âÖÐÐÄ(¹É·Ý)ÓÐÏÞ¹«Ë¾-¹Ù·½ÍøÕ¾¡¿
Ðû²¼Ê±¼ä£º2024-11-11 09:31:16ÈËÆø£º
¿ËÈÕ£¬£¬£¬£¬£¬£¬£¬£¬ÓÉij·¢µç¼¯ÕûÌåÀýµÄ¡¶ÐÂÄÜÔ´µçÕ¾µ¥Î»Ç§ÍßÔì¼Û±ê×¼Öµ£¨2024°æ£©¡·Ðû²¼¡£¡£¡£¡£¡£
ÎļþÏÔʾ£¬£¬£¬£¬£¬£¬£¬£¬±¾Ö¸±êÊǸü¯ÍÅȨºâÐÂÄÜÔ´·¢µç¹¤³Ì¾¼ÃÐÔ¡¢¿ªÕ¹Ôì¼Û¶Ô±êÖÎÀí¡¢ÂäʵͶ×ÊÍýÏëµÄÖ÷ÒªÒÀ¾Ý¡£¡£¡£¡£¡£
¹â·üÏîÄ¿º¸Ç¼¯ÖÐʽºÍÂþÑÜʽ(¹¤ÉÌÒµºÍ»§ÓÃ)£¬£¬£¬£¬£¬£¬£¬£¬ÆäÖУº
¼¯ÖÐʽװ»úÈÝÁ¿Éæ¼°50MW¡¢100MW¡¢200MW¡¢500MWºÍ1000MW¹æÄ££¬£¬£¬£¬£¬£¬£¬£¬µØÐκ¸ÇƽԺÍɽµØ(ÇðÁê)£»£»£»£»£»£»£»£»
¹¤ÉÌÒµ¼°»§ÓÃÂþÑÜʽװ»úÈÝÁ¿Éæ¼°5MWºÍ100MWp¡£¡£¡£¡£¡£
ÎļþÏÔʾ£¬£¬£¬£¬£¬£¬£¬£¬±¾Ö¸±êÊǸü¯ÍÅȨºâÐÂÄÜÔ´·¢µç¹¤³Ì¾¼ÃÐÔ¡¢¿ªÕ¹Ôì¼Û¶Ô±êÖÎÀí¡¢ÂäʵͶ×ÊÍýÏëµÄÖ÷ÒªÒÀ¾Ý¡£¡£¡£¡£¡£
¹â·üÏîÄ¿º¸Ç¼¯ÖÐʽºÍÂþÑÜʽ(¹¤ÉÌÒµºÍ»§ÓÃ)£¬£¬£¬£¬£¬£¬£¬£¬ÆäÖУº
¼¯ÖÐʽװ»úÈÝÁ¿Éæ¼°50MW¡¢100MW¡¢200MW¡¢500MWºÍ1000MW¹æÄ££¬£¬£¬£¬£¬£¬£¬£¬µØÐκ¸ÇƽԺÍɽµØ(ÇðÁê)£»£»£»£»£»£»£»£»
¹¤ÉÌÒµ¼°»§ÓÃÂþÑÜʽװ»úÈÝÁ¿Éæ¼°5MWºÍ100MWp¡£¡£¡£¡£¡£





























































