ÁªÏµÖйú¡¤½ðɳ³Çjs93Ïß·¼ì²âÖÐÐÄ(¹É·Ý)ÓÐÏÞ¹«Ë¾-¹Ù·½ÍøÕ¾

ÊÖ»ú£ºÍô˾Àí15802760502
ÓÊÏ䣺hezi027@qq.com
QQ£º3212587206
µØµã£ºÎ人Êй¤¾ßºþÇø´´¹È·20ºÅ¿Æ´´ÖÐÐÄ22¶°
Ïà¹ØÎÄÕÂ
- 1¸É»õ·ÖÏíØÎ人Öйú¡¤½ðɳ³Çjs93Ïß·¼ì²âÖÐÐÄ(¹É·Ý)ÓÐÏÞ¹«Ë¾-¹Ù·½ÍøÕ¾ÖÇÄܼì²âÖÎÀíϵͳÏÈÈÝ
- 2¸É»õ·ÖÏíØÎ人Öйú¡¤½ðɳ³Çjs93Ïß·¼ì²âÖÐÐÄ(¹É·Ý)ÓÐÏÞ¹«Ë¾-¹Ù·½ÍøÕ¾Çå¾²¹¤Óþ߼ì²âÖÎÀíϵͳ(ÔÆÆ½Ì¨)ÏÈÈÝ
- 3¸É»õ·ÖÏíØÁ½ÖÖÀ׵繥»÷×°±¸±ÈÕÕÓÅÈõµã
- 4¸É»õ·ÖÏíØ¾Ö·ÅÆÁÕÏÊұȵç´ÅÆÁÕÏÊÒÒªÇó¸ü¸ß
- 5¸É»õ·ÖÏíØÎ人Öйú¡¤½ðɳ³Çjs93Ïß·¼ì²âÖÐÐÄ(¹É·Ý)ÓÐÏÞ¹«Ë¾-¹Ù·½ÍøÕ¾²úÆ·ÓÅÊÆ
- 6¸É»õ·ÖÏíØÎ人Öйú¡¤½ðɳ³Çjs93Ïß·¼ì²âÖÐÐÄ(¹É·Ý)ÓÐÏÞ¹«Ë¾-¹Ù·½ÍøÕ¾Çå¾²¹¤Óþ߲úÆ·ÓÅÊÆ
- 7¸É»õ·ÖÏíØÎ人Öйú¡¤½ðɳ³Çjs93Ïß·¼ì²âÖÐÐÄ(¹É·Ý)ÓÐÏÞ¹«Ë¾-¹Ù·½ÍøÕ¾¾Ö·ÅÒDzî±ð¼°ÓÅÊÆ
- 8¸É»õ·ÖÏíØÎ人Öйú¡¤½ðɳ³Çjs93Ïß·¼ì²âÖÐÐÄ(¹É·Ý)ÓÐÏÞ¹«Ë¾-¹Ù·½ÍøÕ¾ÎÞ¾Ö·ÅÄÍѹ²âÊÔϵͳÓÅÊÆ
- 9¸É»õ·ÖÏíØÎ人Öйú¡¤½ðɳ³Çjs93Ïß·¼ì²âÖÐÐÄ(¹É·Ý)ÓÐÏÞ¹«Ë¾-¹Ù·½ÍøÕ¾À׵繥»÷²âÊÔϵͳÓÅÊÆ
- 10HZHL-400A-I ÈýÏàÖÇÄÜ»ØÂ·µç×è²âÊÔÒDZܿÓÖ¸ÄÏ
±äѹÆ÷ÊÔÑé--¾Ö²¿·ÅµçÕÉÁ¿ÊÔÑé--¡¾Öйú¡¤½ðɳ³Çjs93Ïß·¼ì²âÖÐÐÄ(¹É·Ý)ÓÐÏÞ¹«Ë¾-¹Ù·½ÍøÕ¾¡¿
Ðû²¼Ê±¼ä£º2024-03-15 14:54:11ÈËÆø£º

±äѹÆ÷¾Ö²¿·Åµç·ÖÀ༰ÊÔÑéÄ¿µÄ
µçÁ¦±äѹÆ÷ÊǵçÁ¦ÏµÍ³ÖкÜÖ÷ÒªµÄ×°±¸£¬£¬£¬£¬£¬£¬£¬Í¨¹ý¾Ö²¿·ÅµçÕÉÁ¿ÅжϱäѹÆ÷µÄ¾øÔµ×´Ì¬ÊÇÏ൱ÓÐÓõ쬣¬£¬£¬£¬£¬£¬²¢ÇÒÒÑ×÷ΪȨºâµçÁ¦±äѹÆ÷ÖÊÁ¿µÄÖ÷Òª¼ì²âÊÖ¶ÎÖ®Ò»¡£¡£¡£¡£¡£¡£¡£¡£
¸ßѹµçÁ¦±äѹÆ÷Ö÷Òª½ÓÄÉÓÍÒ»Ö½ÆÁÕϾøÔµ£¬£¬£¬£¬£¬£¬£¬ÕâÖÖ¾øÔµÓɵ繤ֽ²ãºÍ¾øÔµÓͽ»Ö¯×é³É¡£¡£¡£¡£¡£¡£¡£¡£ÓÉÓÚ´óÐͱäѹÆ÷½á¹¹ÖØ´ó¡¢¾øÔµºÜ²»Ôȳơ£¡£¡£¡£¡£¡£¡£¡£µ±Éè¼Æ²»µ±£¬£¬£¬£¬£¬£¬£¬Ôì³É¾Ö²¿³¡Ç¿¹ý¸ß¡¢¹¤ÒÕ²»Á¼»òÍâ½çÔµ¹ÊÔÓɵÈÒòËØÔì³ÉÄÚ²¿È±ÏÝʱ£¬£¬£¬£¬£¬£¬£¬ÔÚ±äѹÆ÷ÄÚÒ»¶¨»á±¬·¢¾Ö²¿·Åµç£¬£¬£¬£¬£¬£¬£¬²¢Öð½¥Éú³¤£¬£¬£¬£¬£¬£¬£¬ºóÔì³É±äѹÆ÷Ë𻵡£¡£¡£¡£¡£¡£¡£¡£µçÁ¦±äѹÆ÷ÄÚ²¿¾Ö²¿·ÅµçÖ÷ÒªÒÔÏÂÃæ¼¸ÖÖÇéÐηºÆð£º
(1)ÈÆ×éÖв¿ÓÍÒ»Ö½ÆÁÕϾøÔµÖÐÓÍͨµÀ»÷´©£»£»£»£»£»
(2)ÈÆ×é¶Ë²¿ÓÍͨµÀ»÷´©£»£»£»£»£»
(3)½ô¿¿×žøÔµµ¼Ïߺ͵繤ֽ£¨ÒýÏß¾øÔµ¡¢´î½Ó¾øÔµ£¬£¬£¬£¬£¬£¬£¬Ïà¼ä¾øÔµ£©µÄÓͼä϶»÷´©£»£»£»£»£»
(4)ÏßȦ¼ä£¨ÔѼ䡢±ýÎÅ£©×ݾøÔµÓÍͨµÀ»÷´©£»£»£»£»£»
(5)¾øÔµÖ½°åΧÆÁµÈµÄÊ÷Ö¦·Åµç£»£»£»£»£»
(6)ÆäËû¹ÌÌå¾øÔµµÄÅÀµç£»£»£»£»£»
(7)¾øÔµÖÐÉøÈëµÄÆäËû½ðÊôÒìÎï·ÅµçµÈ¡£¡£¡£¡£¡£¡£¡£¡£
Òò´Ë£¬£¬£¬£¬£¬£¬£¬¶ÔÒѳö³§µÄ±äѹÆ÷£¬£¬£¬£¬£¬£¬£¬ÓÐÒÔϼ¸ÖÖÇéÐÎÐë¾ÙÐоֲ¿·ÅµçÊÔÑ飺
(1)бäѹÆ÷ͶÔËǰ¾ÙÐоֲ¿·ÅµçÊÔÑ飬£¬£¬£¬£¬£¬£¬¼ì²é±äѹÆ÷³ö³§ºóÔÚÔËÊä¡¢×°ÖÃÀú³ÌÖÐÓÐÎÞ¾øÔµËðÉË¡£¡£¡£¡£¡£¡£¡£¡£
(2)¶Ô´óÐÞ»òˢкóµÄ±äѹÆ÷¾ÙÐоַÅÊÔÑ飬£¬£¬£¬£¬£¬£¬ÒÔÅжÏÐÞÀíºóµÄ¾øÔµ×´Ì¬¡£¡£¡£¡£¡£¡£¡£¡£
(3)¶ÔÔËÐÐÖÐÏÓÒÉÓоøÔµ¹ÊÕϵıäѹÆ÷×÷½øÒ»²½µÄ¶¨ÐÔÕï¶Ï£¬£¬£¬£¬£¬£¬£¬ÀýÈçÓÍÖÐÆøÌåÉ«Æ×ÆÊÎöÓзŵçÐÔ¹ÊÕÏ£¬£¬£¬£¬£¬£¬£¬ÒÔ¼°Éæ¼°µ½¾øÔµÆäËûÒì³£ÇéÐΡ£¡£¡£¡£¡£¡£¡£¡£
ÕÉÁ¿»ØÂ·½ÓÏß¼°»ù±¾ÒªÁì
1¡¢Íâ½ÓñîºÏµçÈݽÓÏß·½·¨
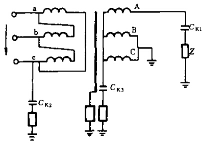
¹ØÓÚ¸ßѹ¶Ë×ÓÒý³öÌ×¹ÜûÓÐβ¶Ë³éѹ¶Ë»òÄ©ÆÁµÄ±äѹÆ÷¿É°´Í¼1Ëùʾ»ØÂ·ÅþÁ¬¡£¡£¡£¡£¡£¡£¡£¡£

ͼ1£º±äѹÆ÷¾Ö²¿·Åµç²âÊÔÒÇÍâ½ÓñîºÏµçÈÝÕÉÁ¿·½·¨
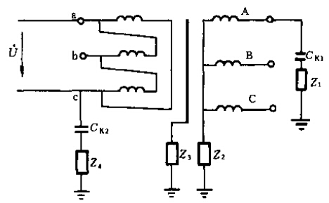
110kVÒÔÉϵĵçÁ¦±äѹÆ÷Ò»Ñùƽ³£¾ùΪ°ë¾øÔµ½á¹¹£¬£¬£¬£¬£¬£¬£¬ÇÒÊÔÑéµçѹ½Ï¸ß£¬£¬£¬£¬£¬£¬£¬¾ÙÐоֲ¿·ÅµçÕÉÁ¿Ê±£¬£¬£¬£¬£¬£¬£¬¸ßѹ¶Ë×ÓµÄñîºÏµçÈݶ¼ÓÃÌ×¹ÜÈ¡´ú£¬£¬£¬£¬£¬£¬£¬ÕÉÁ¿Ê±½«Ì×¹Üβ¶ËµÄÄ©ÆÁ½ÓµØ·¿ª£¬£¬£¬£¬£¬£¬£¬È»ºó´®Èë¼ì²â×迹ºó½ÓµØ¡£¡£¡£¡£¡£¡£¡£¡£ÕÉÁ¿½ÓÏß»ØÂ·¼ûͼ2»òͼ3¡£¡£¡£¡£¡£¡£¡£¡£

ͼ2£º±äѹÆ÷¾Ö²¿·Åµç²âÊÔÖÐÐÔµã½ÓµØ·½·¨½ÓÏß

ͼ3£º±äѹÆ÷¾Ö²¿·Åµç²âÊÔÖÐÐÔµãÖ§³Ö·½·¨½ÓÏß
ͼ2ÓÚÏÖʵÏÖ³¡ÕÉÁ¿Ê±£¬£¬£¬£¬£¬£¬£¬Í¨³£½ÓÄÉÖðÏàÊÔÑé·¨£¬£¬£¬£¬£¬£¬£¬ÊÔÑéµçÔ´Ò»Ñùƽ³£½ÓÄÉ100~150Hz±¶ÆµµçÔ´·¢µç»ú×é¡£¡£¡£¡£¡£¡£¡£¡£µ±ÏÖ³¡²»¾ß±¸±¶ÆµµçԴʱ£¬£¬£¬£¬£¬£¬£¬Ò²¿ÉÓù¤ÆµÖðÏàÖ§³Ö¼ÓѹµÄ·½·¨¾ÙÐÐÊÔÑ飬£¬£¬£¬£¬£¬£¬ÖÐÐÔµãÖ§³ÖÒªÁì½ÓÏß¼ûͼ3£¬£¬£¬£¬£¬£¬£¬ÓÉÓÚ´óÐͱäѹÆ÷¾øÔµ½á¹¹½ÏÁ¿Öش󣬣¬£¬£¬£¬£¬£¬ÓÃÖðÏà¼ÓѹµÄ·½·¨ÉÐÓÐÖúÓÚÅжϹÊÕÏλÖᣡ£¡£¡£¡£¡£¡£¡£
¼ÓѹҪÁì¿É½ÓÄɵÍѹ²à¼Óѹ£¬£¬£¬£¬£¬£¬£¬ÔÚ¸ßѹ²à¸ÐÓ¦»ñµÃÊÔÑéµçѹ¡£¡£¡£¡£¡£¡£¡£¡£Óñ¶ÆµµçÔ´¼ÓѹʱÔò¿ÉµÖ´ï¶ÔÖ÷¾øÔµºÍ×ݾøÔµÍ¬Ê±¾ÙÐÐÉóºË¡£¡£¡£¡£¡£¡£¡£¡£µ«Èô½ÓÄɹ¤ÆµµçÔ´¾ÙÐÐÊÔÑ飬£¬£¬£¬£¬£¬£¬ÓÉÓÚ¹ýÀø´ÅµÄÏÞÖÆ£¬£¬£¬£¬£¬£¬£¬ÊÔÑéµçѹֻÄܼӵ½¶î¶¨µçѹµÄ1.1~1.2±¶¡£¡£¡£¡£¡£¡£¡£¡£
2¡¢¶à¶Ë×ÓÕÉÁ¿ÒªÁì
µ±Óõç²â·¨·¢Ã÷±äѹÆ÷±£´æÓÐÁè¼Ý±ê×¼µÄÁ¿Öµ»ò½Ï´óµÄ¸öÌåÂö³åʱ£¬£¬£¬£¬£¬£¬£¬¿ÉʹÓõç²â·¨¶à¶ËУÕý¡¢¶àµãÕÉÁ¿À´¼òªµØÅжϷŵ粿λ¡£¡£¡£¡£¡£¡£¡£¡£Ê×ÏÈ£¬£¬£¬£¬£¬£¬£¬Ê¹Ó÷ÖÏà²âÊÔÅжϷŵçÔÚ±äѹÆ÷µÄÄÄÒ»Ï࣬£¬£¬£¬£¬£¬£¬È»ºóÔÚ±äѹÆ÷µÄ¸ßѹ¡¢ÖÐѹ¡¢ÖÐÐÔµãÌ׹ܵÄÄ©ÆÁÒÔ¼°Ìúо½ÓËùÔÚ´®Èë¼ì²â×迹£¬£¬£¬£¬£¬£¬£¬ÔÚµÍѹ²à½ÓÒ»ñîºÏµçÈÝ(1000-6000pF)£¬£¬£¬£¬£¬£¬£¬´®Èë¼ì²â×迹£¬£¬£¬£¬£¬£¬£¬¼ûͼ2ºÍͼ3Ëùʾ¡£¡£¡£¡£¡£¡£¡£¡£ÓÉ´Ë£¬£¬£¬£¬£¬£¬£¬ÔÚ±äѹÆ÷×÷ijһÏàÊÔÑéʱ£¬£¬£¬£¬£¬£¬£¬¾Í¿ÉÓÐ4-5¸ö²âµã¡£¡£¡£¡£¡£¡£¡£¡£»®·ÖÒÔ¸ßѹ¶ÔµØ¡¢µÍѹ¶ÔµØ¡¢ÖÐѹ¶ÔµØ¡¢Ìúо¶ÔµØ×¢Èë±ê׼УÕý·½²¨£¬£¬£¬£¬£¬£¬£¬ÏìÓ¦µØÔÚ¸÷²âµã¶¼»®·Ö²âµÃijעÈëµã·½²¨µÄÏìӦϵÊý£¬£¬£¬£¬£¬£¬£¬²¢¼Í¼¸÷µãµÄУÕýϵÊý¡£¡£¡£¡£¡£¡£¡£¡£Ð£ÕýÍê±Ïºó¼Óѹ¾ÙÐÐÕÉÁ¿£¬£¬£¬£¬£¬£¬£¬¸÷¸öÕÉÁ¿µãµÄ²âÖµ¶¼»®·ÖÒÔijעÈëµÄУÕýϵÊýÀ´ÅÌËã¡£¡£¡£¡£¡£¡£¡£¡£ÈôÊǸ÷ÕÉÁ¿µãÒÔijµãУÕýµÄ²ÎÊýÅÌËã³öµÄ¼¸¸öЧ¹ûÖµ¿¿½ü£¬£¬£¬£¬£¬£¬£¬Ôò·ÅµçλÖþÍÔÚ¸ÃУÕýµãÖÜΧ¡£¡£¡£¡£¡£¡£¡£¡£ÀýÈçÔÚAÏà¸ßѹ¶Ë×ÓÓÐÒ»¹ÊÕϷŵçÂö³å£¬£¬£¬£¬£¬£¬£¬ÒÔ¸ßѹ¶ËУÕýʱ£¬£¬£¬£¬£¬£¬£¬»®·ÖÔÚ¸ßѹ²âµã²âµÃУÕýÏìӦϵÊýΪK11£¬£¬£¬£¬£¬£¬£¬ÔÚÖÐÐÔµã²âµÃΪK21£¬£¬£¬£¬£¬£¬£¬ÔÚÌúо²à²âµÃϵÊýΪK41£¬£¬£¬£¬£¬£¬£¬ÔÚµÍѹ²à²âµÃΪK31£¬£¬£¬£¬£¬£¬£¬¼û±í1£¬£¬£¬£¬£¬£¬£¬È»ºóÕÉÁ¿Ê±¸÷µãÅÌËãÖµ¸ßѹÒÔK11ÅÌË㣬£¬£¬£¬£¬£¬£¬ÖÐÐÔµãÒÔK21¼Æ£¬£¬£¬£¬£¬£¬£¬ÌúоÒÔK31¼Æ£¬£¬£¬£¬£¬£¬£¬µÍѹÒÔK41¼Æ£¬£¬£¬£¬£¬£¬£¬ÓÉ´ËÅÌËã³öµÄ4¸öЧ¹ûÓ¦Ïà½ü¡£¡£¡£¡£¡£¡£¡£¡£

´óÐͱäѹÆ÷µÄ¾Ö²¿·ÅµçÕÉÁ¿£¬£¬£¬£¬£¬£¬£¬ÓÉÓÚÏÖ³¡×°±¸Ìõ¼þ²î¡¢×ÌÈŴ󣬣¬£¬£¬£¬£¬£¬Ãé׼ȷ²âÊÔ´øÀ´ÁËÒ»¶¨µÄÄÑÌâ¡£¡£¡£¡£¡£¡£¡£¡£Òò´Ë£¬£¬£¬£¬£¬£¬£¬ÔõÑùƾ֤ÏÖ³¡µÄÏÖʵÌõ¼þ¾ÙÐÐÊÔÑ飬£¬£¬£¬£¬£¬£¬½ÓÄÉÔõÑùµÄ·À×ÌÈŲ½·¥µÈ£¬£¬£¬£¬£¬£¬£¬ÊÇÊÔÑéÖнÏÖ÷ÒªµÄÎÊÌâ¡£¡£¡£¡£¡£¡£¡£¡£

