ÁªÏµÖйú¡¤½ðɳ³Çjs93Ïß·¼ì²âÖÐÐÄ(¹É·Ý)ÓÐÏÞ¹«Ë¾-¹Ù·½ÍøÕ¾

ÊÖ»ú£ºÍô˾Àí15802760502
ÓÊÏ䣺hezi027@qq.com
QQ£º3212587206
µØµã£ºÎ人Êй¤¾ßºþÇø´´¹È·20ºÅ¿Æ´´ÖÐÐÄ22¶°
Ïà¹ØÎÄÕÂ
- 1¸É»õ·ÖÏíØÎ人Öйú¡¤½ðɳ³Çjs93Ïß·¼ì²âÖÐÐÄ(¹É·Ý)ÓÐÏÞ¹«Ë¾-¹Ù·½ÍøÕ¾ÖÇÄܼì²âÖÎÀíϵͳÏÈÈÝ
- 2¸É»õ·ÖÏíØÎ人Öйú¡¤½ðɳ³Çjs93Ïß·¼ì²âÖÐÐÄ(¹É·Ý)ÓÐÏÞ¹«Ë¾-¹Ù·½ÍøÕ¾Çå¾²¹¤Óþ߼ì²âÖÎÀíϵͳ(ÔÆÆ½Ì¨)ÏÈÈÝ
- 3¸É»õ·ÖÏíØÁ½ÖÖÀ׵繥»÷×°±¸±ÈÕÕÓÅÈõµã
- 4¸É»õ·ÖÏíØ¾Ö·ÅÆÁÕÏÊұȵç´ÅÆÁÕÏÊÒÒªÇó¸ü¸ß
- 5¸É»õ·ÖÏíØÎ人Öйú¡¤½ðɳ³Çjs93Ïß·¼ì²âÖÐÐÄ(¹É·Ý)ÓÐÏÞ¹«Ë¾-¹Ù·½ÍøÕ¾²úÆ·ÓÅÊÆ
- 6¸É»õ·ÖÏíØÎ人Öйú¡¤½ðɳ³Çjs93Ïß·¼ì²âÖÐÐÄ(¹É·Ý)ÓÐÏÞ¹«Ë¾-¹Ù·½ÍøÕ¾Çå¾²¹¤Óþ߲úÆ·ÓÅÊÆ
- 7¸É»õ·ÖÏíØÎ人Öйú¡¤½ðɳ³Çjs93Ïß·¼ì²âÖÐÐÄ(¹É·Ý)ÓÐÏÞ¹«Ë¾-¹Ù·½ÍøÕ¾¾Ö·ÅÒDzî±ð¼°ÓÅÊÆ
- 8¸É»õ·ÖÏíØÎ人Öйú¡¤½ðɳ³Çjs93Ïß·¼ì²âÖÐÐÄ(¹É·Ý)ÓÐÏÞ¹«Ë¾-¹Ù·½ÍøÕ¾ÎÞ¾Ö·ÅÄÍѹ²âÊÔϵͳÓÅÊÆ
- 9¸É»õ·ÖÏíØÎ人Öйú¡¤½ðɳ³Çjs93Ïß·¼ì²âÖÐÐÄ(¹É·Ý)ÓÐÏÞ¹«Ë¾-¹Ù·½ÍøÕ¾À׵繥»÷²âÊÔϵͳÓÅÊÆ
- 10HZHL-400A-I ÈýÏàÖÇÄÜ»ØÂ·µç×è²âÊÔÒDZܿÓÖ¸ÄÏ
ÊÔÑé֪ʶ | ¾Ö²¿·ÅµçÊÔÑé--¡¾Öйú¡¤½ðɳ³Çjs93Ïß·¼ì²âÖÐÐÄ(¹É·Ý)ÓÐÏÞ¹«Ë¾-¹Ù·½ÍøÕ¾¡¿
Ðû²¼Ê±¼ä£º2024-02-27 15:40:37ÈËÆø£º
Ò»¡¢¾Ö²¿·Åµç¼°¾Ö²¿·ÅµçÕÉÁ¿¿É¼ì²âȱÏÝÖÖÀà
ÔÚµçÆø×°±¸µÄ¾øÔµÏµÍ³ÖУ¬£¬£¬£¬£¬£¬£¬£¬¸÷²¿Î»µÄµç³¡Ç¿¶ÈÍùÍùÊDz»ÏàµÈµÄ£¬£¬£¬£¬£¬£¬£¬£¬Õþ¸®²¿ÇøÓòµÄµç³¡Ç¿¶ÈµÖ´ïµç½éÖʵĻ÷´©³¡Ç¿Ê±£¬£¬£¬£¬£¬£¬£¬£¬¸ÃÇøÓò¾Í»á·ºÆð·Åµç£¬£¬£¬£¬£¬£¬£¬£¬µ«ÕâÖַŵ粢ûÓйᴮʩ¼ÓµçѹµÄÁ½µ¼ÌåÖ®¼ä£¬£¬£¬£¬£¬£¬£¬£¬¼´Õû¸ö¾øÔµÏµÍ³²¢Ã»Óл÷´©£¬£¬£¬£¬£¬£¬£¬£¬ÈÔÈ» ¼á³Ö¾øÔµÐÔÄÜ£¬£¬£¬£¬£¬£¬£¬£¬ÕâÖÖÕ÷Ïó³ÆÎª¾Ö²¿·Åµç¡£¡£¡£¡£¡£¡£±¬·¢ÔÚ¾øÔµÌåÄڵijÆÎªÄÚ²¿¾Ö²¿·Åµç£»£»£»£»£»±¬·¢ÔÚ¾øÔµÌåÍâòµÄ³ÆÎªÍâò¾Ö²¿·Åµç£»£»£»£»£»±¬·¢ÔÚµ¼ÌåÍâò¶øÖÜΧ¶¼ÊÇÆøÌåµÄ£¬£¬£¬£¬£¬£¬£¬£¬¿É³ÆÖ®ÎªµçÔηŵ硣¡£¡£¡£¡£¡£
¾Ö²¿·Åµç»áÖð½¥ÇÖÊ´¡¢Ë𻵾øÔµÖÊÁÏ£¬£¬£¬£¬£¬£¬£¬£¬Ê¹·ÅµçÇøÓòÒ»Ö±À©´ó£¬£¬£¬£¬£¬£¬£¬£¬×îÖÕµ¼ÖÂÕû¸ö¾øÔµÌå»÷´©¡£¡£¡£¡£¡£¡£¹Ê±ØÐè°Ñ¾Ö²¿·ÅµçÏÞÖÆÔÚÒ»¶¨Ë®Æ½Ö®Ï¡£¡£¡£¡£¡£¡£¸ßѹ¾øÔµ×°±¸¶¼°Ñ¾Ö²¿·ÅµçµÄÕÉÁ¿ÁÐΪ¼ì²é²úÆ·ÖÊÁ¿µÄÖ÷ÒªÖ¸±ê£¬£¬£¬£¬£¬£¬£¬£¬²úÆ·²»µ«³ö³§Ê±Òª×ö¾Ö ²¿·ÅµçÊÔÑ飬£¬£¬£¬£¬£¬£¬£¬²¢ÇÒÔÚͶÈëÔËÐÐÖ®ºó»¹Òª¾³£¾ÙÐÐÕÉÁ¿¡£¡£¡£¡£¡£¡£
¶þ¡¢¾Ö²¿·Åµç»ù±¾ÎïÀíÀú³Ì¼°ÆäÖ÷ÒªÊÖÒÕ²ÎÊý
¾Ö²¿·ÅµçÊÇÒ»ÖÖÖØ´óµÄÎïÀíÀú³Ì£¬£¬£¬£¬£¬£¬£¬£¬Óе硢Éù¡¢¹â¡¢ÈȵÈЧӦ£¬£¬£¬£¬£¬£¬£¬£¬»¹»á±¬·¢ÖÖÖÖÌìÉúÎï¡£¡£¡£¡£¡£¡£´ÓµçÆøÐÔÄÜ·½ÃæÆÊÎö£¬£¬£¬£¬£¬£¬£¬£¬±¬·¢·Åµçʱ£¬£¬£¬£¬£¬£¬£¬£¬Ôڷŵ紦ÓеçºÉ½»Á÷¡¢Óеç´Å²¨·øÉä¡¢ÓÐÄÜÁ¿ÏûºÄ¡£¡£¡£¡£¡£¡£
×îÏÔ×ŵÄÊÇ·´Ó¦µ½ÊÔÆ·Ê©¼ÓµçѹµÄÁ½Í·£¬£¬£¬£¬£¬£¬£¬£¬ÓÐ΢ÈõµÄÂö ³åµçѹ·ºÆð¡£¡£¡£¡£¡£¡£ÈôÊǾøÔµÖб£´æÓÐÆøÅÝ£¬£¬£¬£¬£¬£¬£¬£¬µ±¹¤Æµ¸ßѹʩ¼ÓÓÚ¾øÔµÌåµÄÁ½Í·Ê±£¬£¬£¬£¬£¬£¬£¬£¬ ÈôÊÇÆøÅÝÉÏÔâÊܵĵçѹûÓÐµÖ´ïÆøÅݵĻ÷´©µçѹ£¬£¬£¬£¬£¬£¬£¬£¬ÔòÆøÅÝÉϵĵçѹ¾ÍËæÍâ¼Ó µçѹµÄת±ä¶ø×ª±ä¡£¡£¡£¡£¡£¡£ÈôÍâ¼Óµçѹ×ã¹»¸ß£¬£¬£¬£¬£¬£¬£¬£¬¼´ÉÏÉýµ½ÆøÅݵĻ÷´©µçѹʱ£¬£¬£¬£¬£¬£¬£¬£¬ÆøÅݱ¬·¢·Åµç£¬£¬£¬£¬£¬£¬£¬£¬·ÅµçÀú³Ìʹ´ó×ÚÖÐÐÔÆøÌå·Ö×ÓµçÀ룬£¬£¬£¬£¬£¬£¬£¬Äð³ÉÕýÀë×Ӻ͵ç×Ó»ò¸ºÀë×Ó£¬£¬£¬£¬£¬£¬£¬£¬ ÐγÉÁË´ó×ڵĿռäµçºÉ£¬£¬£¬£¬£¬£¬£¬£¬ÕâЩ¿Õ¼äµçºÉ£¬£¬£¬£¬£¬£¬£¬£¬ÔÚÍâ¼Óµç³¡×÷ÓÃÏÂǨáãµ½ÆøÅݱÚÉÏ, ÐγÉÁËÓëÍâ¼Óµç³¡Æ«ÏòÏà·´µÄÄÚ²¿µçѹ£¬£¬£¬£¬£¬£¬£¬£¬ÕâÊ±ÆøÅÝÉÏÊ£ÓàµçѹӦÊÇÁ½Õßµþ¼ÓµÄЧ¹û£¬£¬£¬£¬£¬£¬£¬£¬µ±ÆøÅÝÉϵÄÏÖʵµçѹСÓÚÆøÅݵĻ÷´©µçѹʱ£¬£¬£¬£¬£¬£¬£¬£¬ÓÚÊÇÆøÅݵķŵçÔÝÍ£, ÆøÅÝÉϵĵçѹÓÖËæÍâ¼ÓµçѹµÄÉÏÉý¶øÉÏÉý£¬£¬£¬£¬£¬£¬£¬£¬Ö±µ½ÖØÐµִïÆä»÷´©µçѹʱ£¬£¬£¬£¬£¬£¬£¬£¬ÓÖ·ºÆðµÚ¶þ´Î·Åµç£¬£¬£¬£¬£¬£¬£¬£¬ÔÆÔÆ·ºÆð¶à´Î·Åµç¡£¡£¡£¡£¡£¡£
µ±ÊÔÆ·ÖÐµÄÆøÏ¶·Åµçʱ£¬£¬£¬£¬£¬£¬£¬£¬Ï൱ÓÚÊÔÆ·Ê§È¥µçºÉq²¢Ê¹Æä¶ËµçѹͻȻϽµ¡÷U£¬£¬£¬£¬£¬£¬£¬£¬Õâ¸öÒ»Ñùƽ³£Ö»ÓÐ΢·ü¼¶µÄµçÔ´Âö³åµþ¼ÓÔÚǧ·ü¼¶µÄÍâÊ©µçѹÉÏ¡£¡£¡£¡£¡£¡£ËùÓоֲ¿·Åµç²âÊÔ×°±¸µÄÊÂÇéÔÀí£¬£¬£¬£¬£¬£¬£¬£¬¾ÍÊǽ«Õâ ÖÖµçѹÂö³å¼ì²â³öÀ´¡£¡£¡£¡£¡£¡£ÆäÖеçºÉq³ÆÎªÊÓÔڷŵçÁ¿¡£¡£¡£¡£¡£¡£
Èý¡¢¾Ö²¿·ÅµçÕÉÁ¿µÄ»ù±¾»ØÂ·
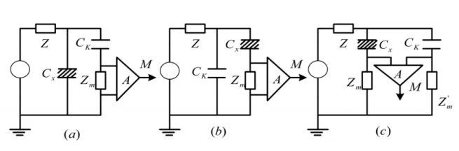
ÈçͼËùʾΪÕÉÁ¿¾Ö²¿·ÅµçµÄÈýÖÖ»ù±¾»ØÂ·¡£¡£¡£¡£¡£¡£Í¼ÖÐC´ú±íÊÔÆ·µçÈÝ£¬£¬£¬£¬£¬£¬£¬£¬ Z (Z)´ú±íÕÉÁ¿×迹£¬£¬£¬£¬£¬£¬£¬£¬Ck´ú±íñîºÏµçÈÝ£¬£¬£¬£¬£¬£¬£¬£¬ËüµÄ×÷ÓÃÊÇΪCxÓëZmÖ®¼äÌṩ Ò»¸öµÍ×迹µÄͨµÀ¡£¡£¡£¡£¡£¡£Z´ú±í½ÓÔÚµçÔ´ÓëÕÉÁ¿»ØÂ·¼äµÄµÍͨÂ˲¨Æ÷£¬£¬£¬£¬£¬£¬£¬£¬Z¿ÉÒÔÈù¤Æµµçѹ×÷Óõ½ÊÔÆ·ÉÏ£¬£¬£¬£¬£¬£¬£¬£¬µ«×èÖ¹±»²âµÄ¸ßƵÂö³å»òµçÔ´ÖÐµÄ¸ßÆµ·ÖÁ¿Í¨¹ý¡£¡£¡£¡£¡£¡£
ͼ (a)ÖУ¬£¬£¬£¬£¬£¬£¬£¬ÊÔÑéµçѹU¾ZÊ©¼ÓÓÚÊÔÆ·Cx,ÕÉÁ¿»ØÂ·ÓÉCkÓëZm´®Áª¶ø³É£¬£¬£¬£¬£¬£¬£¬£¬²¢ÓëCx²¢Áª£¬£¬£¬£¬£¬£¬£¬£¬Òò´Ë³ÆÎª²¢ÁªÕÉÁ¿»ØÂ·¡£¡£¡£¡£¡£¡£ÊÔÆ·Éϵľֲ¿·ÅµçÂö³å¾Ck ñîºÏµ½ZmÉÏ,¾·Å´óÆ÷AË͵½ÕÉÁ¿ÒÇÆ÷M¡£¡£¡£¡£¡£¡£ÕâÖÖÕÉÁ¿»ØÂ·ÊʺÏÓÚÊÔÆ·Ò»¶Ë½ÓµØµÄÇéÐΣ¬£¬£¬£¬£¬£¬£¬£¬ÔÚÏÖʵÊÂÇéÖÐÓ¦Óý϶ࡣ¡£¡£¡£¡£¡£
ͼ (b)Ϊ´®ÁªÕÉÁ¿»ØÂ·£¬£¬£¬£¬£¬£¬£¬£¬ÕÉÁ¿×迹Zm´®Áª½ÓÔÚÊÔÆ·CxµÍѹ¶ËÓëµØÖ®¼ä£¬£¬£¬£¬£¬£¬£¬£¬²¢¾ÓÉCkÐÎ³É·Åµç»ØÂ·¡£¡£¡£¡£¡£¡£Òò´Ë£¬£¬£¬£¬£¬£¬£¬£¬ ÊÔÆ·µÄµÍѹ¶Ë±ØÐèÓëµØ¾øÔµ¡£¡£¡£¡£¡£¡£
ͼ (c)ΪÇÅʽÕÉÁ¿»ØÂ·£¬£¬£¬£¬£¬£¬£¬£¬ÓÖ³ÆÆ½ºâÕÉÁ¿»ØÂ·¡£¡£¡£¡£¡£¡£ÊÔÆ·CxÓëñîºÏµçÈÝCk¾ùÓëµØ¾øÔµ£¬£¬£¬£¬£¬£¬£¬£¬ÕÉÁ¿×迹ZmÓëZm»®·Ö½ÓÔÚCx ÓëCkµÄµÍѹ¶ËÓëµØÖ®¼ä¡£¡£¡£¡£¡£¡£
ËÄ¡¢¾Ö²¿·ÅµçÕÉÁ¿ÖеĿ¹×ÌÈŲ½·¥
1.×ÌÈÅȪԴ
¹ãÒåµÄµç´Å×ÌÈųýÁ˰üÀ¨Óë¾Ö·ÅÐźÅÒ»Æðͨ¹ýµçÈö²¥¸ÐÆ÷½øÈë¼à²âϵͳµÄ×ÌÈÅÒÔÍ⣬£¬£¬£¬£¬£¬£¬£¬»¹°üÀ¨Ó°Ïì¼à²âϵͳ×Ô¼ºµÄ×ÌÈÅ£¬£¬£¬£¬£¬£¬£¬£¬ÖîÈç½ÓµØ¡¢ÆÁÕÏ¡¢ÒÔ¼°µç·´¦Öóͷ£²»µ±ËùÔì³ÉµÄ×ÌÈŵȡ£¡£¡£¡£¡£¡£ÏÖ³¡µç´Å×ÌÈÅÌØÖ¸Ç°Õߣ¬£¬£¬£¬£¬£¬£¬£¬Ëü¿É·ÖΪһÁ¬µÄÖÜÆÚÐÍ×ÌÈÅ¡¢Âö³åÐÍ×ÌÈźͰ×ÔëÉù¡£¡£¡£¡£¡£¡£ÖÜÆÚÐÍ×ÌÈŰüÀ¨ÏµÍ³¸ß´Îг²¨¡¢Ôز¨Í¨Ñ¶ÒÔ¼°ÎÞÏßµçͨѶµÈ¡£¡£¡£¡£¡£¡£Âö³åÐÍ×ÌÈÅ·ÖΪÖÜÆÚÂö³åÐÍ×ÌÈźÍËæ»úÂö³åÐÍ×ÌÈÅ¡£¡£¡£¡£¡£¡£ÖÜÆÚÂö³åÐÍ×ÌÈÅÖ÷ÒªÓɵçÁ¦µç×ÓÆ÷¼þÐж¯±¬·¢µÄ¸ßƵӿÁ÷ÒýÆð¡£¡£¡£¡£¡£¡£Ëæ»úÂö³åÐÍ×ÌÈŰüÀ¨¸ßѹÏß·ÉϵĵçÔηŵ硢ÆäËûµçÆø×°±¸±¬·¢µÄ¾Ö²¿·Åµç¡¢ ·Ö½Ó¿ª¹ØÐж¯±¬·¢µÄ·Åµç¡¢µç»úÊÂÇ鱬·¢µÄµç»¡·Åµç¡¢½Ó´¥²»Á¼±¬·¢µÄÐü¸¡µçλ·ÅµçµÈ¡£¡£¡£¡£¡£¡£°×ÔëÉù°üÀ¨ÏßȦÈÈÔëÉù¡¢µØÍøµÄÔëÉùºÍ¶¯Á¦µçÔ´ÏßÒÔ¼°±äѹÆ÷¼Ìµç±£»£»£»£»£»¤ÐźÅÏß·ÖÐñîºÏ½øÈëµÄÖÖÖÖÔëÉùµÈ¡£¡£¡£¡£¡£¡£
µç´Å×ÌÈÅÒ»Ñùƽ³£Í¨¹ý¿Õ¼äÖ±½ÓñîºÏºÍÏß·´«µ¼Á½ÖÖ·½·¨½øÈëÕÉÁ¿µã¡£¡£¡£¡£¡£¡£ÕÉÁ¿µã²î±ð£¬£¬£¬£¬£¬£¬£¬£¬×ÌÈÅñîºÏ·¾¶»á²î±ð£¬£¬£¬£¬£¬£¬£¬£¬¶ÔÕÉÁ¿µÄÓ°ÏìÒ²²î±ð£»£»£»£»£»ÕÉÁ¿µã²î±ð£¬£¬£¬£¬£¬£¬£¬£¬×ÌÈÅÖÖÀࡢǿ¶ÈÒ²²»Ïàͬ¡£¡£¡£¡£¡£¡£
2.³£ÓõÄÒÖÖÆ×ÌÈÅÒªÁì
×ÌÈŵÄÒÖÖÆ×ÜÊÇ´Ó×ÌÈÅÔ´¡¢×ÌÈÅ;¾¶¡¢Ðźźó´¦Öóͷ£Èý·½ÃæË¼Á¿¡£¡£¡£¡£¡£¡£ÕÒ³ö×ÌÈÅÔ´Ö±½ÓÏû³ý»òÇжÏÏìÓ¦µÄ×ÌÈÅ·¾¶£¬£¬£¬£¬£¬£¬£¬£¬Êǽâ¾ö×ÌÈÅ×îÓÐÓÃ×î»ù´¡µÄÒªÁ죬£¬£¬£¬£¬£¬£¬£¬µ«ÒªÇóÏêϸÆÊÎö×ÌÈÅÔ´ºÍ×ÌÈÅ;¾¶£¬£¬£¬£¬£¬£¬£¬£¬ÇÒÒ»Ñùƽ³£²»ÔÊÐí¸Ä±äÔÓеıäѹÆ÷ÔËÐз½·¨£¬£¬£¬£¬£¬£¬£¬£¬ Òò´ËÔÚÕâÁ½·½ÃæËùÄܽÓÄɵIJ½·¥×ÜÊǺÜÓÐÏÞ¡£¡£¡£¡£¡£¡£¹ØÓÚ¾µçÈö²¥¸ÐÆ÷ñîºÏ½øÈë¼à²âϵͳµÄÖÖÖÖ×ÌÈÅ£¬£¬£¬£¬£¬£¬£¬£¬½ÓÄÉÖÖÖÖÐźŴ¦Öóͷ£ÊÖÒÕ¼ÓÒÔÒÖÖÆ¡£¡£¡£¡£¡£¡£
Ò»Ñùƽ³£´ÓÒÔϼ¸·½ÃæÇø ·Ö¾Ö·ÅÐźźÍ×ÌÈÅÐźţ»£»£»£»£»¹¤ÆµÏàλ¡¢ÆµÆ×¡¢Âö³å·ù¶ÈºÍ·ù¶ÈÂþÑÜ¡¢Ðźż«ÐÔ¡¢ ÖØ¸´ÂʺÍÎïÀíλÖõȡ£¡£¡£¡£¡£¡£
ÔÚ¿¹×ÌÈÅÊÖÒÕÖÐÓÐÁ½ÖÖ²î±ðµÄ˼Ð÷£º
Ò»ÖÖÊÇ»ùÓÚÕ´ø £¨Æµ´øÒ»Ñùƽ³£Îª10kHzÖÁÊý10kHz£©Ðźŵġ£¡£¡£¡£¡£¡£Ëüͨ¹ýºÏÊÊÆµ´øµÄÕ´øµçÈö²¥¸ÐÆ÷ ºÍ´øÍ¨Â˲¨µçÂ·Ê°ÊØÐźţ¬£¬£¬£¬£¬£¬£¬£¬¶ã¹ýÖÖÖÖÒ»Á¬µÄÖÜÆÚÐÍ×ÌÈÅ£¬£¬£¬£¬£¬£¬£¬£¬Ìá¸ßÁËÕÉÁ¿ÐźŵÄÐÅÔë±È¡£¡£¡£¡£¡£¡£ÕâÖÖÒªÁìÖ»ÊʺÏijһÏêϸµÄ±äµçÕ¾£¬£¬£¬£¬£¬£¬£¬£¬Ê¹ÓÃÉϲ»Àû±ã¡£¡£¡£¡£¡£¡£±ðµÄ£¬£¬£¬£¬£¬£¬£¬£¬ÓÉÓÚ¾Ö²¿·ÅµçÐźÅÊÇÒ»ÖÖ¿íÆµ´øÂö³å£¬£¬£¬£¬£¬£¬£¬£¬Õ´øÕÉÁ¿»áÔì³ÉÐźŲ¨ÐεÄÊ§Õæ£¬£¬£¬£¬£¬£¬£¬£¬µ¹ÔËÓÚºóÃæµÄÊý×Ö´¦Öóͷ£¡£¡£¡£¡£¡£¡£
Ò»ÖÖÊÇ»ùÓÚ¿íÆµ£¨Æµ´øÒ»Ñùƽ³£Îª10ÖÁ1000kHz£©ÐźŵĴ¦Öóͷ£·½ ·¨¡£¡£¡£¡£¡£¡£¼ì²âÐźÅÖаüÀ¨¾Ö·ÅµÄ´ó²¿·ÖÄÜÁ¿ºÍ´ó×ÚµÄ×ÌÈÅ£¬£¬£¬£¬£¬£¬£¬£¬µ«ÐÅÔë½ÏÁ¿µÍ¡£¡£¡£¡£¡£¡£¹ØÓÚÕâЩ×ÌÈŵĴ¦Öóͷ£°ì·¨Ò»Ñùƽ³£ÊÇ£ºa.ÒÖÖÆÒ»Á¬ÖÜÆÚÐÍ×ÌÈÅ£»£»£»£»£»b.ÒÖÖÆÖÜÆÚÐÍÂö³å×ÌÈÅ£»£»£»£»£»c.ÒÖÖÆËæ»úÐÍÂö³å×ÌÈÅ¡£¡£¡£¡£¡£¡£Ëæ×ÅÊý×ÖÊÖÒÕµÄÉú³¤¼°Ä£Ê½Ê¶±ðÒªÁìÔÚ¾Ö·ÅÖÐ µÄÓ¦Ó㬣¬£¬£¬£¬£¬£¬£¬ÕâÖÖ´¦Öóͷ£ÒªÁìÍùÍùÄÜÈ¡µÃ½ÏºÃµÄЧ¹û¡£¡£¡£¡£¡£¡£ÔÚºó¼¶´¦Öóͷ£ÖУ¬£¬£¬£¬£¬£¬£¬£¬Ðí¶à´¦Öóͷ£·½ ·¨ÊÇÒ»Öµġ£¡£¡£¡£¡£¡£¿£¿£¿£¿£¿É¹éÄÉΪƵÓò´¦Öóͷ£ºÍʱÓò´¦Öóͷ£ÒªÁì¡£¡£¡£¡£¡£¡£ÆµÓòÒªÁìÊÇʹÓÃÖÜÆÚÐÍ×ÌÈÅÔÚÆµÓòÉÏÀëÉ¢µÄÌØµã´¦Öóͷ£Ö®£»£»£»£»£»¶øÊ±Óò´¦Öóͷ£ÒªÁìÊÇÆ¾Ö¤Âö³åÐÍ×ÌÈÅÔÚʱÓòÉÏÀëÉ¢µÄÌØµã´¦Öóͷ£¡£¡£¡£¡£¡£¡£ÓÐÓ²¼þºÍÈí¼þÁ½ÖÖʵÏÖ·½·¨¡£¡£¡£¡£¡£¡£
ÓÉÓÚ¾Ö²¿·ÅµçÂö³åÐźÅÊǺÜ΢ÈõµÄÐźţ¬£¬£¬£¬£¬£¬£¬£¬ÏÖ³¡µÄµç´Å×ÌÈŶ¼½«¶ÔÕÉÁ¿Ð§¹û±¬·¢½Ï´óÎó²î£¬£¬£¬£¬£¬£¬£¬£¬Òò´Ë£¬£¬£¬£¬£¬£¬£¬£¬Òª×öµ½×¼È·ÕÉÁ¿ºÜÄÑÌâ¡£¡£¡£¡£¡£¡£ÎªÁËÌá¸ßÕÉÁ¿¾«¶È£¬£¬£¬£¬£¬£¬£¬£¬ ³ýÁ˽ÓÄÉÉÏÊöÏÈÈݵĿ¹×ÌÈŲ½·¥Í⣬£¬£¬£¬£¬£¬£¬£¬ÔÚÕÉÁ¿Öл¹Ó¦¿É½ÓÄÉÈçϲ½·¥£º
ÊÔÑéÖÐËùʹÓõÄ×°±¸Ó¦Ö»¹Ü½ÓÄÉÎÞÔÎ×°±¸£¬£¬£¬£¬£¬£¬£¬£¬ÌØÊâÊÇÊÔÑé±äѹÆ÷ºÍñîºÏµçÈÝCk
Â˲¨Æ÷µÄÐÔÄÜÒªºÃ£¬£¬£¬£¬£¬£¬£¬£¬Òª×öµ½µçÔ´ÓëÕÉÁ¿»ØÂ·µÄ¸ßƵ¸ôÀë¡£¡£¡£¡£¡£¡£
ÊÔÑéʱ¼äÓ¦Ö»¹ÜÑ¡ÔñÔÚ×ÌÈŽÏСµÄʱ¶Î£¬£¬£¬£¬£¬£¬£¬£¬ÈçÒ¹¼äµÈ¡£¡£¡£¡£¡£¡£
ÕÉÁ¿»ØÂ·µÄ²ÎÊýÅäºÏÒªÊʵ±£¬£¬£¬£¬£¬£¬£¬£¬ñîºÏµçÈÝÒªÖ»¹ÜСÓÚÊÔÆ·µçÈÝCx, ʹµÃÔÚ¾Ö²¿·ÅµçʱCxÓëCk¼äÄÜºÜ¿ìµØ×ª»»µçºÉ¡£¡£¡£¡£¡£¡£
±ØÐè¶ÔÕÉÁ¿×°±¸¾ÙÐÐУ׼¡£¡£¡£¡£¡£¡£
ÔÚµçÆø×°±¸µÄ¾øÔµÏµÍ³ÖУ¬£¬£¬£¬£¬£¬£¬£¬¸÷²¿Î»µÄµç³¡Ç¿¶ÈÍùÍùÊDz»ÏàµÈµÄ£¬£¬£¬£¬£¬£¬£¬£¬Õþ¸®²¿ÇøÓòµÄµç³¡Ç¿¶ÈµÖ´ïµç½éÖʵĻ÷´©³¡Ç¿Ê±£¬£¬£¬£¬£¬£¬£¬£¬¸ÃÇøÓò¾Í»á·ºÆð·Åµç£¬£¬£¬£¬£¬£¬£¬£¬µ«ÕâÖַŵ粢ûÓйᴮʩ¼ÓµçѹµÄÁ½µ¼ÌåÖ®¼ä£¬£¬£¬£¬£¬£¬£¬£¬¼´Õû¸ö¾øÔµÏµÍ³²¢Ã»Óл÷´©£¬£¬£¬£¬£¬£¬£¬£¬ÈÔÈ» ¼á³Ö¾øÔµÐÔÄÜ£¬£¬£¬£¬£¬£¬£¬£¬ÕâÖÖÕ÷Ïó³ÆÎª¾Ö²¿·Åµç¡£¡£¡£¡£¡£¡£±¬·¢ÔÚ¾øÔµÌåÄڵijÆÎªÄÚ²¿¾Ö²¿·Åµç£»£»£»£»£»±¬·¢ÔÚ¾øÔµÌåÍâòµÄ³ÆÎªÍâò¾Ö²¿·Åµç£»£»£»£»£»±¬·¢ÔÚµ¼ÌåÍâò¶øÖÜΧ¶¼ÊÇÆøÌåµÄ£¬£¬£¬£¬£¬£¬£¬£¬¿É³ÆÖ®ÎªµçÔηŵ硣¡£¡£¡£¡£¡£
¾Ö²¿·Åµç»áÖð½¥ÇÖÊ´¡¢Ë𻵾øÔµÖÊÁÏ£¬£¬£¬£¬£¬£¬£¬£¬Ê¹·ÅµçÇøÓòÒ»Ö±À©´ó£¬£¬£¬£¬£¬£¬£¬£¬×îÖÕµ¼ÖÂÕû¸ö¾øÔµÌå»÷´©¡£¡£¡£¡£¡£¡£¹Ê±ØÐè°Ñ¾Ö²¿·ÅµçÏÞÖÆÔÚÒ»¶¨Ë®Æ½Ö®Ï¡£¡£¡£¡£¡£¡£¸ßѹ¾øÔµ×°±¸¶¼°Ñ¾Ö²¿·ÅµçµÄÕÉÁ¿ÁÐΪ¼ì²é²úÆ·ÖÊÁ¿µÄÖ÷ÒªÖ¸±ê£¬£¬£¬£¬£¬£¬£¬£¬²úÆ·²»µ«³ö³§Ê±Òª×ö¾Ö ²¿·ÅµçÊÔÑ飬£¬£¬£¬£¬£¬£¬£¬²¢ÇÒÔÚͶÈëÔËÐÐÖ®ºó»¹Òª¾³£¾ÙÐÐÕÉÁ¿¡£¡£¡£¡£¡£¡£
¶þ¡¢¾Ö²¿·Åµç»ù±¾ÎïÀíÀú³Ì¼°ÆäÖ÷ÒªÊÖÒÕ²ÎÊý
¾Ö²¿·ÅµçÊÇÒ»ÖÖÖØ´óµÄÎïÀíÀú³Ì£¬£¬£¬£¬£¬£¬£¬£¬Óе硢Éù¡¢¹â¡¢ÈȵÈЧӦ£¬£¬£¬£¬£¬£¬£¬£¬»¹»á±¬·¢ÖÖÖÖÌìÉúÎï¡£¡£¡£¡£¡£¡£´ÓµçÆøÐÔÄÜ·½ÃæÆÊÎö£¬£¬£¬£¬£¬£¬£¬£¬±¬·¢·Åµçʱ£¬£¬£¬£¬£¬£¬£¬£¬Ôڷŵ紦ÓеçºÉ½»Á÷¡¢Óеç´Å²¨·øÉä¡¢ÓÐÄÜÁ¿ÏûºÄ¡£¡£¡£¡£¡£¡£
×îÏÔ×ŵÄÊÇ·´Ó¦µ½ÊÔÆ·Ê©¼ÓµçѹµÄÁ½Í·£¬£¬£¬£¬£¬£¬£¬£¬ÓÐ΢ÈõµÄÂö ³åµçѹ·ºÆð¡£¡£¡£¡£¡£¡£ÈôÊǾøÔµÖб£´æÓÐÆøÅÝ£¬£¬£¬£¬£¬£¬£¬£¬µ±¹¤Æµ¸ßѹʩ¼ÓÓÚ¾øÔµÌåµÄÁ½Í·Ê±£¬£¬£¬£¬£¬£¬£¬£¬ ÈôÊÇÆøÅÝÉÏÔâÊܵĵçѹûÓÐµÖ´ïÆøÅݵĻ÷´©µçѹ£¬£¬£¬£¬£¬£¬£¬£¬ÔòÆøÅÝÉϵĵçѹ¾ÍËæÍâ¼Ó µçѹµÄת±ä¶ø×ª±ä¡£¡£¡£¡£¡£¡£ÈôÍâ¼Óµçѹ×ã¹»¸ß£¬£¬£¬£¬£¬£¬£¬£¬¼´ÉÏÉýµ½ÆøÅݵĻ÷´©µçѹʱ£¬£¬£¬£¬£¬£¬£¬£¬ÆøÅݱ¬·¢·Åµç£¬£¬£¬£¬£¬£¬£¬£¬·ÅµçÀú³Ìʹ´ó×ÚÖÐÐÔÆøÌå·Ö×ÓµçÀ룬£¬£¬£¬£¬£¬£¬£¬Äð³ÉÕýÀë×Ӻ͵ç×Ó»ò¸ºÀë×Ó£¬£¬£¬£¬£¬£¬£¬£¬ ÐγÉÁË´ó×ڵĿռäµçºÉ£¬£¬£¬£¬£¬£¬£¬£¬ÕâЩ¿Õ¼äµçºÉ£¬£¬£¬£¬£¬£¬£¬£¬ÔÚÍâ¼Óµç³¡×÷ÓÃÏÂǨáãµ½ÆøÅݱÚÉÏ, ÐγÉÁËÓëÍâ¼Óµç³¡Æ«ÏòÏà·´µÄÄÚ²¿µçѹ£¬£¬£¬£¬£¬£¬£¬£¬ÕâÊ±ÆøÅÝÉÏÊ£ÓàµçѹӦÊÇÁ½Õßµþ¼ÓµÄЧ¹û£¬£¬£¬£¬£¬£¬£¬£¬µ±ÆøÅÝÉϵÄÏÖʵµçѹСÓÚÆøÅݵĻ÷´©µçѹʱ£¬£¬£¬£¬£¬£¬£¬£¬ÓÚÊÇÆøÅݵķŵçÔÝÍ£, ÆøÅÝÉϵĵçѹÓÖËæÍâ¼ÓµçѹµÄÉÏÉý¶øÉÏÉý£¬£¬£¬£¬£¬£¬£¬£¬Ö±µ½ÖØÐµִïÆä»÷´©µçѹʱ£¬£¬£¬£¬£¬£¬£¬£¬ÓÖ·ºÆðµÚ¶þ´Î·Åµç£¬£¬£¬£¬£¬£¬£¬£¬ÔÆÔÆ·ºÆð¶à´Î·Åµç¡£¡£¡£¡£¡£¡£
µ±ÊÔÆ·ÖÐµÄÆøÏ¶·Åµçʱ£¬£¬£¬£¬£¬£¬£¬£¬Ï൱ÓÚÊÔÆ·Ê§È¥µçºÉq²¢Ê¹Æä¶ËµçѹͻȻϽµ¡÷U£¬£¬£¬£¬£¬£¬£¬£¬Õâ¸öÒ»Ñùƽ³£Ö»ÓÐ΢·ü¼¶µÄµçÔ´Âö³åµþ¼ÓÔÚǧ·ü¼¶µÄÍâÊ©µçѹÉÏ¡£¡£¡£¡£¡£¡£ËùÓоֲ¿·Åµç²âÊÔ×°±¸µÄÊÂÇéÔÀí£¬£¬£¬£¬£¬£¬£¬£¬¾ÍÊǽ«Õâ ÖÖµçѹÂö³å¼ì²â³öÀ´¡£¡£¡£¡£¡£¡£ÆäÖеçºÉq³ÆÎªÊÓÔڷŵçÁ¿¡£¡£¡£¡£¡£¡£
Èý¡¢¾Ö²¿·ÅµçÕÉÁ¿µÄ»ù±¾»ØÂ·
ÈçͼËùʾΪÕÉÁ¿¾Ö²¿·ÅµçµÄÈýÖÖ»ù±¾»ØÂ·¡£¡£¡£¡£¡£¡£Í¼ÖÐC´ú±íÊÔÆ·µçÈÝ£¬£¬£¬£¬£¬£¬£¬£¬ Z (Z)´ú±íÕÉÁ¿×迹£¬£¬£¬£¬£¬£¬£¬£¬Ck´ú±íñîºÏµçÈÝ£¬£¬£¬£¬£¬£¬£¬£¬ËüµÄ×÷ÓÃÊÇΪCxÓëZmÖ®¼äÌṩ Ò»¸öµÍ×迹µÄͨµÀ¡£¡£¡£¡£¡£¡£Z´ú±í½ÓÔÚµçÔ´ÓëÕÉÁ¿»ØÂ·¼äµÄµÍͨÂ˲¨Æ÷£¬£¬£¬£¬£¬£¬£¬£¬Z¿ÉÒÔÈù¤Æµµçѹ×÷Óõ½ÊÔÆ·ÉÏ£¬£¬£¬£¬£¬£¬£¬£¬µ«×èÖ¹±»²âµÄ¸ßƵÂö³å»òµçÔ´ÖÐµÄ¸ßÆµ·ÖÁ¿Í¨¹ý¡£¡£¡£¡£¡£¡£
ͼ (a)ÖУ¬£¬£¬£¬£¬£¬£¬£¬ÊÔÑéµçѹU¾ZÊ©¼ÓÓÚÊÔÆ·Cx,ÕÉÁ¿»ØÂ·ÓÉCkÓëZm´®Áª¶ø³É£¬£¬£¬£¬£¬£¬£¬£¬²¢ÓëCx²¢Áª£¬£¬£¬£¬£¬£¬£¬£¬Òò´Ë³ÆÎª²¢ÁªÕÉÁ¿»ØÂ·¡£¡£¡£¡£¡£¡£ÊÔÆ·Éϵľֲ¿·ÅµçÂö³å¾Ck ñîºÏµ½ZmÉÏ,¾·Å´óÆ÷AË͵½ÕÉÁ¿ÒÇÆ÷M¡£¡£¡£¡£¡£¡£ÕâÖÖÕÉÁ¿»ØÂ·ÊʺÏÓÚÊÔÆ·Ò»¶Ë½ÓµØµÄÇéÐΣ¬£¬£¬£¬£¬£¬£¬£¬ÔÚÏÖʵÊÂÇéÖÐÓ¦Óý϶ࡣ¡£¡£¡£¡£¡£
ͼ (b)Ϊ´®ÁªÕÉÁ¿»ØÂ·£¬£¬£¬£¬£¬£¬£¬£¬ÕÉÁ¿×迹Zm´®Áª½ÓÔÚÊÔÆ·CxµÍѹ¶ËÓëµØÖ®¼ä£¬£¬£¬£¬£¬£¬£¬£¬²¢¾ÓÉCkÐÎ³É·Åµç»ØÂ·¡£¡£¡£¡£¡£¡£Òò´Ë£¬£¬£¬£¬£¬£¬£¬£¬ ÊÔÆ·µÄµÍѹ¶Ë±ØÐèÓëµØ¾øÔµ¡£¡£¡£¡£¡£¡£
ͼ (c)ΪÇÅʽÕÉÁ¿»ØÂ·£¬£¬£¬£¬£¬£¬£¬£¬ÓÖ³ÆÆ½ºâÕÉÁ¿»ØÂ·¡£¡£¡£¡£¡£¡£ÊÔÆ·CxÓëñîºÏµçÈÝCk¾ùÓëµØ¾øÔµ£¬£¬£¬£¬£¬£¬£¬£¬ÕÉÁ¿×迹ZmÓëZm»®·Ö½ÓÔÚCx ÓëCkµÄµÍѹ¶ËÓëµØÖ®¼ä¡£¡£¡£¡£¡£¡£

ËÄ¡¢¾Ö²¿·ÅµçÕÉÁ¿ÖеĿ¹×ÌÈŲ½·¥
1.×ÌÈÅȪԴ
¹ãÒåµÄµç´Å×ÌÈųýÁ˰üÀ¨Óë¾Ö·ÅÐźÅÒ»Æðͨ¹ýµçÈö²¥¸ÐÆ÷½øÈë¼à²âϵͳµÄ×ÌÈÅÒÔÍ⣬£¬£¬£¬£¬£¬£¬£¬»¹°üÀ¨Ó°Ïì¼à²âϵͳ×Ô¼ºµÄ×ÌÈÅ£¬£¬£¬£¬£¬£¬£¬£¬ÖîÈç½ÓµØ¡¢ÆÁÕÏ¡¢ÒÔ¼°µç·´¦Öóͷ£²»µ±ËùÔì³ÉµÄ×ÌÈŵȡ£¡£¡£¡£¡£¡£ÏÖ³¡µç´Å×ÌÈÅÌØÖ¸Ç°Õߣ¬£¬£¬£¬£¬£¬£¬£¬Ëü¿É·ÖΪһÁ¬µÄÖÜÆÚÐÍ×ÌÈÅ¡¢Âö³åÐÍ×ÌÈźͰ×ÔëÉù¡£¡£¡£¡£¡£¡£ÖÜÆÚÐÍ×ÌÈŰüÀ¨ÏµÍ³¸ß´Îг²¨¡¢Ôز¨Í¨Ñ¶ÒÔ¼°ÎÞÏßµçͨѶµÈ¡£¡£¡£¡£¡£¡£Âö³åÐÍ×ÌÈÅ·ÖΪÖÜÆÚÂö³åÐÍ×ÌÈźÍËæ»úÂö³åÐÍ×ÌÈÅ¡£¡£¡£¡£¡£¡£ÖÜÆÚÂö³åÐÍ×ÌÈÅÖ÷ÒªÓɵçÁ¦µç×ÓÆ÷¼þÐж¯±¬·¢µÄ¸ßƵӿÁ÷ÒýÆð¡£¡£¡£¡£¡£¡£Ëæ»úÂö³åÐÍ×ÌÈŰüÀ¨¸ßѹÏß·ÉϵĵçÔηŵ硢ÆäËûµçÆø×°±¸±¬·¢µÄ¾Ö²¿·Åµç¡¢ ·Ö½Ó¿ª¹ØÐж¯±¬·¢µÄ·Åµç¡¢µç»úÊÂÇ鱬·¢µÄµç»¡·Åµç¡¢½Ó´¥²»Á¼±¬·¢µÄÐü¸¡µçλ·ÅµçµÈ¡£¡£¡£¡£¡£¡£°×ÔëÉù°üÀ¨ÏßȦÈÈÔëÉù¡¢µØÍøµÄÔëÉùºÍ¶¯Á¦µçÔ´ÏßÒÔ¼°±äѹÆ÷¼Ìµç±£»£»£»£»£»¤ÐźÅÏß·ÖÐñîºÏ½øÈëµÄÖÖÖÖÔëÉùµÈ¡£¡£¡£¡£¡£¡£
µç´Å×ÌÈÅÒ»Ñùƽ³£Í¨¹ý¿Õ¼äÖ±½ÓñîºÏºÍÏß·´«µ¼Á½ÖÖ·½·¨½øÈëÕÉÁ¿µã¡£¡£¡£¡£¡£¡£ÕÉÁ¿µã²î±ð£¬£¬£¬£¬£¬£¬£¬£¬×ÌÈÅñîºÏ·¾¶»á²î±ð£¬£¬£¬£¬£¬£¬£¬£¬¶ÔÕÉÁ¿µÄÓ°ÏìÒ²²î±ð£»£»£»£»£»ÕÉÁ¿µã²î±ð£¬£¬£¬£¬£¬£¬£¬£¬×ÌÈÅÖÖÀࡢǿ¶ÈÒ²²»Ïàͬ¡£¡£¡£¡£¡£¡£
2.³£ÓõÄÒÖÖÆ×ÌÈÅÒªÁì
×ÌÈŵÄÒÖÖÆ×ÜÊÇ´Ó×ÌÈÅÔ´¡¢×ÌÈÅ;¾¶¡¢Ðźźó´¦Öóͷ£Èý·½ÃæË¼Á¿¡£¡£¡£¡£¡£¡£ÕÒ³ö×ÌÈÅÔ´Ö±½ÓÏû³ý»òÇжÏÏìÓ¦µÄ×ÌÈÅ·¾¶£¬£¬£¬£¬£¬£¬£¬£¬Êǽâ¾ö×ÌÈÅ×îÓÐÓÃ×î»ù´¡µÄÒªÁ죬£¬£¬£¬£¬£¬£¬£¬µ«ÒªÇóÏêϸÆÊÎö×ÌÈÅÔ´ºÍ×ÌÈÅ;¾¶£¬£¬£¬£¬£¬£¬£¬£¬ÇÒÒ»Ñùƽ³£²»ÔÊÐí¸Ä±äÔÓеıäѹÆ÷ÔËÐз½·¨£¬£¬£¬£¬£¬£¬£¬£¬ Òò´ËÔÚÕâÁ½·½ÃæËùÄܽÓÄɵIJ½·¥×ÜÊǺÜÓÐÏÞ¡£¡£¡£¡£¡£¡£¹ØÓÚ¾µçÈö²¥¸ÐÆ÷ñîºÏ½øÈë¼à²âϵͳµÄÖÖÖÖ×ÌÈÅ£¬£¬£¬£¬£¬£¬£¬£¬½ÓÄÉÖÖÖÖÐźŴ¦Öóͷ£ÊÖÒÕ¼ÓÒÔÒÖÖÆ¡£¡£¡£¡£¡£¡£
Ò»Ñùƽ³£´ÓÒÔϼ¸·½ÃæÇø ·Ö¾Ö·ÅÐźźÍ×ÌÈÅÐźţ»£»£»£»£»¹¤ÆµÏàλ¡¢ÆµÆ×¡¢Âö³å·ù¶ÈºÍ·ù¶ÈÂþÑÜ¡¢Ðźż«ÐÔ¡¢ ÖØ¸´ÂʺÍÎïÀíλÖõȡ£¡£¡£¡£¡£¡£
ÔÚ¿¹×ÌÈÅÊÖÒÕÖÐÓÐÁ½ÖÖ²î±ðµÄ˼Ð÷£º
Ò»ÖÖÊÇ»ùÓÚÕ´ø £¨Æµ´øÒ»Ñùƽ³£Îª10kHzÖÁÊý10kHz£©Ðźŵġ£¡£¡£¡£¡£¡£Ëüͨ¹ýºÏÊÊÆµ´øµÄÕ´øµçÈö²¥¸ÐÆ÷ ºÍ´øÍ¨Â˲¨µçÂ·Ê°ÊØÐźţ¬£¬£¬£¬£¬£¬£¬£¬¶ã¹ýÖÖÖÖÒ»Á¬µÄÖÜÆÚÐÍ×ÌÈÅ£¬£¬£¬£¬£¬£¬£¬£¬Ìá¸ßÁËÕÉÁ¿ÐźŵÄÐÅÔë±È¡£¡£¡£¡£¡£¡£ÕâÖÖÒªÁìÖ»ÊʺÏijһÏêϸµÄ±äµçÕ¾£¬£¬£¬£¬£¬£¬£¬£¬Ê¹ÓÃÉϲ»Àû±ã¡£¡£¡£¡£¡£¡£±ðµÄ£¬£¬£¬£¬£¬£¬£¬£¬ÓÉÓÚ¾Ö²¿·ÅµçÐźÅÊÇÒ»ÖÖ¿íÆµ´øÂö³å£¬£¬£¬£¬£¬£¬£¬£¬Õ´øÕÉÁ¿»áÔì³ÉÐźŲ¨ÐεÄÊ§Õæ£¬£¬£¬£¬£¬£¬£¬£¬µ¹ÔËÓÚºóÃæµÄÊý×Ö´¦Öóͷ£¡£¡£¡£¡£¡£¡£
Ò»ÖÖÊÇ»ùÓÚ¿íÆµ£¨Æµ´øÒ»Ñùƽ³£Îª10ÖÁ1000kHz£©ÐźŵĴ¦Öóͷ£·½ ·¨¡£¡£¡£¡£¡£¡£¼ì²âÐźÅÖаüÀ¨¾Ö·ÅµÄ´ó²¿·ÖÄÜÁ¿ºÍ´ó×ÚµÄ×ÌÈÅ£¬£¬£¬£¬£¬£¬£¬£¬µ«ÐÅÔë½ÏÁ¿µÍ¡£¡£¡£¡£¡£¡£¹ØÓÚÕâЩ×ÌÈŵĴ¦Öóͷ£°ì·¨Ò»Ñùƽ³£ÊÇ£ºa.ÒÖÖÆÒ»Á¬ÖÜÆÚÐÍ×ÌÈÅ£»£»£»£»£»b.ÒÖÖÆÖÜÆÚÐÍÂö³å×ÌÈÅ£»£»£»£»£»c.ÒÖÖÆËæ»úÐÍÂö³å×ÌÈÅ¡£¡£¡£¡£¡£¡£Ëæ×ÅÊý×ÖÊÖÒÕµÄÉú³¤¼°Ä£Ê½Ê¶±ðÒªÁìÔÚ¾Ö·ÅÖÐ µÄÓ¦Ó㬣¬£¬£¬£¬£¬£¬£¬ÕâÖÖ´¦Öóͷ£ÒªÁìÍùÍùÄÜÈ¡µÃ½ÏºÃµÄЧ¹û¡£¡£¡£¡£¡£¡£ÔÚºó¼¶´¦Öóͷ£ÖУ¬£¬£¬£¬£¬£¬£¬£¬Ðí¶à´¦Öóͷ£·½ ·¨ÊÇÒ»Öµġ£¡£¡£¡£¡£¡£¿£¿£¿£¿£¿É¹éÄÉΪƵÓò´¦Öóͷ£ºÍʱÓò´¦Öóͷ£ÒªÁì¡£¡£¡£¡£¡£¡£ÆµÓòÒªÁìÊÇʹÓÃÖÜÆÚÐÍ×ÌÈÅÔÚÆµÓòÉÏÀëÉ¢µÄÌØµã´¦Öóͷ£Ö®£»£»£»£»£»¶øÊ±Óò´¦Öóͷ£ÒªÁìÊÇÆ¾Ö¤Âö³åÐÍ×ÌÈÅÔÚʱÓòÉÏÀëÉ¢µÄÌØµã´¦Öóͷ£¡£¡£¡£¡£¡£¡£ÓÐÓ²¼þºÍÈí¼þÁ½ÖÖʵÏÖ·½·¨¡£¡£¡£¡£¡£¡£
ÓÉÓÚ¾Ö²¿·ÅµçÂö³åÐźÅÊǺÜ΢ÈõµÄÐźţ¬£¬£¬£¬£¬£¬£¬£¬ÏÖ³¡µÄµç´Å×ÌÈŶ¼½«¶ÔÕÉÁ¿Ð§¹û±¬·¢½Ï´óÎó²î£¬£¬£¬£¬£¬£¬£¬£¬Òò´Ë£¬£¬£¬£¬£¬£¬£¬£¬Òª×öµ½×¼È·ÕÉÁ¿ºÜÄÑÌâ¡£¡£¡£¡£¡£¡£ÎªÁËÌá¸ßÕÉÁ¿¾«¶È£¬£¬£¬£¬£¬£¬£¬£¬ ³ýÁ˽ÓÄÉÉÏÊöÏÈÈݵĿ¹×ÌÈŲ½·¥Í⣬£¬£¬£¬£¬£¬£¬£¬ÔÚÕÉÁ¿Öл¹Ó¦¿É½ÓÄÉÈçϲ½·¥£º
ÊÔÑéÖÐËùʹÓõÄ×°±¸Ó¦Ö»¹Ü½ÓÄÉÎÞÔÎ×°±¸£¬£¬£¬£¬£¬£¬£¬£¬ÌØÊâÊÇÊÔÑé±äѹÆ÷ºÍñîºÏµçÈÝCk
Â˲¨Æ÷µÄÐÔÄÜÒªºÃ£¬£¬£¬£¬£¬£¬£¬£¬Òª×öµ½µçÔ´ÓëÕÉÁ¿»ØÂ·µÄ¸ßƵ¸ôÀë¡£¡£¡£¡£¡£¡£
ÊÔÑéʱ¼äÓ¦Ö»¹ÜÑ¡ÔñÔÚ×ÌÈŽÏСµÄʱ¶Î£¬£¬£¬£¬£¬£¬£¬£¬ÈçÒ¹¼äµÈ¡£¡£¡£¡£¡£¡£
ÕÉÁ¿»ØÂ·µÄ²ÎÊýÅäºÏÒªÊʵ±£¬£¬£¬£¬£¬£¬£¬£¬ñîºÏµçÈÝÒªÖ»¹ÜСÓÚÊÔÆ·µçÈÝCx, ʹµÃÔÚ¾Ö²¿·ÅµçʱCxÓëCk¼äÄÜºÜ¿ìµØ×ª»»µçºÉ¡£¡£¡£¡£¡£¡£
±ØÐè¶ÔÕÉÁ¿×°±¸¾ÙÐÐУ׼¡£¡£¡£¡£¡£¡£

