Öйú¡¤½ðɳ³Çjs93Ïß·¼ì²âÖÐÐÄ(¹É·Ý)ÓÐÏÞ¹«Ë¾-¹Ù·½ÍøÕ¾

background

HZG-10000 ¾øÔµµç×è²âÊÔÒÇ

ÓÃ;£º
ÌáÐÑ£º·²¹ºÖñ¾²úÆ·µÄÓû§ÏíÊÜÃâ·ÑÊÖÒÕÖ¸µ¼£¬£¬£¬£¬£¬£¬ £¬£¬¶þ¸öÔ°ü»»Èí¼þÉý¼¶£¬£¬£¬£¬£¬£¬ £¬£¬ÖÕÉúάÐÞЧÀÍ ¡£¡£¡£¡£¡£¡£
ÔÚÏß×Éѯ
ÕÐͶ±êÏàÖú:15802760502
²úÆ·ÏÈÈÝ
Ñ¡ÐÍÖ§³Ö!
ÕÐͶ±êÏàÖú:15802760502
˵Ã÷Öйú¡¤½ðɳ³Çjs93Ïß·¼ì²âÖÐÐÄ(¹É·Ý)ÓÐÏÞ¹«Ë¾-¹Ù·½ÍøÕ¾ÔÊÐíËùÊÛÿһ̨¡¸¾øÔµµç×è²âÊÔÒÇ¡¹¾ùΪȫÐÂÕýÆ·£¬£¬£¬£¬£¬£¬ £¬£¬ ÑÏ¿ÁµÄ¶Ôÿ̨³ö³§×°±¸¾ÙÐÐÖʼ죬£¬£¬£¬£¬£¬ £¬£¬°ü¹Ü¾«¶ÈºÍÐÔÄÜ£¬£¬£¬£¬£¬£¬ £¬£¬ÔÚÆ·ÖÊÉÏ£¬£¬£¬£¬£¬£¬ £¬£¬ ¾øÔµµç×è²âÊÔÒÇÕû»ú¾ùÏíÊÜÖʱ££¨ÁíÔ¼¶¨µÄ³ýÍ⣩£¬£¬£¬£¬£¬£¬ £¬£¬ ¿ª¾ß13%Ôöֵ˰רÓ÷¢Æ±£¬£¬£¬£¬£¬£¬ £¬£¬ÏíÓÐ24СʱÃâ·ÑÊÖÒÕÖ¸µ¼¡¢Èí¼þÉý¼¶¡¢ÖÕÉíάÐÞµÈЧÀÍ ¡£¡£¡£¡£¡£¡£²¢ÑÏ¿áÖ´ÐС¶µçÁ¦¹¤Òµ×°±¸¹ºÏúÌõÔ¼¡·¼°¡¶²úƷЧÀÍÔÊÐíÊé¡·£¬£¬£¬£¬£¬£¬ £¬£¬Ç붨ÐĹºÖã¡...

¾øÔµµç×è²âÊÔÒǼò½é   ----Product introduction

HZG-10000¾øÔµµç×è²âÊÔÒÇ£¬£¬£¬£¬£¬£¬ £¬£¬Õ½Ê¤ÁËͨË×ÐÍÕ×Å·±í¶Ì·µçÁ÷Ð ¡£¡£¡£¡£¡£¡£¬£¬£¬£¬£¬£¬ £¬£¬²âÊÔ½û¾øÈ·¡¢Ò×ÊÜ×ÌÈŵÈÎó²î ¡£¡£¡£¡£¡£¡£Æä½ÓÄÉÊÊʱµçѹµçÁ÷²ÉÑù×ö³ý·¨ÔËË㣬£¬£¬£¬£¬£¬ £¬£¬ÔÚ²âÊÔʱ¼´±ãµçѹ±¬·¢×ª±ä£¬£¬£¬£¬£¬£¬ £¬£¬ÓÉÅ·Ä·¶¨ÀíÅÌËã»ñµÃµÄµç×èÖµÒ²ÊÇ׼ȷµÄ ¡£¡£¡£¡£¡£¡£½ÓÄÉÏȽøµÄµ¥Æ¬»ú¿ØÖÆÁ÷³Ì£¬£¬£¬£¬£¬£¬ £¬£¬ÈË»ú½çÃæÁÙ»°£¬£¬£¬£¬£¬£¬ £¬£¬Ð¯´øÀû±ã£¬£¬£¬£¬£¬£¬ £¬£¬²Ù×÷¼òÆÓ£»£»£»£»£»ÄÚ¸½¸ßÐÔÄÜ´óÈÝÁ¿³äµçµç³Ø£¬£¬£¬£¬£¬£¬ £¬£¬½»Ö±Á÷Á½Ó㬣¬£¬£¬£¬£¬ £¬£¬²¢ÉèÓÐǷѹ±£»£»£»£»£»¤ºÍµç³Ø¹ý³ä±£»£»£»£»£»¤ ¡£¡£¡£¡£¡£¡£²âÊÔ´óÈÝÐÔ¸ºÔØÊ±£¬£¬£¬£¬£¬£¬ £¬£¬²âÊÔÍê³Éºó×Ô¶¯·ÅµçËÙÂʿ죬£¬£¬£¬£¬£¬ £¬£¬ÊµÊ±¼à²â·ÅµçÀú³Ì ¡£¡£¡£¡£¡£¡£×Ô¶¯ÏÔʾĿ½ñʱ¼ä£¬£¬£¬£¬£¬£¬ £¬£¬ÉúÑÄÀúÊ·²âÊÔÊý¾Ýʵʱ¼ä£¬£¬£¬£¬£¬£¬ £¬£¬ÎªÊÔÑéÖ°Ô±ÌṩÁ˼«´óµÄÀû±ã ¡£¡£¡£¡£¡£¡£
 

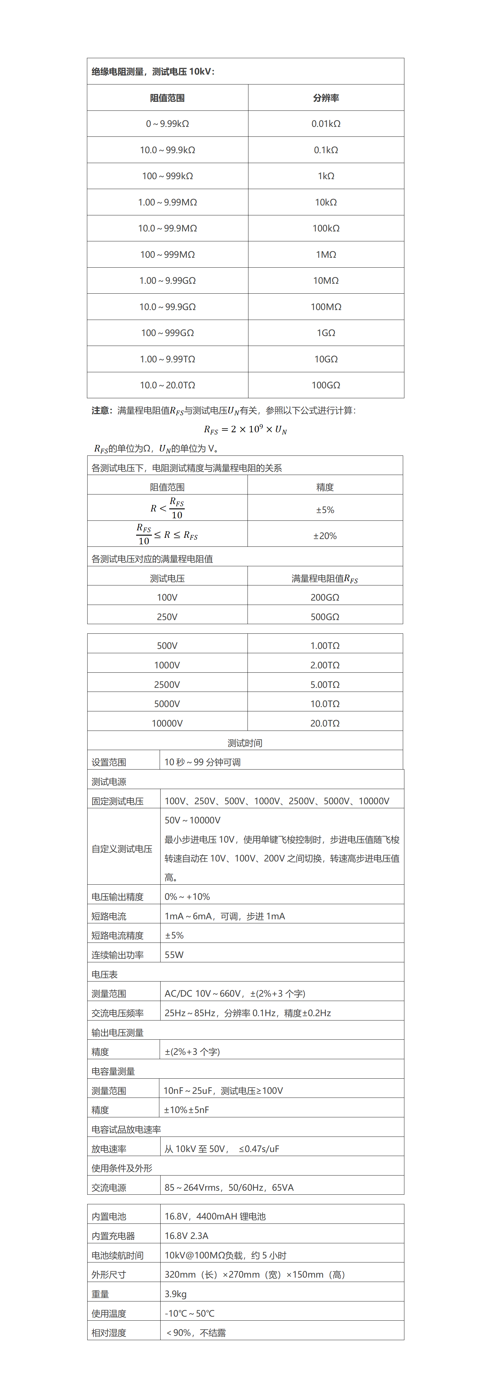
¾øÔµµç×è²âÊÔÒDzÎÊý   ----Technical parameter

½ðɳ³Çjs93Ïß·¼ì²âÖÐÐÄ

¾øÔµµç×è²âÊÔÒǹ¦Ð§   ----Product features

1£©½ÓÄÉÈ«¸ôÀëµçÔ´¼Æ»®£¬£¬£¬£¬£¬£¬ £¬£¬µÍѹµç·£¨µç³Ø¹©µç¡¢ÈË»ú½»»¥²Ù×÷µç·£©Óë¸ßѹµç·£¨Êý¿Ø¸ßѹµçÔ´¡¢ÐźŲÉÑùµç·£©ÍêÈ«µçÆø¸ôÀ룻£»£»£»£»¸ôÀëµçѹ¸ß´ï30kV£¬£¬£¬£¬£¬£¬ £¬£¬´Ó¶ø°ü¹Ü²Ù×÷Ö°Ô±µÄÇå¾² ¡£¡£¡£¡£¡£¡£
2£©½ÓÄɹ¤Òµ¼¶7´ç²ÊɫҺ¾§ÆÁ£¬£¬£¬£¬£¬£¬ £¬£¬Çø·ÖÂʸßѹ1024×600£¬£¬£¬£¬£¬£¬ £¬£¬¿ÉÊӽǶÈ85°£¬£¬£¬£¬£¬£¬ £¬£¬ÁÁ¶È400cd/m2£»£»£»£»£»½ÓÄÉ·À±¬²£Á§µÄµçÈÝ´¥ÃþÆÁ£¬£¬£¬£¬£¬£¬ £¬£¬²Ù×÷ÊÖ¸ÐÓÅÒ죬£¬£¬£¬£¬£¬ £¬£¬ÏÔʾÆÁ½áʵÄÍÓà ¡£¡£¡£¡£¡£¡£
3£©¾ß±¸´ø²ÊÉ«±³¹âµÄµ¥¼ü·ÉËó¹¦Ð§ + °´¼ü£¬£¬£¬£¬£¬£¬ £¬£¬¸ø²Ù×÷Ö°Ô±¸üºÃµÄ²Ù×÷ÌåÑé ¡£¡£¡£¡£¡£¡£
4£©¾ß±¸6¸öµçѹÁ¿³Ì£º
100V¡¢250V¡¢500V¡¢1000V¡¢2500V¡¢5000V¡¢10000V ¡£¡£¡£¡£¡£¡£
×Ô½ç˵µçѹģʽ50V¡«5000VÒ»Á¬¿Éµ÷£¬£¬£¬£¬£¬£¬ £¬£¬²½½øµçѹ10V ¡£¡£¡£¡£¡£¡£
5£©×î´óÊä³ö¶Ì·µçÁ÷6mA£»£»£»£»£»ÇÒ1mA¡¢2mA¡¢3mA¡¢4mA¡¢5mA¡¢6mA¿Éµ÷ ¡£¡£¡£¡£¡£¡£
6£© ×î´óÒ»Á¬Êä³ö¹¦ÂÊ55W ¡£¡£¡£¡£¡£¡£
7£©¾ß±¸×ÔÁ¦·Åµçµç·£¬£¬£¬£¬£¬£¬ £¬£¬²âÊÔÍê³Éºó¿É¶ÔÊÔÆ·¿ìËÙ·Åµç ¡£¡£¡£¡£¡£¡£
8£©¾ß±¸¾øÔµµç×èIR¡¢ÎüÊÕ±ÈDAR¡¢¼«»¯Ö¸ÊýPI¡¢½éµç·ÅµçÂÊDD¡¢²½½øµçѹSV²âÊÔ¹¦Ð§ ¡£¡£¡£¡£¡£¡£
9£©Ö§³ÖR600s/R30sºÍR600s/R15sÁ½ÖÖDARÎüÊÕ±ÈÅÌËãģʽ ¡£¡£¡£¡£¡£¡£
10£©¾ß±¸Ö±Á÷¡¢½»Á÷µçѹ±í¹¦Ð§£¬£¬£¬£¬£¬£¬ £¬£¬×Ô¶¯Ê¶±ðÖ±Á÷µçѹºÍ½»Á÷µçѹÐźţ¬£¬£¬£¬£¬£¬ £¬£¬²¢¿ÉÕÉÁ¿½»Á÷µçѹÐÅºÅÆµÂÊ ¡£¡£¡£¡£¡£¡£
11£©¾ß±¸µçÀ³¤¶ÈÕÉÁ¿¹¦Ð§ ¡£¡£¡£¡£¡£¡£
12£©¾ß±¸¿É¿ØÓ²¼þÂ˲¨Æ÷¼°Èí¼þÂ˲¨Æ÷£¬£¬£¬£¬£¬£¬ £¬£¬´ó´óÌá¸ßÒÇÆ÷µÄ¿¹×ÌÈÅÐÔÄÜ ¡£¡£¡£¡£¡£¡£
13£©ÖݪֲâÊÔģʽϵIJâÊÔʱ¼ä×ÔÁ¦ÉúÑÄ»¥²»Ó°Ï죬£¬£¬£¬£¬£¬ £¬£¬±ãÓÚÏ´ÎʹÓà ¡£¡£¡£¡£¡£¡£
14£©¾ß±¸ÒÇÆ÷ÏÐÖÃ×Ô¶¯¹Ø»ú¼°µç³ØµÍµçÁ¿×Ô¶¯¹Ø»ú¹¦Ð§£¬£¬£¬£¬£¬£¬ £¬£¬×Ô¶¯¹Ø»úʱ¼ä¿ÉÉèÖà ¡£¡£¡£¡£¡£¡£
15£©¾ß±¸ÓÅÅÌ´æ´¢¹¦Ð§£¬£¬£¬£¬£¬£¬ £¬£¬¿ÉÅúÁ¿½«²âÊÔÊý¾Ýµ¼³öÖÁÓÅÅÌ£»£»£»£»£»ÇÒÖ§³Öͨ¹ýÓÅÅÌÉý¼¶Ö÷¿Ø¹Ì¼þºÍ¸ßѹµçÔ´¹Ì¼þ¹¦Ð§ ¡£¡£¡£¡£¡£¡£
16£©Ñ¡ÅäRS232£¨¿ÉÑ¡RS485£©Í¨Ñ¶½Ó¿Ú ¡£¡£¡£¡£¡£¡£
17£©Ñ¡ÅäÀ¶ÑÀͨѶ¹¦Ð§ ¡£¡£¡£¡£¡£¡£
18£©ÄÚÖôóÈÝÁ¿ï®µç³Ø£¬£¬£¬£¬£¬£¬ £¬£¬²¢ÄÚÖÿìËÙ³äµçÆ÷£»£»£»£»£»ÒÇÆ÷Ãæ°å¼°Òº¾§ÆÁ¾ù¿ÉָʾĿ½ñ³äµç״̬ ¡£¡£¡£¡£¡£¡£
19£©¿ÉÑ¡ÅäGPS¶¨Î»¼°Ð£Ê±¹¦Ð§£¬£¬£¬£¬£¬£¬ £¬£¬Ö§³ÖGPS¼°±±¶·µ¼º½ÏµÍ³ ¡£¡£¡£¡£¡£¡£

¾øÔµµç×è²âÊÔÒÇͼƬ   ----Picture display

½ðɳ³Çjs93Ïß·¼ì²âÖÐÐĽðɳ³Çjs93Ïß·¼ì²âÖÐÐĽðɳ³Çjs93Ïß·¼ì²âÖÐÐĽðɳ³Çjs93Ïß·¼ì²âÖÐÐÄ

¾øÔµµç×è²âÊÔÒǸ½¼þÅä¼þ   --------Accessories

±¾²úÆ·HZG-10000 ¾øÔµµç×è²âÊÔÒDZíÏêϸÇåµ¥ÇëÒÔ˵Ã÷Êé»ò´úÏúÌõԼΪ׼

×¢ ; Öйú¡¤½ðɳ³Çjs93Ïß·¼ì²âÖÐÐÄ(¹É·Ý)ÓÐÏÞ¹«Ë¾-¹Ù·½ÍøÕ¾²úÆ·Íâ¹ÛÒÔÏÖʵ²úƷΪ׼£¬£¬£¬£¬£¬£¬ £¬£¬ÊÖÒÕ²ÎÊýºÍÐͺÅÈôÓб任£¬£¬£¬£¬£¬£¬ £¬£¬Ë¡²»ÁíÐÐ֪ͨ   
ͼƬ¾øÔµµç×è²âÊÔÒǸ½¼þ...
ÔÚÏ߿ͷþ

ΪÄúЧÀÍ

24Сʱ×ÉѯÈÈÏß
ÕÐͶ±êÏàÖú:15802760502
¡¾ÍøÕ¾µØÍ¼¡¿¡¾sitemap¡¿